电脑桌面
添加小米粒文库到电脑桌面
安装后可以在桌面快捷访问

混凝土分项工程原材料配合比设计检验批质量验收记录样本

混凝土分项工程原材料配合比设计检验批质量验收记录样本_第1页
1/26
混凝土分项工程原材料配合比设计检验批质量验收记录样本_第2页
2/26
混凝土分项工程原材料配合比设计检验批质量验收记录样本_第3页
3/26
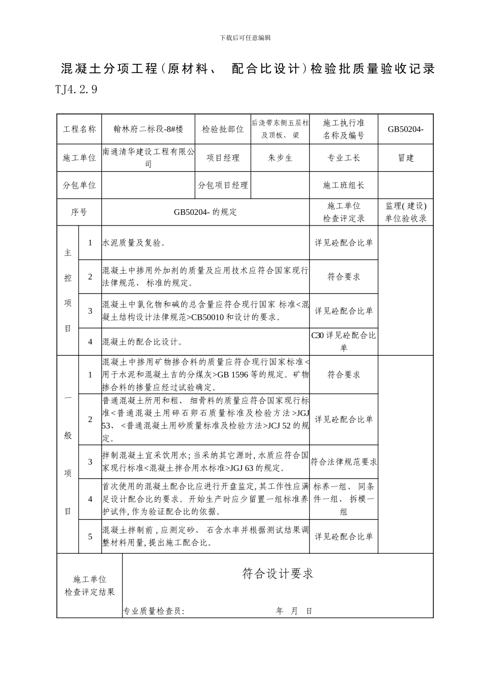
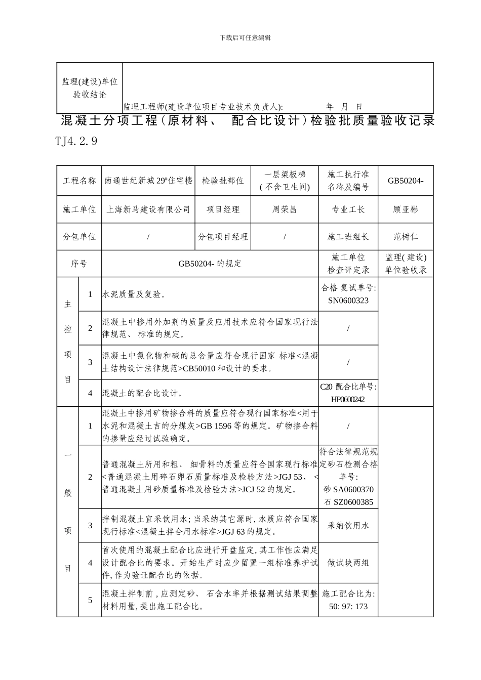
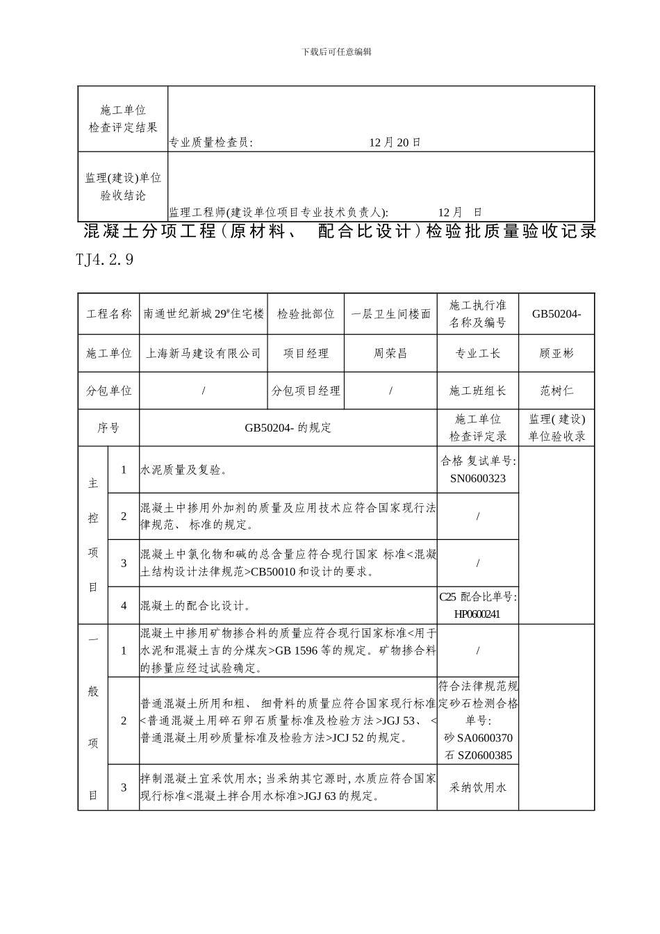
下载后可任意编辑混 凝 土 分 项 工 程 ( 原 材 料 、 配 合 比 设 计 ) 检 验 批 质 量 验 收 记 录 TJ4.2.9工程名称翰林府二标段-8#楼检验批部位后浇带东侧五层柱及顶板、 梁施工执行准名称及编号GB50204- 施工单位 南通清华建设工程有限公司项目经理朱步生专业工长冒建分包单位分包项目经理施工班组长序号GB50204- 的规定施工单位检查评定录监理( 建设) 单位验收录主控项目1水泥质量及复验。详见砼配合比单2混凝土中掺用外加剂的质量及应用技术应符合国家现行法律规范、 标准的规定。符合要求3混凝土中氯化物和碱的总含量应符合现行国家 标准<混凝土结构设计法律规范>CB50010 和设计的要求。详见砼配合比单4混凝土的配合比设计。C30 详见砼配合比单一般项目1混凝土中掺用矿物掺合料的质量应符合现行国家标准<用于水泥和混凝土吉的分煤灰>GB 1596 等的规定。矿物掺合料的掺量应经过试验确定。符合要求2普通混凝土所用和粗、 细骨料的质量应符合国家现行标准<普通混凝土用碎石卵石质量标准及检验方法 >JGJ 53、 <普通混凝土用砂质量标准及检验方法>JCJ 52 的规定。详见砼配合比单3拌制混凝土宜采饮用水; 当采纳其它源时, 水质应符合国家现行标准<混凝土拌合用水标准>JGJ 63 的规定。符合法律规范要求4首次使用的混凝土配合比应进行开盘监定, 其工作性应满足设计配合比的要求。开始生产时应少留置一组标准养护试件, 作为验证配合比的依据。标养一组、 同条件一组、 拆模一组5混凝土拌制前 , 应测定砂、 石含水率并根据测试结果调整材料用量, 提出施工配合比。详见砼配合比单施工单位检查评定结果符合设计要求专业质量检查员: 年 月 日下载后可任意编辑监理(建设)单位验收结论 监理工程师(建设单位项目专业技术负责人): 年 月 日混 凝 土 分 项 工 程 ( 原 材 料 、 配 合 比 设 计 ) 检 验 批 质 量 验 收 记 录 TJ4.2.9工程名称南通世纪新城 29#住宅楼检验批部位一层梁板梯( 不含卫生间) 施工执行准名称及编号GB50204- 施工单位上海新马建设有限公司项目经理周荣昌专业工长顾亚彬分包单位/分包项目经理/施工班组长范树仁序号GB50204- 的规定施工单位检查评定录监理( 建设) 单位验收录主控项目1水泥质量及复验。合格 复试单号: SN06003232混凝土中掺用外加剂的质量及应用技术应符合国家现行法律规范、 标准的规定。/3混凝土中氯化物和碱的...

1、当您付费下载文档后,您只拥有了使用权限,并不意味着购买了版权,文档只能用于自身使用,不得用于其他商业用途(如 [转卖]进行直接盈利或[编辑后售卖]进行间接盈利)。
2、本站所有内容均由合作方或网友上传,本站不对文档的完整性、权威性及其观点立场正确性做任何保证或承诺!文档内容仅供研究参考,付费前请自行鉴别。
3、如文档内容存在违规,或者侵犯商业秘密、侵犯著作权等,请点击“违规举报”。

碎片内容

混凝土分项工程原材料配合比设计检验批质量验收记录样本

确认删除?
VIP
微信客服
  • 扫码咨询
会员Q群
  • 会员专属群点击这里加入QQ群
客服邮箱
回到顶部