电脑桌面
添加小米粒文库到电脑桌面
安装后可以在桌面快捷访问

真石漆漆施工工艺及方案

真石漆漆施工工艺及方案_第1页
1/5
真石漆漆施工工艺及方案_第2页
2/5
真石漆漆施工工艺及方案_第3页
3/5
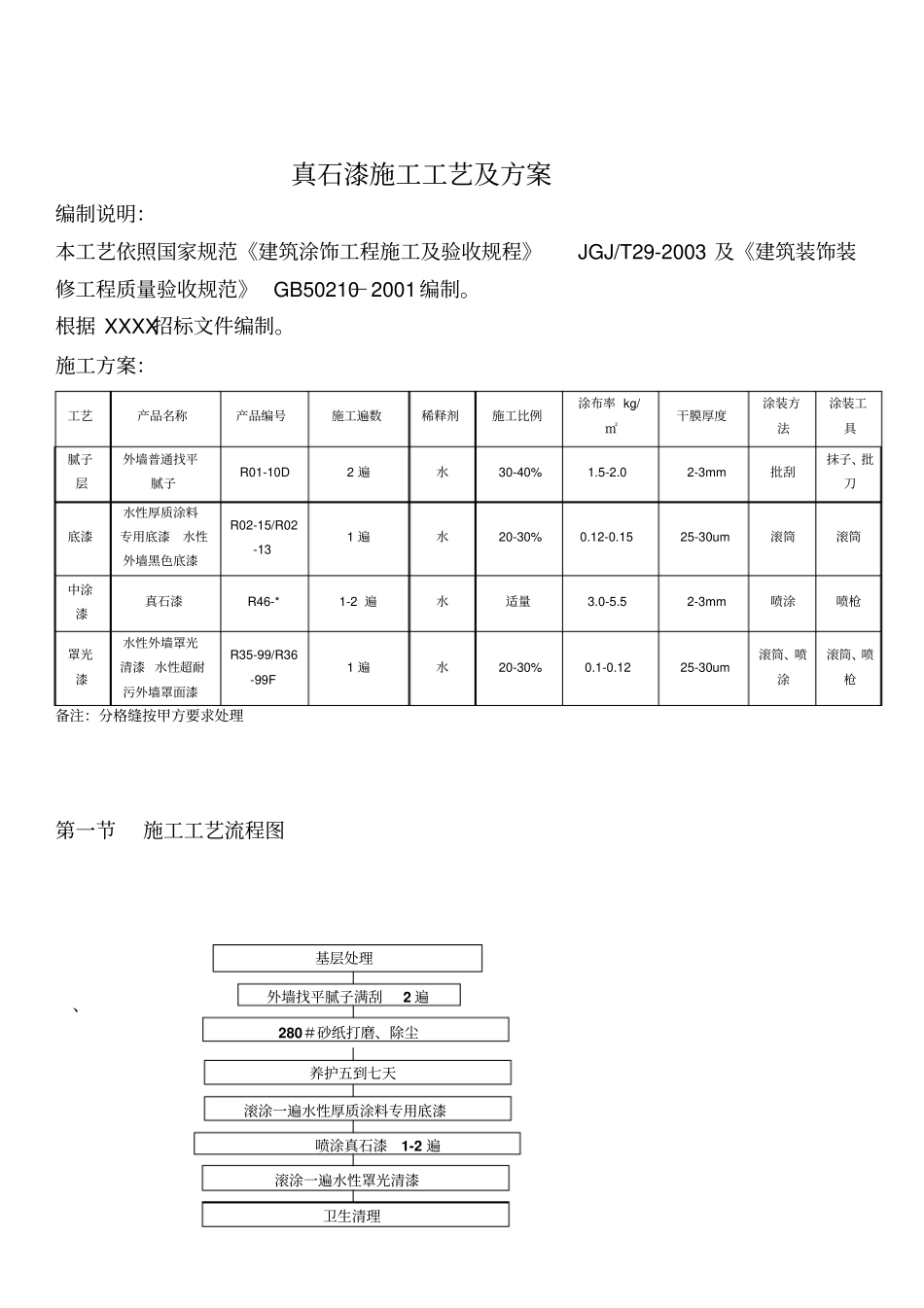
真石漆施工工艺及方案编制说明:本工艺依照国家规范《建筑涂饰工程施工及验收规程》JGJ/T29-2003 及《建筑装饰装修工程质量验收规范》 GB50210-2001 编制。根据 XXXX招标文件编制。施工方案:工艺产品名称产品编号施工遍数稀释剂施工比例涂布率 kg/㎡干膜厚度涂装方法涂装工具腻子层外墙普通找平腻子R01-10D 2 遍水30-40% 1.5-2.0 2-3mm 批刮抹子、批刀底漆水性厚质涂料专用底漆水性外墙黑色底漆R02-15/R02-13 1 遍水20-30% 0.12-0.15 25-30um 滚筒滚筒中涂漆真石漆R46-* 1-2 遍水适量3.0-5.5 2-3mm 喷涂喷枪罩光漆水性外墙罩光清漆 水性超耐污外墙罩面漆R35-99/R36-99F 1 遍水20-30% 0.1-0.12 25-30um 滚筒、喷涂滚筒、喷枪备注:分格缝按甲方要求处理第一节施工工艺流程图、基层处理外墙找平腻子满刮2 遍280#砂纸打磨、除尘养护五到七天喷涂真石漆1-2 遍滚涂一遍水性罩光清漆卫生清理滚涂一遍水性厚质涂料专用底漆第二节施工方法及质量控制一、基材要求及处理据 JGJ/T29-2003《建筑涂饰工程施工及验收规范》的要求:1、基层应牢固,不开裂、不掉粉、不起砂、不空鼓、无剥离、和无附着力不良的旧涂层。2、基层应表面平整,立面垂直,阴阳角垂直、方正和无缺棱掉角、分格缝深浅一致且横平竖直。允许偏差应符合JGJ/T29-2003 的验收规范中级及以上要求。3、基层应清洁,表表面无灰尘、无浮浆、无油迹、无锈斑、无霉点、无盐类析出物和无青苔等杂物。4、新抹的水泥砂浆一般夏季养护21 天,冬季养护 28 天以上,基层含水率小于10%,PH值小于 10 方可进行外墙涂料的施工。5、腻子层应符合 JG/T157-2004《建筑外墙用腻子》,白色腻子符合 R级或以上标准,灰色腻子符合 P级或以上标准。二、外墙腻子批刮找平:1、腻子调配:R01-10D 外墙普通找平腻子。a) 调配腻子粉料:先加30%-40%水在桶里,然后慢慢加入腻子粉,用电动搅拌器搅拌均匀,调配成合适的粘度。b) 腻子粉与水调配后,应放置10 分钟后开始施工,超过4 小时的腻子不宜使用。c) 腻子施工应由建筑物自上而下, 每个立面自左向右进行批刮, 要求腻批刮平整光滑。d) 待腻子表干达到适宜的强度后,使用280 号砂纸将腻子打磨平整。2、清水养护:打磨后每天清水养护二到三次,养护五到七天,养护过后的基层进行检测含水率及PH 值是否达标,如PH 值超标,还应清水养护一直到PH 值<10为止;含水率控制在10%以下,如超标应多凉干一至多天到达标;三、...

1、当您付费下载文档后,您只拥有了使用权限,并不意味着购买了版权,文档只能用于自身使用,不得用于其他商业用途(如 [转卖]进行直接盈利或[编辑后售卖]进行间接盈利)。
2、本站所有内容均由合作方或网友上传,本站不对文档的完整性、权威性及其观点立场正确性做任何保证或承诺!文档内容仅供研究参考,付费前请自行鉴别。
3、如文档内容存在违规,或者侵犯商业秘密、侵犯著作权等,请点击“违规举报”。

碎片内容

真石漆漆施工工艺及方案

确认删除?
VIP
微信客服
  • 扫码咨询
会员Q群
  • 会员专属群点击这里加入QQ群
客服邮箱
回到顶部