电脑桌面
添加小米粒文库到电脑桌面
安装后可以在桌面快捷访问

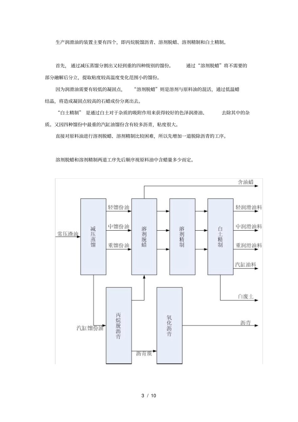
石油化工工艺说明

石油化工工艺说明_第1页
1/6
石油化工工艺说明_第2页
2/6
石油化工工艺说明_第3页
3/6
1 / 10 石油化工工艺说明上海海得控制系统股份有限公司网络部 张兆中2005-10 2 / 10 石油的炼制石油炼制主要用于生产燃料用油和润滑油。生产燃料用油的石油炼制流程中有三个装置,即蒸馏、裂化、焦化的装置。常减压蒸馏装置使原油分出汽油、煤油、 柴油后, 以减压蒸馏所得馏出油作为催化裂化的原料油。减压蒸馏塔底得到的渣油作为延迟焦化的原料油。这样使轻、 重馏份油均有适当的出路,而且可以较多地获得轻馏份油(汽油、煤油、柴油、),流程较为简单。3 / 10 生产润滑油的装置主要有四个,即丙烷脱馏沥青、溶剂脱蜡、溶剂精制和白土精制。首先, 通过减压蒸馏分割出又轻到重的四种级别的馏份。通过“溶剂脱蜡”将不需要的部分融解后分立,提取粘度较高温度变化范围小的馏份。因为润滑油需要有较低的凝固点,“溶剂脱蜡”则是溶剂与原料油的混活,通过低温蜡结晶,将造成凝固点较高的石蜡成份分离出去。“白土精制” 是通过白土对于杂质的吸附作用来获得较好的色泽润滑油、去除其中的杂质。又因四种馏份中最重的汽缸油馏份含有较多沥青,粘度很大。直接对原料油进行溶剂脱蜡、溶剂精制比较困难,所以先增加一道脱除沥青的工序。溶剂脱蜡和溶剂精制两道工序先后顺序视原料油中含蜡量多少而定。4 / 10 蒸馏原油经过脱盐脱水后、由于各种烃类的沸点不同,在原油加热时,沸点低的先行蒸出,沸点高的留在后边。蒸馏用于将原油分割成汽油、煤油、轻柴油、重柴油、及润滑油馏份。或在二次加工中进行进一步准确分割将重整原料、催化裂化原料、加氢裂化原料分离,回收润滑剂溶剂等。由于重馏份沸点较高,易导致烃类裂解,生成交谈。为避免焦炭堵塞设备,采取减压条件进行蒸馏。塔内注入过热蒸汽,以降低馏份油的分压,提高蒸馏效果。为使馏份油分割更加清楚,塔顶打入较轻馏份作为回流,并将流出塔的馏份油送入汽提塔,进行蒸汽汽提,分离比要求轻的馏份,最后各个馏份通过换热器回收部分热量,再经冷却器水冷后贮藏。5 / 10 汽提:蒸汽提取,蒸汽从油中溢出时可带走较轻的馏份。回流:在回流过程可使油的蒸汽中重的馏份由于热量传给回流液而冷却只液体,易于不同馏份分割。6 / 10 裂化裂化是将石油中的重组份分裂成为轻组份,以便获得更多价值较高的产品。裂化有三种不同类型,一种是热裂化, 即完全依靠热能进行裂化。热裂化根据原料和裂化深度的不同又分为减粘、裂化、焦化。减粘裂化将渣油加热到一定温度的轻度裂化,加热...

1、当您付费下载文档后,您只拥有了使用权限,并不意味着购买了版权,文档只能用于自身使用,不得用于其他商业用途(如 [转卖]进行直接盈利或[编辑后售卖]进行间接盈利)。
2、本站所有内容均由合作方或网友上传,本站不对文档的完整性、权威性及其观点立场正确性做任何保证或承诺!文档内容仅供研究参考,付费前请自行鉴别。
3、如文档内容存在违规,或者侵犯商业秘密、侵犯著作权等,请点击“违规举报”。

碎片内容

石油化工工艺说明

您可能关注的文档

确认删除?
VIP
微信客服
  • 扫码咨询
会员Q群
  • 会员专属群点击这里加入QQ群
客服邮箱
回到顶部