电脑桌面
添加小米粒文库到电脑桌面
安装后可以在桌面快捷访问

破碎机定期检查表

破碎机定期检查表_第1页
1/9
破碎机定期检查表_第2页
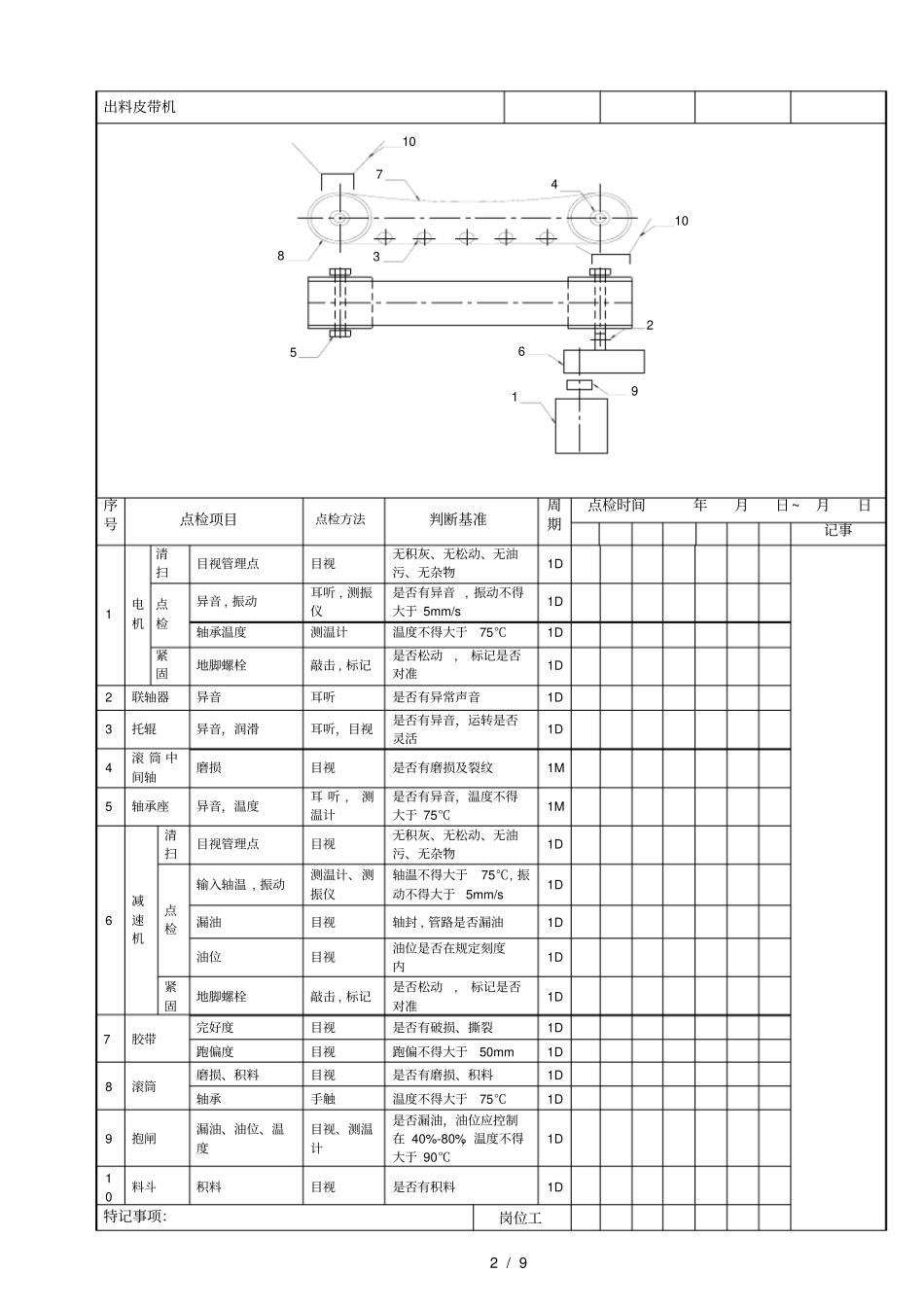
2/9
破碎机定期检查表_第3页
3/9
1 / 9 破碎系统定期检查表编号:破碎站设备名称石灰石破碎机序号点检项目点检方法判断基准周期点检时间年月日~ 月日记事1 电机清扫目视管理点目视无积灰、无松动、无油污、无杂物1D 点检异音 , 振动耳听 , 测振仪是否有异音 , 振动不得大于 5mm/s 1D 轴承温度测温计温度不得大于75℃1D 紧固地脚螺栓敲击 , 标记是否松动, 标记是否对准1D 2 三角带松动磨损偏心目视是否有松动 . 磨损 . 1D 3 主轴磨损 . 开裂目视是否有磨损 . 裂纹停机时4 轴承温 度 . 振 动 .异音 . 缺油测 振 仪 . 测温计温度不得大于75℃,是否有异音. 振动不得大于5mm/s. 是否润滑正常1D 5 衬板磨损 . 开裂 . 脱落目视衬板螺栓是否磨损. 裂纹 . 脱落停机时6 转子部分锤头磨损 . 开裂目视磨损程度 . 是否有裂纹停机时篦条磨损 . 开裂目视篦条是否磨损 . 开裂停机时特记事项:岗位工班长记号:良好(√) ,注意(Δ ) ,不良(×)(请将注意及不良的项目及处理方法和结果填记事栏)( 1/1 )2 / 9 出料皮带机6154387291010序号点检项目点检方法判断基准周期点检时间年月日~ 月日记事1 电机清扫目视管理点目视无积灰、无松动、无油污、无杂物1D 点检异音 , 振动耳听 , 测振仪是否有异音 , 振动不得大于 5mm/s 1D 轴承温度测温计温度不得大于75℃1D 紧固地脚螺栓敲击 , 标记是否松动, 标记是否对准1D 2 联轴器异音耳听是否有异常声音1D 3 托辊异音,润滑耳听,目视是否有异音,运转是否灵活1D 4 滚 筒 中间轴磨损目视是否有磨损及裂纹1M 5 轴承座异音,温度耳 听 , 测温计是否有异音,温度不得大于 75℃1M 6 减速机清扫目视管理点目视无积灰、无松动、无油污、无杂物1D 点检输入轴温 , 振动测温计、测振仪轴温不得大于75℃, 振动不得大于5mm/s 1D 漏油目视轴封 , 管路是否漏油1D 油位目视油位是否在规定刻度内1D 紧固地脚螺栓敲击 , 标记是否松动, 标记是否对准1D 7 胶带完好度目视是否有破损、撕裂1D 跑偏度目视跑偏不得大于50mm 1D 8 滚筒磨损、积料目视是否有磨损、积料1D 轴承手触温度不得大于75℃1D 9 抱闸漏油、油位、温度目视、测温计是否漏油,油位应控制在 40%-80%,温度不得大于 90℃1D 10 料斗积料目视是否有积料1D 特记事项:岗位工3 / 9 班长记号:良好(√) ,注意(Δ ) ,不良(×)(请将注意及不良的项目及处理方...

1、当您付费下载文档后,您只拥有了使用权限,并不意味着购买了版权,文档只能用于自身使用,不得用于其他商业用途(如 [转卖]进行直接盈利或[编辑后售卖]进行间接盈利)。
2、本站所有内容均由合作方或网友上传,本站不对文档的完整性、权威性及其观点立场正确性做任何保证或承诺!文档内容仅供研究参考,付费前请自行鉴别。
3、如文档内容存在违规,或者侵犯商业秘密、侵犯著作权等,请点击“违规举报”。

碎片内容

破碎机定期检查表

您可能关注的文档

确认删除?
VIP
微信客服
  • 扫码咨询
会员Q群
  • 会员专属群点击这里加入QQ群
客服邮箱
回到顶部