电脑桌面
添加小米粒文库到电脑桌面
安装后可以在桌面快捷访问

郑州轻工业学院机械课程设计链板式运输机传动装置设计模板

郑州轻工业学院机械课程设计链板式运输机传动装置设计模板_第1页
1/51
郑州轻工业学院机械课程设计链板式运输机传动装置设计模板_第2页
2/51
郑州轻工业学院机械课程设计链板式运输机传动装置设计模板_第3页
3/51
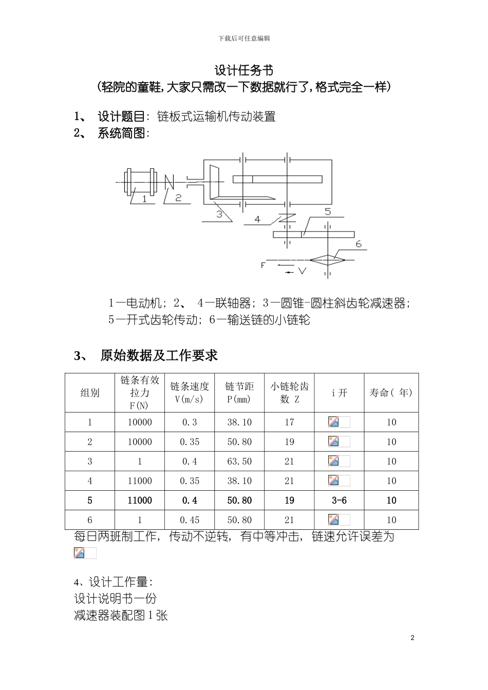
下载后可任意编辑郑州轻工业学院机械课程设计链板式运输机传动装置设计1下载后可任意编辑设计任务书(轻院的童鞋,大家只需改一下数据就行了,格式完全一样)1、 设计题目: 链板式运输机传动装置2、 系统简图: 1—电动机; 2、 4—联轴器; 3—圆锥-圆柱斜齿轮减速器; 5—开式齿轮传动; 6—输送链的小链轮3、 原始数据及工作要求组别链条有效拉力 F(N)链条速度 V(m/s)链节距 P(mm)小链轮齿数 Zi 开寿命( 年) 1100000.338.10 17102100000.3550.80 191031 0.463.50 21104110000.3538.10 21105110000.450.80 193-61061 0.4550.80 2110每日两班制工作, 传动不逆转, 有中等冲击, 链速允许误差为4、设计工作量: 设计说明书一份减速器装配图 1 张2下载后可任意编辑减速器零件图张开始日期: 1 月 4 日 完成日期: 1 月 15 日目 录 1、 设计要求… ………………………………………… ……………… …… 12、 选择电动机 ………………………………………………………………… 13、 计算传动装置的运动和动力参数 ………………………………………… 14、 传动件的设计计算 ………………………………………………………… 24.1 圆锥直齿齿轮设计 …………………………………………………… 24.2 圆柱斜齿轮设计 ……………………………………………………… 64.3 开式齿轮 ……………………………………………………………… 115、 轴的设计计算 …………………………………………………………… 155.1 输入轴设计… ……………………………………………………………155.2 中间轴设计 …………………………………………………………… 215.3 输出轴设计 …………………………………………………………… 296、 滚动轴承的选择及计算 ………………………………………………… 366.1 输入轴滚动轴承计算 ………………………………………………… 366.2 中间轴滚动轴承计算…………………………………………………… 376.3 输出轴滚动轴承计算…………………………………………………… 383下载后可任意编辑7、 键联接的选择及校核计算 ………………………………………………… 397.1 输入轴键计算 ………………………………………………………… 397.2 中间轴键计算 ………………………………………………………… 397.3 输出轴键计算 ……………………………………...

1、当您付费下载文档后,您只拥有了使用权限,并不意味着购买了版权,文档只能用于自身使用,不得用于其他商业用途(如 [转卖]进行直接盈利或[编辑后售卖]进行间接盈利)。
2、本站所有内容均由合作方或网友上传,本站不对文档的完整性、权威性及其观点立场正确性做任何保证或承诺!文档内容仅供研究参考,付费前请自行鉴别。
3、如文档内容存在违规,或者侵犯商业秘密、侵犯著作权等,请点击“违规举报”。

碎片内容

郑州轻工业学院机械课程设计链板式运输机传动装置设计模板

您可能关注的文档

确认删除?
VIP
微信客服
  • 扫码咨询
会员Q群
  • 会员专属群点击这里加入QQ群
客服邮箱
回到顶部