电脑桌面
添加小米粒文库到电脑桌面
安装后可以在桌面快捷访问

铁塔组立安全质量黄精保护及文明施工措施

铁塔组立安全质量黄精保护及文明施工措施_第1页
1/10
铁塔组立安全质量黄精保护及文明施工措施_第2页
2/10
铁塔组立安全质量黄精保护及文明施工措施_第3页
3/10
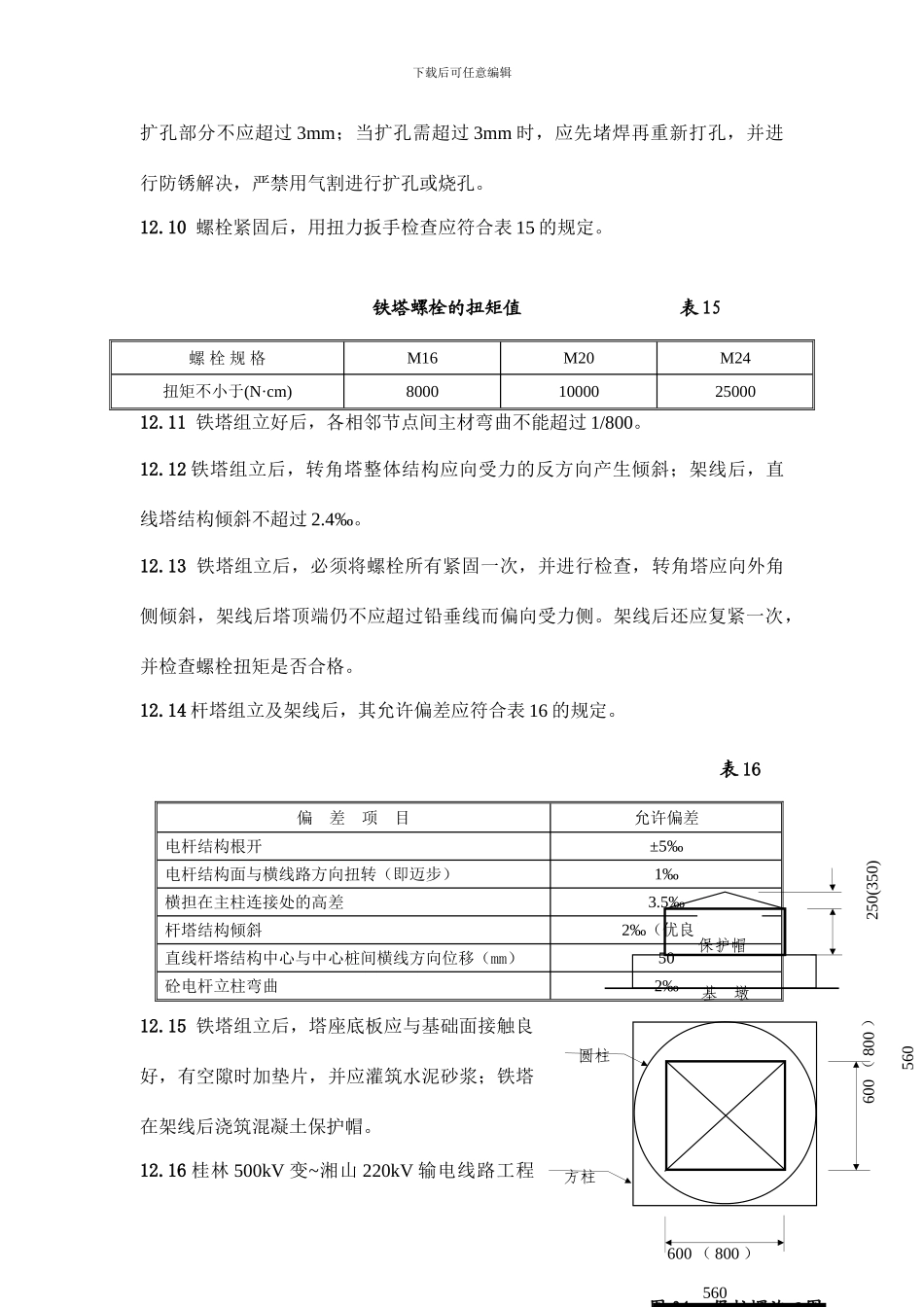
下载后可任意编辑12. 质量保证措施12.1 工程总体目的:创建区优质工程。质量满足设计和国家施工验收法律规范达成优质工程规定,实现达标投产目的。质量目的是:竣工验收合格率 100%,单位工程优良率达 99.8% 以上。12.2 组立第一基塔前,应告知监理到现场监督。12.3 组立塔前应组织组塔施工人员进行技术交底,熟悉施工图纸及有关质量规定。12.4 铁塔组立,必须在基础混凝土抗压强度达成设计强度的 70%以上(浇制后约 10 天)并经质检合格后方可进行。12.5 构件组装应紧密、牢固,对于交叉构件,在交叉处留有空隙的,应装设相应厚度的垫圈或垫板。12.6 螺栓应与构件面垂直,螺栓头平面与构件间不应有空隙,螺母拧紧后,螺杆露出螺母的长度:对单螺母不应小于 2 个螺距;对双螺母可与螺母相平,必须加垫者,每端不宜超过两个垫片。12.7 塔材因运送导致局部锌层磨损时,应补刷防锈漆,其表面再涂刷银粉漆,涂刷前应将磨损处清洗洁净并保持干燥。12.8 组塔时,塔材接料应符合下列规定:a:同一塔段的四根主材,最多允许两根接长,且设立在对角位置;b:同一截面处的横材和横隔材最多分别允许 50%构件有焊接接头;c:同一节间同一塔面的两根交叉斜材,只允许其中一根斜材有焊接接头,四个塔面的交叉斜材应布置在相同的斜向位置。12.9 塔材部件组装有困难时应查明因素,严禁强行组装。个别螺孔需扩孔时,下载后可任意编辑扩孔部分不应超过 3mm;当扩孔需超过 3mm 时,应先堵焊再重新打孔,并进行防锈解决,严禁用气割进行扩孔或烧孔。12.10 螺栓紧固后,用扭力扳手检查应符合表 15 的规定。 铁塔螺栓的扭矩值 表 15 螺 栓 规 格M16M20M24扭矩不小于(N·cm)8000100002500012.11 铁塔组立好后,各相邻节点间主材弯曲不能超过 1/800。12.12 铁塔组立后,转角塔整体结构应向受力的反方向产生倾斜;架线后,直线塔结构倾斜不超过 2.4‰。12.13 铁塔组立后,必须将螺栓所有紧固一次,并进行检查,转角塔应向外角侧倾斜,架线后塔顶端仍不应超过铅垂线而偏向受力侧。架线后还应复紧一次,并检查螺栓扭矩是否合格。12.14 杆塔组立及架线后,其允许偏差应符合表 16 的规定。表 16偏 差 项 目允许偏差电杆结构根开±5‰电杆结构面与横线路方向扭转(即迈步)1‰横担在主柱连接处的高差3.5‰杆塔结构倾斜2‰(优良)直线杆塔结构中心与中心桩间横线方向位移(mm)50砼电杆立柱弯曲2‰12.15 铁塔组立后,塔座底板应与...

1、当您付费下载文档后,您只拥有了使用权限,并不意味着购买了版权,文档只能用于自身使用,不得用于其他商业用途(如 [转卖]进行直接盈利或[编辑后售卖]进行间接盈利)。
2、本站所有内容均由合作方或网友上传,本站不对文档的完整性、权威性及其观点立场正确性做任何保证或承诺!文档内容仅供研究参考,付费前请自行鉴别。
3、如文档内容存在违规,或者侵犯商业秘密、侵犯著作权等,请点击“违规举报”。

碎片内容

铁塔组立安全质量黄精保护及文明施工措施

人从众+ 关注
实名认证
内容提供者

欢迎光临小店,本店以公文和教育为主,希望符合您的需求。

相关文档

确认删除?
VIP
微信客服
  • 扫码咨询
会员Q群
  • 会员专属群点击这里加入QQ群
客服邮箱
回到顶部