电脑桌面
添加小米粒文库到电脑桌面
安装后可以在桌面快捷访问

铁塔维护方案样本

铁塔维护方案样本_第1页
1/75
铁塔维护方案样本_第2页
2/75
铁塔维护方案样本_第3页
3/75
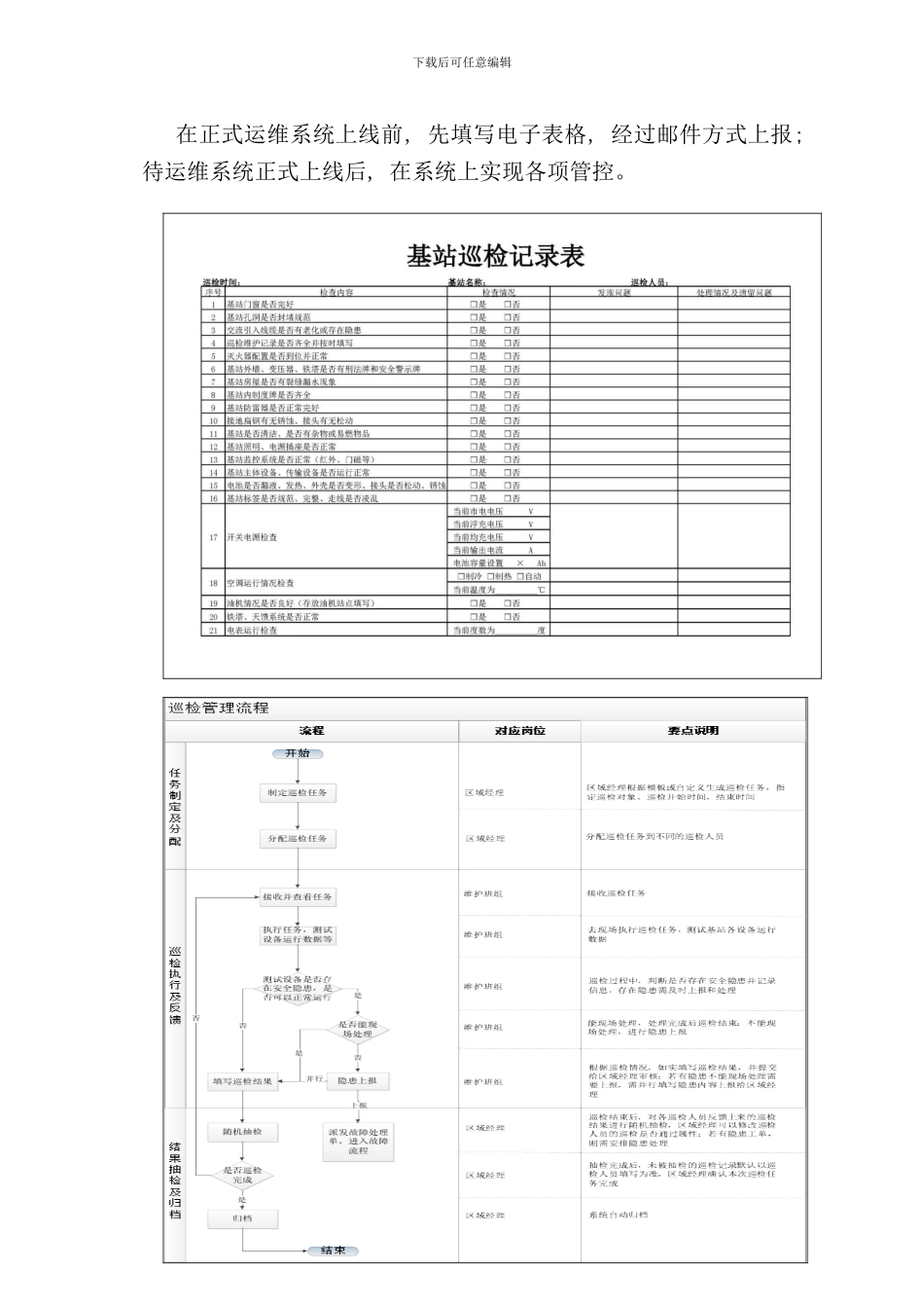
下载后可任意编辑9.1.1、 日常巡检以及巡检周期各区域巡检人员与运营商成立相对固定联合巡检小组, 负责定期对存量和新建基站进行网络设备和环境卫生的预防性巡检。基站的日常巡检包括铁塔、 基站机房、 动环配套设施、 室内分布系统和电源等自有资产。 1) 区域经理根据模版或者自定义生成巡检任务, 制定巡检对象、 巡检开始时间、 巡检结束时间等, 然后分别分配给不同的代维巡检人员。2) 代维巡检人员经过 APP 接收巡检任务, 并去现场执行巡检任务。3) 巡检过程中发现隐患时, 代维能够处理的现场处理完毕后做记录信息, 完成巡检。4) 巡检过程中发现的隐患不能处理的, 做好记录信息, 上报区域经理。5) 区域经理接到隐患报告后组织施工单位进行隐患处理。隐患处理完毕后, 巡检人员做好巡检记录。6) 区域经理对巡检结果进行随机抽测, 经过后则巡检结束。区域经理及巡检人员对巡检记录信息签字确认。原则上宏基站一个月巡检一次, 微基站( 边际网) 一季度巡检一次。在严寒、 冰凌地段, 汛期雷雨季节, 易遭受暴雨、 洪水冲刷地段需加密巡回周期。对关键部位和薄弱环节应重点检查, 对各种防护措施进行认真的检修, 确保基站设施处于完好状态。代维应按要求提供维护区域内的基站巡检工作日志。做到及早处理发现问题, 重大问题及时上报; 不能处理的问题, 列入维修计划解决。巡检期间做好巡检记录, 包括基站巡检站址、 时间、 巡检项目、 巡检所用时间、 结束时间。由区域经理及巡检人员签字确认。下载后可任意编辑在正式运维系统上线前, 先填写电子表格, 经过邮件方式上报; 待运维系统正式上线后, 在系统上实现各项管控。下载后可任意编辑9.1.2、 故障管理流程现阶段基站能够划分为新建基站和存量基站。(一)新建基站故障管理流程新建基站分为安装了动环监控的基站和未安装动环监控的基站, 新建基站临时全部交由铁塔代维单位维护, 安装了动环监控的基站根据流程操作, 未安装监控的基站由于无法及时了解基站信息由代维单位在基站附近找村民帮忙看守。假如出现情况及时反馈给维护中心或区域经理, 维护中心或区域经理及时通知县维护班组处理。新建基站故障全部统一由总部监控系统直接派给各区域维护班长。同时抄送铁塔公司区域经理。维护班长在手机 APP 上接到故障工单后, 首先对故障进行定位及甄别, 然后根据甄别结果进行处理。存量站址在交接之前因未安装动环监控, 以运营商为主实时监控和故障派单,...

1、当您付费下载文档后,您只拥有了使用权限,并不意味着购买了版权,文档只能用于自身使用,不得用于其他商业用途(如 [转卖]进行直接盈利或[编辑后售卖]进行间接盈利)。
2、本站所有内容均由合作方或网友上传,本站不对文档的完整性、权威性及其观点立场正确性做任何保证或承诺!文档内容仅供研究参考,付费前请自行鉴别。
3、如文档内容存在违规,或者侵犯商业秘密、侵犯著作权等,请点击“违规举报”。

碎片内容

铁塔维护方案样本

确认删除?
VIP
微信客服
  • 扫码咨询
会员Q群
  • 会员专属群点击这里加入QQ群
客服邮箱
回到顶部