电脑桌面
添加小米粒文库到电脑桌面
安装后可以在桌面快捷访问

铁路隧道现场监辅助坑道交叉口施工技术分析样本

铁路隧道现场监辅助坑道交叉口施工技术分析样本_第1页
1/8
铁路隧道现场监辅助坑道交叉口施工技术分析样本_第2页
2/8
铁路隧道现场监辅助坑道交叉口施工技术分析样本_第3页
3/8
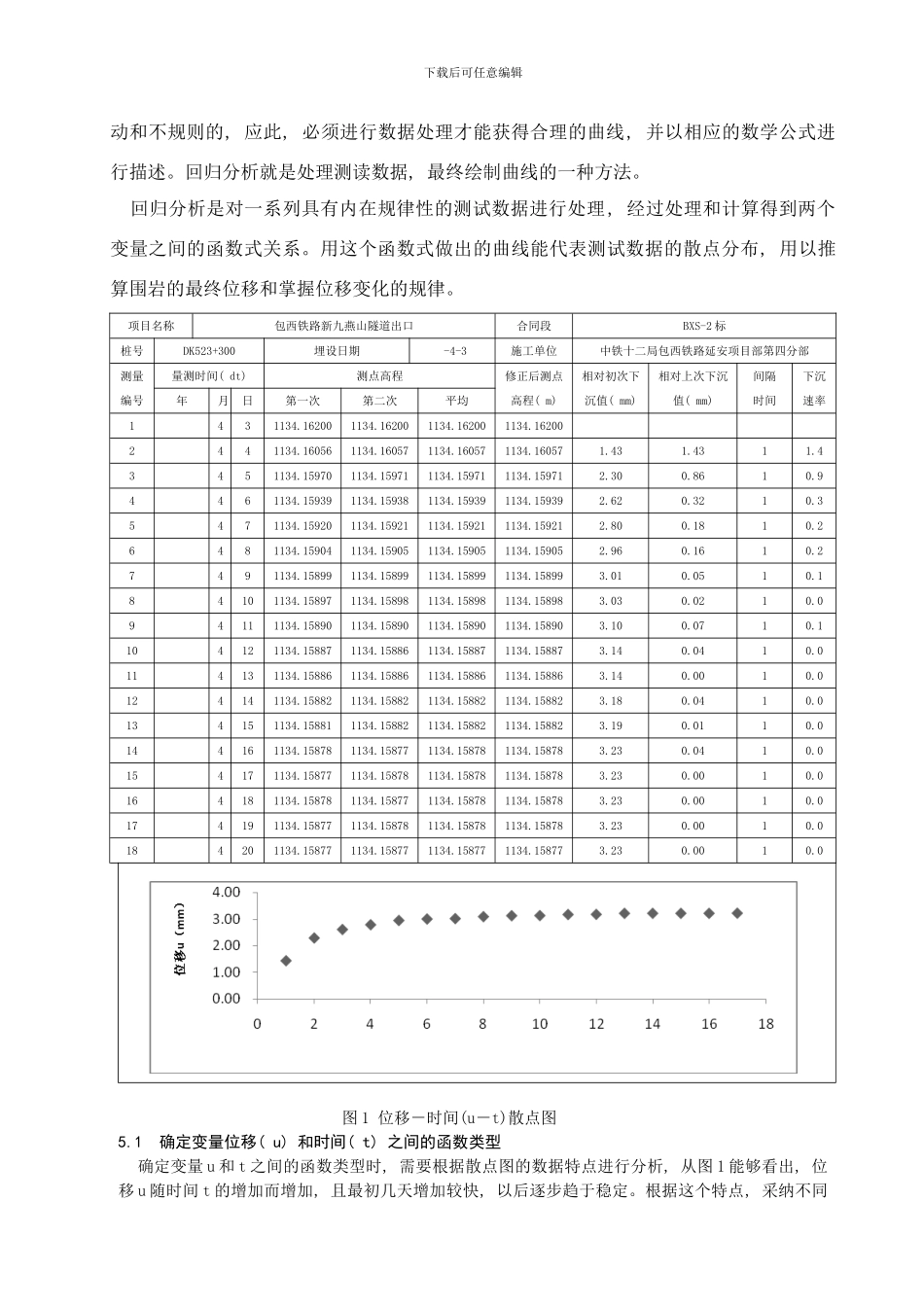
下载后可任意编辑铁路隧道现场监控量测回归分析蒲荣宇摘 要: 介绍了包西铁路通道大保当至张桥段铁路中新九燕山隧道现场监控量测记录和数据的回归分析方法, 对施工中的围岩稳定性、 二次衬砌施工时间进行了分析, 证明应用铁路隧道现场监控量测结果, 能够有利于指导铁路隧道现场施工, 科学合理确定开挖方法, 及时施工二次衬砌, 从而保证铁路隧道施工顺利进行。关键词: 铁路隧道 监控量测 围岩稳定 回归分析1 工程概况 包西铁路通道大保当至张桥段铁路新九燕山隧道位于陕西省延安市南川河与劳川河上游分水岭处的劳山川右岸黄土梁峁区, 隧道于三十里一沟左侧进洞, 下穿既有线西延铁路洪市沟二号隧道, 再穿过九燕山分水岭从前黄土沟出洞, 地面高程为 1158~1135 米。隧道起讫里程为 DK514+049~DK523+402, 全长 9353 米, 为双线隧道, 隧道除进口 312.77米位于 R-2804.53m 的曲线上, 出口 1725.09 位于 R-4004.53m 的曲线上外, 其余地段均位于直线上。洞身依次为长 5901 米的 3‰、 长 2150 米的 7‰的连续上坡, 出口为 1302 米3‰的下坡。隧道穿越了III、 IV、 V级围岩 隧道经过区出露主要地层为第四系全新统坡积砂质黄土, 中更新统风积砂质黄土, 中更新统风积黏质黄土, 上第三系红粘土及侏罗纪页岩夹砂岩。隧道经过主要不良地质为滑坡, 局部围岩稳定性差, 特别 DK521+177~DK523+402 段洞身位于第三系红粘土层, 红色粘土岩为中等膨胀土, 含较多疆石结核层富水, 受地下水浸泡, 对隧道工程影响极大, 工程性质较差。地下水类型主要为第四系孔隙水和基岩裂隙水, 是造成黄土山体变形的重要条件之一。 新九燕山隧道共设 3 个辅助坑道, 均位于线路右侧, 1 号斜井与右线线路中线交于DK517+500, 平面夹角 35°, 相交处夹角 90°, 最大坡度值 11.6%, 全长 513.06 米; 2 号斜井与右线线路中线交于 DK519+720, 平面夹角 40°, 最大坡度值 11.6%, 全长 791.7 米; 3 号斜井与右线线路中线交于 DK521+400, 平面夹角 55°34′28″, 相交处夹角 80°, 最大坡度值 11.8%, 全长 367.15 米。 本工点地震动峰值加速度值采纳 0.05g( 相当于地震基本烈度六度) , 地震动反应谱特征周期为 0.35S。下载后可任意编辑2 施工方法 本隧道施工严格根据新奥法施工, 充分利用围岩的承载自稳能力, 初期支护和二次衬砌对围岩起约束作用, 使围岩的变形在有限的空间里, 以...

1、当您付费下载文档后,您只拥有了使用权限,并不意味着购买了版权,文档只能用于自身使用,不得用于其他商业用途(如 [转卖]进行直接盈利或[编辑后售卖]进行间接盈利)。
2、本站所有内容均由合作方或网友上传,本站不对文档的完整性、权威性及其观点立场正确性做任何保证或承诺!文档内容仅供研究参考,付费前请自行鉴别。
3、如文档内容存在违规,或者侵犯商业秘密、侵犯著作权等,请点击“违规举报”。

碎片内容

铁路隧道现场监辅助坑道交叉口施工技术分析样本

确认删除?
VIP
微信客服
  • 扫码咨询
会员Q群
  • 会员专属群点击这里加入QQ群
客服邮箱
回到顶部