电脑桌面
添加小米粒文库到电脑桌面
安装后可以在桌面快捷访问

屋面彩钢板施工方案

屋面彩钢板施工方案_第1页
1/22
屋面彩钢板施工方案_第2页
2/22
屋面彩钢板施工方案_第3页
3/22
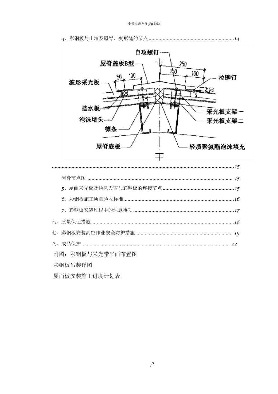
中天未来方舟 F9 地块 .1 目录 目录 ............................................................................................................................. 1 一、工程概况 3 二、编制依据 .............................................................................................................. 3 三、施工准备 .............................................................................................................. 3 1、项目部配置人员 .............................................................................................. 3 2、主要设备 ........................................................................................................ 4 3、材料进场检验及现场的堆放、搬运 .................................................................. 5 四、彩钢板生产工艺 ................................................................................................... 6 型号:AB ........................................................................................................... 8 品牌:刚子 .......................................................................................................... 8 粘合材料类型:金属类 ......................................................................................... 8 有效物质≥ 99(%) .......................................................................................... 8 剪切强度:38(MPa) ...................................................................................... 8 保质期:6(个月) .............................................................................................. 8 执行标准:国标 ................................................................................................... 8 产品简介: 双组份聚氨酯彩钢复合板胶粘剂,白胶采用本厂合成的专用聚醚改性聚酯生产,既客服了聚醚配方韧性差、本体强度及粘接强度差、耐温性差的缺点;也改善了纯聚酯配方耐湿热抗水解性能差的缺点。使胶水具有超强的粘结力、粘结层韧性好,胶层耐久,分子结构稳定,不易...

1、当您付费下载文档后,您只拥有了使用权限,并不意味着购买了版权,文档只能用于自身使用,不得用于其他商业用途(如 [转卖]进行直接盈利或[编辑后售卖]进行间接盈利)。
2、本站所有内容均由合作方或网友上传,本站不对文档的完整性、权威性及其观点立场正确性做任何保证或承诺!文档内容仅供研究参考,付费前请自行鉴别。
3、如文档内容存在违规,或者侵犯商业秘密、侵犯著作权等,请点击“违规举报”。

碎片内容

屋面彩钢板施工方案

您可能关注的文档

确认删除?
VIP
微信客服
  • 扫码咨询
会员Q群
  • 会员专属群点击这里加入QQ群
客服邮箱
回到顶部