电脑桌面
添加小米粒文库到电脑桌面
安装后可以在桌面快捷访问

屋面拆除施工方案

屋面拆除施工方案_第1页
1/10
屋面拆除施工方案_第2页
2/10
屋面拆除施工方案_第3页
3/10
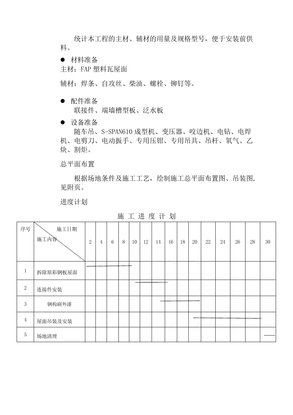
农贸市场屋面拆除、安装工程 施 工 方 案 江西雄宇(集团)有限公司 二〇一一年四月 工程概况  工程规模 本工程为农贸市场钢结构屋面工程,建筑总面积约5000m2;  工程特点 本工程屋面采用FAP 塑料瓦屋面。  本工程主要施工任务 钢结构外补油漆,及屋面拆除及更新。  施工周期 共30 天。 施工条件  道路.场地 建筑物四周要求场地平整、压实、无堆存物。以保证构件的加工、组合和吊装。  电 施工设备用电,总功率 50 千瓦,需 220V、380V 电源至施工现场。  水 能满足施工队生活需要。  风 本结构为轻型屋面,大于等于 4 级风不能吊装。 施工前准备  技术准备 编制工料分析计划。 编制生产进度。 编制本工程构件的加工工艺,下达质量控制指标,目的是用良好的工艺来保证质量。 统计本工程的主材、辅材的用量及规格型号,便于安装前供料。  材料准备 主材:FAP 塑料瓦屋面 辅材:焊条、自攻丝、柴油、螺栓、铆钉等。  配件准备 联接件、端墙槽型板、泛水板  设备准备 随车吊、S-SPAN610 成型机、变压器、咬边机、电钻、电焊机、电剪刀、电动扳手、专用压钳、专用吊具、吊杆、氧气、乙炔、割炬。 总平面布置 根据场地条件及施工工艺,绘制施工总平面布置图、吊装图,见附页。 进度计划 施 工 进 度 计 划 序号 施工日期 施工内容 2 4 6 8 10 12 14 16 18 20 22 24 26 28 30 1 拆除原彩钢板屋面 2 连接件安装 3 钢构刷外漆 4 屋面吊装及安装 5 场地清理 拆除方法及措施 根据不同的拆除对象,拆除施工应当采取不同的拆除方法和拆除顺序,但应遵守“先上后下、先非承重结构后承重结构” 的基本原则。 (一)人工与机械相结合的方法。 拆除对象:FAP 拱板屋面 拆除方法:人工与机械配合,人工用气割将拱板 20 块为一组切割一条缝,然后用机械将屋面板构件吊下去。 为了保证安全拆除,必须先了解拆除对象的结构,弄清组成房屋的各部分结构构件的传力关系,才能合理地确定拆除顺序和办法。 一般说来房屋的结构组成,由屋顶板或楼板、屋架或梁、砖墙或柱、基础四大部分组成。其传力关系也很明确。 屋顶板或楼板传力给屋架或梁,屋架或梁传力给砖墙或柱,砖墙或柱传力给基础。 因此,拆除的顺序,原则上就是承受力的主次关系,或者说按传力关系的次序来确定。即先拆最次要的受力构件,然后拆除次之受力构件,最后拆主要受...

1、当您付费下载文档后,您只拥有了使用权限,并不意味着购买了版权,文档只能用于自身使用,不得用于其他商业用途(如 [转卖]进行直接盈利或[编辑后售卖]进行间接盈利)。
2、本站所有内容均由合作方或网友上传,本站不对文档的完整性、权威性及其观点立场正确性做任何保证或承诺!文档内容仅供研究参考,付费前请自行鉴别。
3、如文档内容存在违规,或者侵犯商业秘密、侵犯著作权等,请点击“违规举报”。

碎片内容

屋面拆除施工方案

您可能关注的文档

确认删除?
VIP
微信客服
  • 扫码咨询
会员Q群
  • 会员专属群点击这里加入QQ群
客服邮箱
回到顶部