电脑桌面
添加小米粒文库到电脑桌面
安装后可以在桌面快捷访问

屋面防水工程检验批质量验收记录

屋面防水工程检验批质量验收记录_第1页
1/7
屋面防水工程检验批质量验收记录_第2页
2/7
屋面防水工程检验批质量验收记录_第3页
3/7
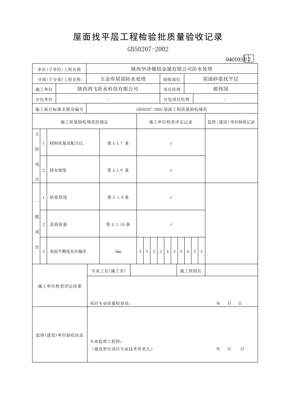
隐蔽工 程 验 收 记 录 GB50207-2002 0 4 0 2 0 4 工程名称 陕西华泽镍钴金属有限公司防水处理 施工单位 陕西鸿飞防水科技有限公司 分部(子分部)工 程 名 称 五金库屋面防水处理 分项工程名称 屋面防水 隐蔽项目 屋面旧防水层铲除 隐蔽日期 10 年 月 日 隐蔽内容 屋面旧防水层铲除 施工单位检查情况 屋面旧防水层铲除已按要求铲除完成;基层已经清理干净,无杂质。同意隐蔽。 隐蔽验收结论 施工单位 质 检 员 施 工 员 监理 (建设)单位 监理工程师(建设单位 项目专业技术负责人) 0 1 屋面找平层工程检验批质量验收记录 GB50207-2002 0 4 0 1 0 3 单位(子单位)工程名称 陕西华泽镍钴金属有限公司防水处理 分部(子分部)工程名称 五金库屋面防水处理 验收部位 屋面砂浆找平层 施工单位 陕西鸿飞防水科技有限公司 项目经理 郝伟国 分包单位 / 分包项目经理 / 施工执行标准名称及编号 GB50207-2002 屋面工程质量验收规范 施工质量验收规范的规定 施工单位检查评定记录 监理(建设)单位验收记录 主 控 项 目 1 材料质量及配合比 第4.1.7 条 √ 2 排水坡度 第4.1.8 条 √ 一 般 项 目 1 砂浆厚度 第4.1.9 条 √ 2 表面质量 第4.1.10 条 √ 3 表面平整度允许偏差 5mm 3 5 2 2 4 3 5 4 2 3 施工单位检查评定结果 专业工长(施工员) 施工班组长 项目专业质量检查员: 年 月 日 监理(建设)单位验收结论 专业监理工程师: (建设单位项目专业技术负责人) 年 月 日 0 2 屋面卷材防水层工程检验批质量验收记录 GB50207-2002 0 4 0 1 0 3 单位(子单位)工程名称 陕西华泽镍钴金属有限公司防水处理 分部(子分部)工程名称 五金库屋面防水处理 验收部位 屋面卷材防水层 施工单位 陕西鸿飞防水科技有限公司 项目经理 郝伟国 分包单位 / 分包项目经理 / 施工执行标准名称及编号 GB50207-2002 屋面工程质量验收规范 施工质量验收规范的规定 施工单位检查评定记录 监理(建设)单位验收记录 主 控 项 目 1 卷材及配套材料质量 设计要求 SBS 卷材及材料出厂资料齐全 2 卷材防水层 第4 .3 .1 6 条 隐蔽工程验收记录转角处、变形缝、穿墙管道等细部做法符合设计要求 3 防水细部构造 第4 .3 .1 7 条 基层牢固,基层洁净、平整无空鼓、松动、起砂和脱皮现象,阴阳角处均做...

1、当您付费下载文档后,您只拥有了使用权限,并不意味着购买了版权,文档只能用于自身使用,不得用于其他商业用途(如 [转卖]进行直接盈利或[编辑后售卖]进行间接盈利)。
2、本站所有内容均由合作方或网友上传,本站不对文档的完整性、权威性及其观点立场正确性做任何保证或承诺!文档内容仅供研究参考,付费前请自行鉴别。
3、如文档内容存在违规,或者侵犯商业秘密、侵犯著作权等,请点击“违规举报”。

碎片内容

屋面防水工程检验批质量验收记录

确认删除?
VIP
微信客服
  • 扫码咨询
会员Q群
  • 会员专属群点击这里加入QQ群
客服邮箱
回到顶部