电脑桌面
添加小米粒文库到电脑桌面
安装后可以在桌面快捷访问

崩塌(危岩体)、泥石流规模级别划分标准

崩塌(危岩体)、泥石流规模级别划分标准_第1页
1/9
崩塌(危岩体)、泥石流规模级别划分标准_第2页
2/9
崩塌(危岩体)、泥石流规模级别划分标准_第3页
3/9
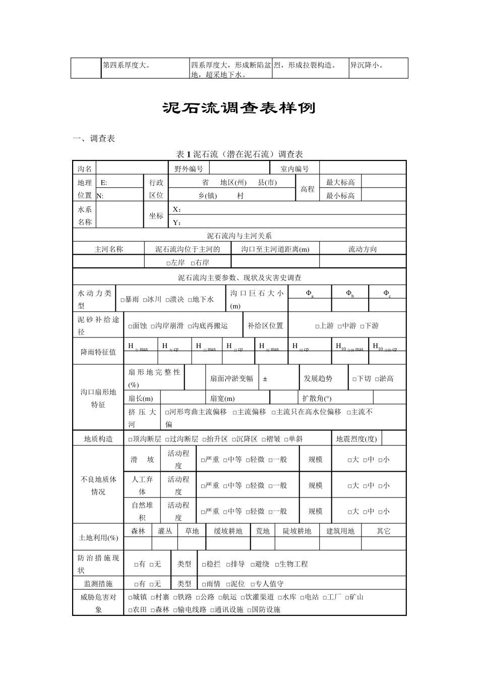
表 6 滑 坡 、 崩 塌 ( 危 岩 体 )、 泥 石 流 规 模 级 别 划 分 标 准 级 别 滑 坡 ( 104m3) 崩 塌 ( 104m3) 泥 石 流 ( 104m3) 巨 型 ≥ 1000 ≥ 100 ≥ 50 大 型 100~ 1000 10~ 100 20~ 50 中 型 10~ 100 1~ 10 2~ 20 小 型 < 10 < 1 < 2 表 13 地 质 灾 害 灾 情 和 险 情 分 级 标 准 死 亡 人 数 ( 人 ) 受 威 胁 人 数 ( 人 ) 直 接 经 济 损 失 ( 万 元 ) 潜 在 经 济 损 失 ( 万 元 ) 小 型 < 3 < 10 < 100 < 500 中 型 3~ 10 10~ 100 100~ 500 500~ 5000 大 型 10~ 30 100~ 1000 500~ 1000 5000~ 10000 特 大 型 ≥ 30 ≥ 1000 ≥ 1000 ≥ 10000 表 14 地 质 灾 害 易 发 区 主 要 特 征 简 表 灾 种 易 发 区 划 分 非 易 发 区 高 易 发 区 中 易 发 区 低 易 发 区 G= 4 G= 3 G=2 G= 1 滑 坡 、 崩 塌 构 造 抬 升 剧 烈 , 岩 体 破 碎 或 软 硬 相 间 ; 黄 土 垄 岗 细 梁 地 貌 、 人 类 活 动 对 自 然 环 境 影 响 强 烈 。 暴 雨 型 滑 坡 。 规 模 大 , 高 速 远 程 。 红 层 丘 陵 区 、 坡 积 层 、 构 造 抬 升 区 , 暴 雨 久 雨 。 中 小 型 滑 坡 , 中 速 , 滑 程 远 。 丘 陵 残 积 缓 坡 地 带 , 冻 融 滑 坡 。 规 模 小 。 低 速 蠕 滑 。 植 被 好 , 顺 层 滑 动 。 缺 少 滑 坡 形 成 的 地 貌 临 空条件, 基本上无自 然 滑 坡 , 局部溜滑 。 泥 石 流 地 形 陡峭, 水土 流 失 严重, 形 成 坡 面泥 石 流 ; 数 量多, 10 条沟/20km 以上, 活 动强 , 超高 频, 每年暴 发 可达10 次以上。沟口堆积 扇发 育明显完整、 规 模 大 。 排泄区建筑物密集。 坡 面和 沟谷泥 石 流 , 6—10 条沟/20km; 强 烈 活 动 : 分 布广, 活 动 强 , 掩没农 田, 堵塞河流 等。 沟口堆积 扇发 育且具一定规 模 。排泄区 建筑物多。 坡 面和 沟谷泥 石 流 均有 分 布,3—5 条沟/20km; 中 等活 动 。 沟口...

1、当您付费下载文档后,您只拥有了使用权限,并不意味着购买了版权,文档只能用于自身使用,不得用于其他商业用途(如 [转卖]进行直接盈利或[编辑后售卖]进行间接盈利)。
2、本站所有内容均由合作方或网友上传,本站不对文档的完整性、权威性及其观点立场正确性做任何保证或承诺!文档内容仅供研究参考,付费前请自行鉴别。
3、如文档内容存在违规,或者侵犯商业秘密、侵犯著作权等,请点击“违规举报”。

碎片内容

崩塌(危岩体)、泥石流规模级别划分标准

您可能关注的文档

确认删除?
VIP
微信客服
  • 扫码咨询
会员Q群
  • 会员专属群点击这里加入QQ群
客服邮箱
回到顶部