电脑桌面
添加小米粒文库到电脑桌面
安装后可以在桌面快捷访问

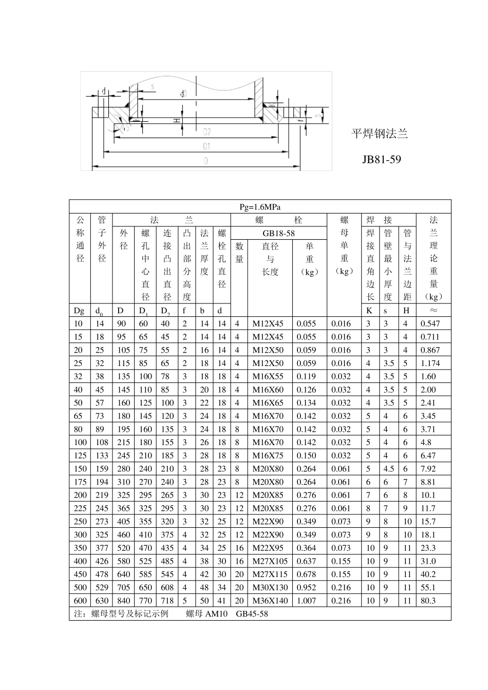
平焊钢制法兰标准及学习资料

平焊钢制法兰标准及学习资料_第1页
1/12
平焊钢制法兰标准及学习资料_第2页
2/12
平焊钢制法兰标准及学习资料_第3页
3/12
平焊钢法兰 JB81-59 Pg=0.6MPa 公称通径 管子外径 法 兰 螺 栓 螺 母 单 重 (kg) 焊 接 法 兰 理 论 重 量 (kg) 外径 螺孔中心直径 连接凸出直径 凸出部分高度 法兰厚度 螺栓孔直径 GB18-58 焊接直角边长 管壁最小厚度 管与法兰边距 数量 直径 与 长度 单 重 (kg) Dg d0 D D1 D2 f b d K s H ≈ 10 14 75 50 32 2 12 12 4 M10X38 0.035 0.011 3 3 4 0.313 15 18 80 55 40 2 12 12 4 M10X38 0.035 0.011 3 3 4 0.335 20 25 90 65 50 2 14 12 4 M10X40 0.036 0.011 3 3 4 0.536 25 32 100 75 60 2 14 12 4 M10X40 0.036 0.011 4 3.5 5 0.641 32 38 120 90 70 2 16 14 4 M12X48 0.058 0.016 4 3.5 5 1.097 40 45 130 100 80 3 16 14 4 M12X48 0.058 0.016 4 3.5 5 1.219 50 57 140 110 90 3 16 14 4 M12X48 0.058 0.016 4 3.5 5 1.348 65 73 160 130 110 3 16 14 4 M12X48 0.058 0.016 5 4 6 1.67 80 89 185 150 120 3 16 18 4 M16X55 0.119 0.032 5 4 6 2.48 100 108 205 170 145 3 16 18 4 M16X55 0.119 0.032 5 4 6 2.89 125 133 235 200 175 3 20 18 8 M16X60 0.126 0.032 5 4 6 3.94 150 159 260 225 200 3 20 18 8 M16X60 0.126 0.032 5 4.5 6 4.37 175 194 290 255 230 3 22 18 8 M16X65 0.134 0.032 6 6 7 5.50 200 219 315 280 255 3 22 18 8 M16X65 0.134 0.032 7 6 8 6.02 225 245 340 305 280 3 22 18 8 M16X65 0.134 0.032 8 7 9 6.7 250 273 370 335 310 3 24 18 12 M20X70 0.239 0.032 9 8 10 8.03 300 325 435 395 362 4 24 23 12 M20X70 0.239 0.061 9 8 10 10.3 350 377 485 455 412 4 26 23 12 M20X75 0.252 0.061 10 9 11 13.5 400 426 535 495 452 4 28 23 16 M20X80 0.264 0.061 10 9 11 15.3 450 478 590 550 506 4 28 23 16 M20X80 0.264 0.061 10 9 11 17.53 500 529 640 600 558 4 30 23 16 M20X85 0.276 0.061 10 9 11 20.67 600 630 755 715 670 5 30 25 20 M20X85 0.335 0.073 10 9...

1、当您付费下载文档后,您只拥有了使用权限,并不意味着购买了版权,文档只能用于自身使用,不得用于其他商业用途(如 [转卖]进行直接盈利或[编辑后售卖]进行间接盈利)。
2、本站所有内容均由合作方或网友上传,本站不对文档的完整性、权威性及其观点立场正确性做任何保证或承诺!文档内容仅供研究参考,付费前请自行鉴别。
3、如文档内容存在违规,或者侵犯商业秘密、侵犯著作权等,请点击“违规举报”。

碎片内容

平焊钢制法兰标准及学习资料

您可能关注的文档

确认删除?
VIP
微信客服
  • 扫码咨询
会员Q群
  • 会员专属群点击这里加入QQ群
客服邮箱
回到顶部