电脑桌面
添加小米粒文库到电脑桌面
安装后可以在桌面快捷访问

冷链物流中心穿梭式货架技术参数要求VIP免费

冷链物流中心穿梭式货架技术参数要求_第1页
1/8
冷链物流中心穿梭式货架技术参数要求_第2页
2/8
冷链物流中心穿梭式货架技术参数要求_第3页
3/8
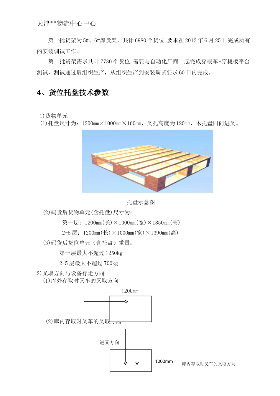
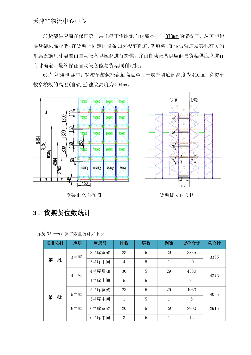
天津**物流中心中心东疆**物流中心货架需求说明书第一部分:物流中心货架布局说明1、物流中心库房类型介绍货架图纸《2012-4-11A(货架)0419.dwg》中为货架的设计图。其中库房3#、4#为全自动作业库,整个库房内没有车辆和作业人员,全部作业由自动化设备完成。库房5#、6#设计为半自动作业库,由叉车配合穿梭板进行库房存、储搬运及拣货等作业,作业方式与传统高架库房作业模式相似。在货架设计中,需要考虑设计叉车放货的限位装置。2、物流中心货架高度要求说明3#--6#库均设计为5层货架,货架及托盘有关数据如下:1)从地面算起,含货物货架总体高为9494mm,货架存货通道方向宽为1450mm;2)托盘加商品的高度为第1层1850mm,2-5层均为1390mm;3)一层含横梁高度2260mm,其他各层均为1800mm,第5层托盘底部距地面高度为8104mm;4)横梁下沿到托盘底部高度为260mm,货物和上层的净高为150mm;3#4#5#6#3#天津**物流中心中心5)货架供应商在保证第一层托盘下沿距地面距离不小于370mm的情况下,尽可能使得货架总高降低。在货架上固定的设备如穿梭车轨道、轨道梁、穿梭板轨道及其他有关的附属设施尺寸需要由自动设备供应商进行提供,并由自动设备供应商与货架供应商进行商讨确定,最终保证自动设备能与货架顺利对接。6)库房3#和4#中,穿梭车装载托盘最高点至上一层托盘底部高度为410mm,穿梭车载穿梭板的高度(含轨道)建议高度为294mm。货架正立面视图货架侧立面视图3、货架货位数统计库房3#—6#货位数量统计如下表:项目安排库房库房号排数层数列数货位合计总合计第二批3#库3#库货架23529333533553#库中间451204#库4#库后加30529435043754#库中间55125第一批5#库5#库货架28529406040655#库中间15156#库6#库货架20529290029156#库中间35115天津**物流中心中心第一批货架为5#、6#库货架,共计6980个货位,要求在2012年6月25日完成所有的安装调试工作。第二批货架需求共计7730个货位,需要与自动化厂商一起完成穿梭车+穿梭板平台测试,测试通过后组织生产,从组织生产到安装调试要求60日内完成。4、货位托盘技术参数1)货物单元(1)托盘尺寸为:1200mm×1000mm×160mm,叉孔高度为120mm,木托盘四向进叉。托盘示意图(2)码货后货物单元(含托盘)尺寸为:第一层:1200mm(长)×1000mm(宽)×1850mm(高)2-5层:1200mm(长)×1000mm(宽)×1390mm(高)(3)码货后货位单元(含托盘)重量:第一层最大不超过1250kg2-5层最大不超过700kg2)叉取方向与设备行走方向(1)库外存取时叉车的叉取方向1200mm(2)库内存取时叉车的叉取方向进叉方向1000mm库内存取时叉车的叉取方向天津**物流中心中心第二部分:货架技术参数要求1、货架要求参数1)单元货物重量(含托盘):平均700kg,最大1200kg。托盘四向进叉。2)货物单元尺寸(含托盘):1200mm×1000mm×1390mm(长×宽×高),用于2-5层1200mm×1000mm×1850mm(长×宽×高),用于1层3)货架布局需满足:货架中间的通道要保留4m以上;货架设计的两端离墙的距离是1m以上;货架的底端离墙的距离是1.15m。货架带货的总高度为9.5m4)货架立柱总高度不得低于8500mm,货物总高度不高于9500mm,货架共五层,每层必须有导轨和支撑横梁,一层托盘底部距地面500mm,托盘含货物高度1850mm,二至五层托盘含货物高度为1390mm。5)货位详细设计,需要标明货物与两侧立柱的间距和货架立柱正面尺寸,需要每层调节间距,以满足货架层高的灵活调节,货架顶部需配置水平拉杆,以保证货架的稳定性;6)货架材质,导轨材质采用优质镀锌钢卷,厚度不得小于2.5mm,需要标明导轨的水平度。立柱的钢材厚度不得小于2.0mm,货架用材的厚度与材质要充分考虑到冷库的使用环境。7)支柱底部需配有可调节式柱基板,厚度不得小于12mm,面积不小于W100mm*L160mm,以满足高精度水平调节和保护仓库地面;8)货架两端需配有机械挡板可对穿梭板进行机械制动;9)穿梭式货架系统须具有紧急救援功能,此设计需符合安全、简便原则。1200mm天津**物流中心中心2、货架连接件要求1)水平连杆将柱片水平成线型连起,成为柱片组,水平拉杆的垂直间隔为1800mm。2)横梁将柱片平行连起,一共5层,横梁的方管的...

1、当您付费下载文档后,您只拥有了使用权限,并不意味着购买了版权,文档只能用于自身使用,不得用于其他商业用途(如 [转卖]进行直接盈利或[编辑后售卖]进行间接盈利)。
2、本站所有内容均由合作方或网友上传,本站不对文档的完整性、权威性及其观点立场正确性做任何保证或承诺!文档内容仅供研究参考,付费前请自行鉴别。
3、如文档内容存在违规,或者侵犯商业秘密、侵犯著作权等,请点击“违规举报”。

碎片内容

冷链物流中心穿梭式货架技术参数要求

文章天下+ 关注
实名认证
内容提供者

各种文档应有尽有

确认删除?
VIP
微信客服
  • 扫码咨询
会员Q群
  • 会员专属群点击这里加入QQ群
客服邮箱
回到顶部