电脑桌面
添加小米粒文库到电脑桌面
安装后可以在桌面快捷访问

利辛县交通建设工程PPP项目VIP免费

利辛县交通建设工程PPP项目_第1页
1/9
利辛县交通建设工程PPP项目_第2页
2/9
利辛县交通建设工程PPP项目_第3页
3/9
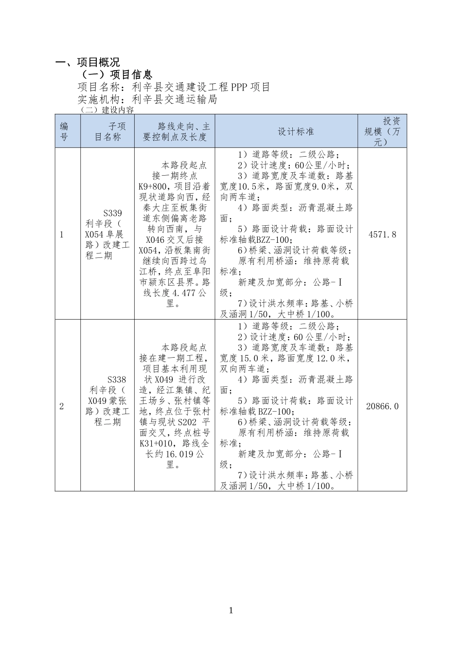
利辛县交通建设工程PPP项目实施方案简要(市场测试专用)一、项目概况(一)项目信息项目名称:利辛县交通建设工程PPP项目实施机构:利辛县交通运输局(二)建设内容编号子项目名称路线走向、主要控制点及长度设计标准投资规模(万元)1S339利辛段(X054阜展路)改建工程二期本路段起点接一期终点K9+800,项目沿着现状道路向西,经秦大庄至板集街道东侧偏离老路转向西南,与X046交叉后接X054,沿板集南街继续向西跨过乌江桥,终点至阜阳市颍东区县界。路线长度4.477公里。1)道路等级:二级公路;2)设计速度:60公里/小时;3)道路宽度及车道数:路基宽度10.5米,路面宽度9.0米,双向两车道;4)路面类型:沥青混凝土路面;5)路面设计荷载:路面设计标准轴载BZZ-100;6)桥梁、涵洞设计荷载等级:原有利用桥涵:维持原荷载标准;新建及加宽部分:公路-Ⅰ级;7)设计洪水频率:路基、小桥及涵洞1/50,大中桥1/100。4571.82S338利辛段(X049蒙张路)改建工程二期本路段起点接在建一期工程,项目基本利用现状X049进行改造,经江集镇、纪王场乡、张村镇等地,终点位于张村镇与现状S202平面交叉,终点桩号K31+010,路线全长约16.019公里。1)道路等级:二级公路;2)设计速度:60公里/小时;3)道路宽度及车道数:路基宽度15.0米,路面宽度12.0米,双向两车道;4)路面类型:沥青混凝土路面;5)路面设计荷载:路面设计标准轴载BZZ-100;6)桥梁、涵洞设计荷载等级:原有利用桥涵:维持原荷载标准;新建及加宽部分:公路-Ⅰ级;7)设计洪水频率:路基、小桥及涵洞1/50,大中桥1/100。20866.013S444利辛段(X034蒙阚路)改建工程本路段起点位于港河东岸(接蒙城拟升级S444),路线向西利用X034(位于茨淮新河北侧及利阚河南侧坝顶)进行升级改造,经宋庄、王小庙、小六里王、邵圩、阚疃闸、利辛县鸟巢水泥有限公司,终点于新河村北侧接现状S308(桩号K76+912),路线长度8.791公里。1)道路等级:二级公路;2)设计速度:60公里/小时;3)道路宽度及车道数:路基宽度12.0米,路面宽度9.0米,双向两车道;4)路面类型:沥青混凝土路面;5)路面设计荷载:路面设计标准轴载BZZ-100;6)桥梁、涵洞设计荷载等级:原有利用桥涵:维持原荷载标准;新建及加宽部分:公路-Ⅰ级;7)设计洪水频率:路基、小桥及涵洞1/50,大中桥1/100。10748.64利辛县西淝河邵渡口大桥建设工程本路段起点设置于前杜庄西侧(接现状220乡道),路线沿220乡道向南,在轮窑厂处路线偏向西避开水利闸,跨越西淝河后,终点于李水寨西侧接104乡道,路线全长2.120公里,其中桥梁长度约500米。1)道路等级:二级公路;2)设计速度:60公里/小时;3)道路宽度及车道数:桥梁全宽15.0米,路基宽度15.0米,路面宽度12.0米,双向两车道。4)路面类型:沥青混凝土路面;5)路面设计荷载:路面设计标准轴载BZZ-100;6)桥梁荷载等级:公路-Ⅰ级;7)设计洪水频率:路基1/50,桥梁1/100。7192.85S247(原X048王胡路)马胡桥改建工程本路段位于规划S247(原县道X048)上,南北向分别连接分别省道S305与省道S340,路线长度877米,其中桥梁长度377米。1)道路等级:二级公路;2)设计速度:60公里/小时;3)道路宽度及车道数:桥梁全宽15.0米,接线渐变顺接道路。4)路面类型:沥青混凝土路面;5)路面设计荷载:路面设计标准轴载BZZ-100;6)桥梁荷载等级:公路-Ⅰ级;6968.327)设计洪水频率:路基1/50,桥梁1/100。6非建档立卡村(农村公路)本部分包含农村公路建设道路341条,项目分布与全线23个乡镇。路线总长约281.6公里。1)道路等级:四级公路;2)设计速度:20/30公里/小时;3)道路宽度及车道数:单车道/双车道。4)路面类型:水泥混凝土/沥青混凝土;5)路面设计荷载:路面设计标准轴载BZZ-100;6)桥涵荷载等级:公路-Ⅱ级;19715.2合计70062.7(三)运营维护内容项目运营维护范围包括:道桥日常管养与维护、合作期内的中修及大修工程以及其他与项目有关的、相关职能部门要求项目公司承担的管养工作。中、大修施工启动机制程序为,在实际运营期当中,项目公司对需要中、大修道路桥梁的情况上报实施机构,由实施机构检测或委...

1、当您付费下载文档后,您只拥有了使用权限,并不意味着购买了版权,文档只能用于自身使用,不得用于其他商业用途(如 [转卖]进行直接盈利或[编辑后售卖]进行间接盈利)。
2、本站所有内容均由合作方或网友上传,本站不对文档的完整性、权威性及其观点立场正确性做任何保证或承诺!文档内容仅供研究参考,付费前请自行鉴别。
3、如文档内容存在违规,或者侵犯商业秘密、侵犯著作权等,请点击“违规举报”。

碎片内容

利辛县交通建设工程PPP项目

文章天下+ 关注
实名认证
内容提供者

各种文档应有尽有

确认删除?
VIP
微信客服
  • 扫码咨询
会员Q群
  • 会员专属群点击这里加入QQ群
客服邮箱
回到顶部