电脑桌面
添加小米粒文库到电脑桌面
安装后可以在桌面快捷访问

主井检修绞车技术协议

主井检修绞车技术协议_第1页
1/12
主井检修绞车技术协议_第2页
2/12
主井检修绞车技术协议_第3页
3/12
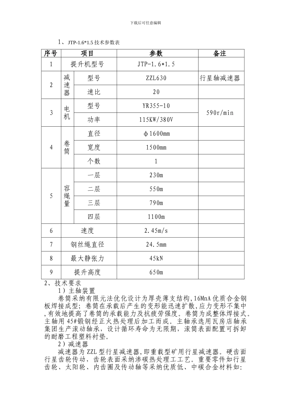
下载后可任意编辑陕西旬邑青岗坪矿业有限公司青岗坪煤矿主斜井用检修绞车技术协议甲方:陕西旬邑青岗坪矿业有限公司乙方 :常州科研试制中心有限公司下载后可任意编辑甲、乙双方就采购乙方提供 JTP-1.6 型矿井绞车 1 套,经双方友好协商,达成如下协议。一、执行标准1)《煤矿安全规程》(2024 版)。2)《金属非金属地下矿山安全规程》(GB16424-1996)。3)《矿井提升机和矿用提升绞车 安全要求》 (GB20241-2024)4)《煤矿地面多绳摩擦式提升系统设计法律规范》(MT5021-1997)。5)《直流传动矿井提升机电控设备 第二部分晶闸管电控设备》(JB/T6754.2-93)6)《工业过程测量和控制装置的电磁兼容性》(GB/T13926-92)7)《低压配电设计法律规范》(GB50054-95)8)《电气设备的抗干扰特性基本测量方法》(GB4859-84)。9)(89)中煤总生机字第 128 号文件规定的各项保护及后备保护功能。10)现行国家电工委员会及其它标准。11)进口电气设备遵守国际电工委员会 IEC 标准。12)《3-110KV 高压配电装置设计法律规范》(GB50060-92)。13)《电力装置的继电保护和自动装置的设计法律规范》(GB50062-92)。14)《矿用一般型电气设备》(GB12173-90)。15)《外壳防护等级的分类》(GB4208-84)。16)《电能质量 公用电网谐波》(GB/T14549-1993)二、使用条件井筒长度:1250m进筒倾角:16.5°三、机械部分下载后可任意编辑1、JTP-1.6*1.5 技术参数表序号项目参数备注1提升机型号JTP-1.6*1.52减 速 器型号ZZL630行星轴减速器速比203电 机型号YR355-10590r/min功率115KW/380V4卷 筒直径φ1600mm宽度1500mm个数15容 绳 量一层230m二层550m三层790m四层1100m6速度2.45m/s7钢丝绳直径24.5mm8最大静张力45kN9提升高度650m2、技术要求1)主轴装置卷筒采纳有限元法优化设计为厚壳薄支结构,16MnA 优质合金钢板焊接成型;卷筒在承载后产生的变形能迅速扩散,应力变形不集中 ,有效地提高了卷筒的承载能力及抗疲劳强度。卷筒为成整体焊接式。主轴用 45#锻钢经正火热处理后加工而成。主轴承选用瓦房店轴承集团生产滚动轴承,设计循环寿命为无限期,滚筒表面配置可拆卸的耐磨工程塑料衬垫。 2)减速器减速器为 ZZL 型行星减速器,即重载型矿用行星减速器。硬齿面行星齿轮传动,齿轮表面采纳渗碳热处理工工艺。重要零件如行星齿轮、太阳轮、内齿圈及传动轴等采纳优质低、中碳合金材料如:下载后可任意编辑18Cr2Ni4WA、42CrMo、40Cr ...

1、当您付费下载文档后,您只拥有了使用权限,并不意味着购买了版权,文档只能用于自身使用,不得用于其他商业用途(如 [转卖]进行直接盈利或[编辑后售卖]进行间接盈利)。
2、本站所有内容均由合作方或网友上传,本站不对文档的完整性、权威性及其观点立场正确性做任何保证或承诺!文档内容仅供研究参考,付费前请自行鉴别。
3、如文档内容存在违规,或者侵犯商业秘密、侵犯著作权等,请点击“违规举报”。

碎片内容

主井检修绞车技术协议

您可能关注的文档

确认删除?
VIP
微信客服
  • 扫码咨询
会员Q群
  • 会员专属群点击这里加入QQ群
客服邮箱
回到顶部