电脑桌面
添加小米粒文库到电脑桌面
安装后可以在桌面快捷访问

空调施工方案

空调施工方案_第1页
1/13
空调施工方案_第2页
2/13
空调施工方案_第3页
3/13
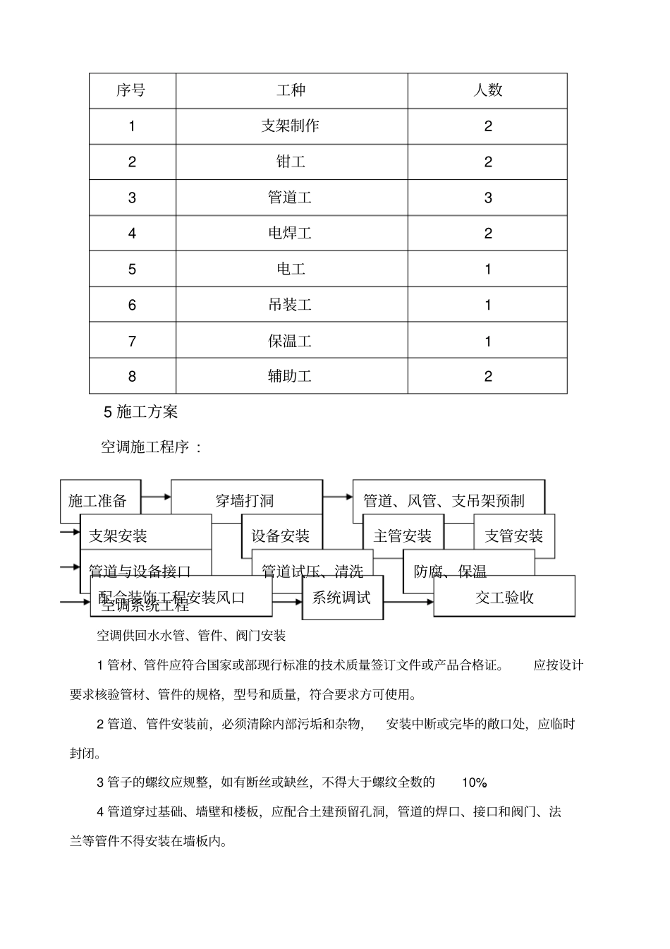
地质局办公楼空调工程施工方案编着:王大钊技术负责:赵春艳黑龙江省煤田地质测试研究中心2013 年 10 月 8 日目录工程概况主要设备一览表机构框架图劳动力进场计划施工方案安全保证措施质量保证措施保证工期控制造价的技术措施文明施工成品保护1 工程概况工程名称:地质局办公楼工程地点:哈尔滨市新永合街16-2工程范围:空调设备供货与安装计划工期: 60 天2 主要设备一览表序号名称单位数量备注1 割刀把2 2 电焊机台4 3 专用射钉枪把2 4 手动铆钉枪把5 5 钻床台2 6 氧、乙炔设备套3 Ф 6 7 倒链只4 8 电动试压泵台1 2T 5T 9 电动套丝机台2 10 手动铰板把4 11 电锤把4 Ф 20 12 手电钻把6 Ф 6 13 手用电动曲线锯把1 14 电动圆钢套丝机台1 15 电动剪刀把3 16 工程水钻把2 17 砂轮切割机台2 3 机构框架图4 劳动力进场计划工程技术部一名工长一名安全组一名采购组一名保管组一名工程师质检员资料员施工施工安全员材料员保管员项目经理序号工种人数1 支架制作2 2 钳工2 3 管道工3 4 电焊工2 5 电工1 6 吊装工1 7 保温工1 8 辅助工2 5 施工方案空调施工程序 :空调系统工程空调供回水水管、管件、阀门安装1 管材、管件应符合国家或部现行标准的技术质量签订文件或产品合格证。应按设计要求核验管材、管件的规格,型号和质量,符合要求方可使用。2 管道、管件安装前,必须清除内部污垢和杂物,安装中断或完毕的敞口处,应临时封闭。3 管子的螺纹应规整,如有断丝或缺丝,不得大于螺纹全数的10%。4 管道穿过基础、墙壁和楼板,应配合土建预留孔洞,管道的焊口、接口和阀门、法兰等管件不得安装在墙板内。施工准备穿墙打洞管道、风管、支吊架预制支架安装设备安装主管安装支管安装管道与设备接口管道试压、清洗防腐、保温配合装饰工程安装风口系统调试交工验收5 严禁在压力下的管道、容器和荷载作用下的构件上焊接与切割。6 不同管径的管道焊接, 如两管管径相差不超过小管径15%,可将大管端部直径缩小,与小管对口焊接, 如管径相差超过小管径15%,应将大管端部抽条加工成锥型,或用钢板特制的异径管。7 管道的对口焊缝或弯曲部位不得焊接支管。弯曲部位不得有焊缝, 接口焊缝距起弯点应小于 1 个管径,且不小于100mm;接口焊缝距管道支、吊架边缘应不小于50mm。8 焊接管道支管,端面与主管表面间隙不得大于2mm,并不得将支管插入主管的管孔中,支管管端应加工成马...

1、当您付费下载文档后,您只拥有了使用权限,并不意味着购买了版权,文档只能用于自身使用,不得用于其他商业用途(如 [转卖]进行直接盈利或[编辑后售卖]进行间接盈利)。
2、本站所有内容均由合作方或网友上传,本站不对文档的完整性、权威性及其观点立场正确性做任何保证或承诺!文档内容仅供研究参考,付费前请自行鉴别。
3、如文档内容存在违规,或者侵犯商业秘密、侵犯著作权等,请点击“违规举报”。

碎片内容

空调施工方案

您可能关注的文档

确认删除?
VIP
微信客服
  • 扫码咨询
会员Q群
  • 会员专属群点击这里加入QQ群
客服邮箱
回到顶部