电脑桌面
添加小米粒文库到电脑桌面
安装后可以在桌面快捷访问

空调水系统安装工程检验批质量验收记录表

空调水系统安装工程检验批质量验收记录表_第1页
1/3
空调水系统安装工程检验批质量验收记录表_第2页
2/3
空调水系统安装工程检验批质量验收记录表_第3页
3/3
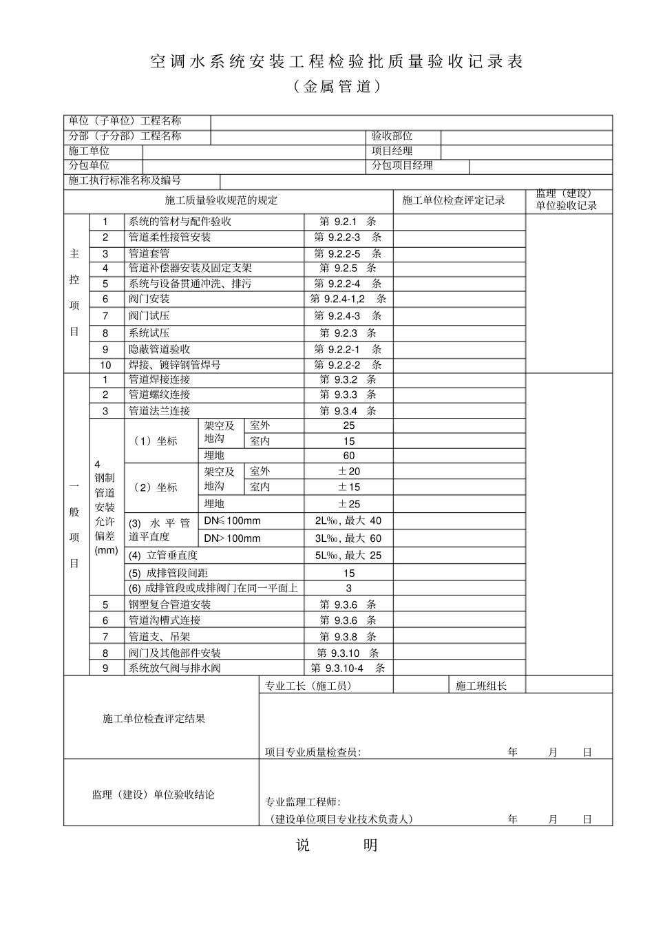
空 调 水 系 统 安 装 工 程 检 验 批 质 量 验 收 记 录 表( 金 属 管 道 )单位(子单位)工程名称分部(子分部)工程名称验收部位施工单位项目经理分包单位分包项目经理施工执行标准名称及编号施工质量验收规范的规定施工单位检查评定记录监理(建设)单位验收记录主控项目1 系统的管材与配件验收第 9.2.1条2 管道柔性接管安装第 9.2.2-3条3 管道套管第 9.2.2-5条4 管道补偿器安装及固定支架第 9.2.5条5 系统与设备贯通冲洗、排污第 9.2.2-4条6 阀门安装第 9.2.4-1,2条7 阀门试压第 9.2.4-3条8 系统试压第 9.2.3条9 隐蔽管道验收第 9.2.2-1条10 焊接、镀锌钢管焊号第 9.2.2-2条一般项目1 管道焊接连接第 9.3.2条2 管道螺纹连接第 9.3.3条3 管道法兰连接第 9.3.4条4 钢制管道安装允许偏差(mm) (1)坐标架空及地沟室外25 室内15 埋地60 (2)坐标架空及地沟室外±20 室内±15 埋地±25 (3)水 平 管道平直度DN≤100mm 2L‰, 最大 40 DN>100mm 3L‰, 最大 60 (4) 立管垂直度5L‰, 最大 25 (5) 成排管段间距15 (6) 成排管段或成排阀门在同一平面上3 5 钢塑复合管道安装第 9.3.6条6 管道沟槽式连接第 9.3.6条7 管道支、吊架第 9.3.8条8 阀门及其他部件安装第 9.3.10条9 系统放气阀与排水阀第 9.3.10-4条施工单位检查评定结果专业工长(施工员)施工班组长项目专业质量检查员:年月日监理(建设)单位验收结论专业监理工程师:(建设单位项目专业技术负责人)年月日说明主控项目1、空调水系统设备、附属设备、管道、配件、阀门的型号、规格、材质及连接形式应符合设计规定。检查产品质量证明文件,材料进场验收记录观察检查外观质量。2、管道与水泵、制冷机组必须柔性连接,与其连接的管道应设置独立支架。观察检查。3、管道接口不得设于套管内,竖直套管应高出楼层地面20~50mm,其他部位套管应与面层平齐。套管不得作为管道支撑,保温套管及其周围应用不燃绝热材料填塞。观察检查。4、补偿器安装位置必须符合设计要求,且应进行预拉(压)。并在预拉(压)前固定。固定支架结构形式、固定位置、导向支架设置应符合设计要求。观察检查。5、水系统应在冲洗、污合格,水质正常后才能与制冷机组、空调设备贯通。观察检查和检查冲洗记录。6、阀门安装位置、高度、进出口方向必须符合设计要求,连接牢固紧密。保温管上阀门连接牢固紧密。按图纸接对并观察检查。7...

1、当您付费下载文档后,您只拥有了使用权限,并不意味着购买了版权,文档只能用于自身使用,不得用于其他商业用途(如 [转卖]进行直接盈利或[编辑后售卖]进行间接盈利)。
2、本站所有内容均由合作方或网友上传,本站不对文档的完整性、权威性及其观点立场正确性做任何保证或承诺!文档内容仅供研究参考,付费前请自行鉴别。
3、如文档内容存在违规,或者侵犯商业秘密、侵犯著作权等,请点击“违规举报”。

碎片内容

空调水系统安装工程检验批质量验收记录表

您可能关注的文档

爱的疯狂+ 关注
实名认证
内容提供者

该用户很懒,什么也没介绍

确认删除?
VIP
微信客服
  • 扫码咨询
会员Q群
  • 会员专属群点击这里加入QQ群
客服邮箱
回到顶部