电脑桌面
添加小米粒文库到电脑桌面
安装后可以在桌面快捷访问

检测仪器设备清单

检测仪器设备清单_第1页
1/22
检测仪器设备清单_第2页
2/22
检测仪器设备清单_第3页
3/22
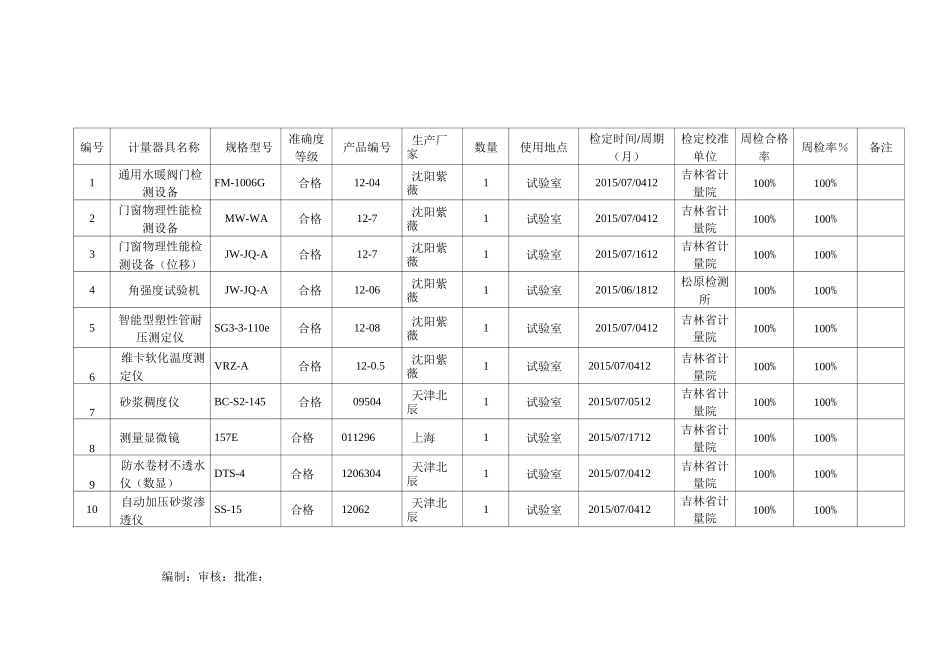
编制:审核:批准:编号计量器具名称规格型号准确度等级产品编号生产厂家数量使用地点检定时间/周期(月)检定校准单位周检合格率周检率%备注1通用水暖阀门检测设备FM-1006G合格12-04沈阳紫薇1试验室2015/07/0412吉林省计量院100%100%2门窗物理性能检测设备MW-WA合格12-7沈阳紫薇1试验室2015/07/0412吉林省计量院100%100%3门窗物理性能检测设备(位移)JW-JQ-A合格12-7沈阳紫薇1试验室2015/07/1612吉林省计量院100%100%4角强度试验机JW-JQ-A合格12-06沈阳紫薇1试验室2015/06/1812松原检测所100%100%5智能型塑性管耐压测定仪SG3-3-110e合格12-08沈阳紫薇1试验室2015/07/0412吉林省计量院100%100%6维卡软化温度测定仪VRZ-A合格12-0.5沈阳紫薇1试验室2015/07/0412吉林省计量院100%100%7砂浆稠度仪BC-S2-145合格09504天津北辰1试验室2015/07/0512吉林省计量院100%100%8测量显微镜157E合格011296上海1试验室2015/07/1712吉林省计量院100%100%9防水卷材不透水仪(数显)DTS-4合格1206304天津北辰1试验室2015/07/0412吉林省计量院100%100%10自动加压砂浆渗透仪SS-15合格12062天津北辰1试验室2015/07/0412吉林省计量院100%100%编制:审核:批准:检测仪器设备清单(见证)单位:松原市宝源建设工程检测有限公司 2015 年 1 月 5 日编制:审核:批准:编号计量器具名称规格型号准确度等级产品编号生产厂家数量使用地点检定时间/周期(月)检定校准单位周检合格率周检率%备注11自动加压混凝土渗透仪HP-4合格12064天津北辰1试验室2015/07/0412吉林省计量院100%100%12自动加压混凝土渗透仪HP-4合格12066天津北辰1试验室2015/07/0412吉林省计量院100%100%13电子天平合格09133上海浦春1试验室2015/06/2912松原市检验所100%100%14电子天平15kg合格上海友声1试验室松原市检验所100%100%15电子天平BS-30AII 级0325204上海友声1试验室松原市检验所100%100%16电子天平BS-30AIII 级05120010上海友声1试验室松原市检验所100%100%17电子天平BS-30AIII 级03250206上海友声1试验室松原市检验所100%100%18电子天平TD2039200gIII 级115495余姚市金诺1试验室2015/6/29212松原市检验所100%100%19电子天平JY2001/2000gIII 级08383上海浦春1试验室2015/06/2912松原市检验所100%100%20电子天平TD/5000gIII 级108109余 姚 市金诺1试验室2015/06/2912松原市检验所100%100%检测仪器设备清单(见证)单位:松原市宝源建设工程检测有限公司 2015 年 1 月 5 日编制...

1、当您付费下载文档后,您只拥有了使用权限,并不意味着购买了版权,文档只能用于自身使用,不得用于其他商业用途(如 [转卖]进行直接盈利或[编辑后售卖]进行间接盈利)。
2、本站所有内容均由合作方或网友上传,本站不对文档的完整性、权威性及其观点立场正确性做任何保证或承诺!文档内容仅供研究参考,付费前请自行鉴别。
3、如文档内容存在违规,或者侵犯商业秘密、侵犯著作权等,请点击“违规举报”。

碎片内容

检测仪器设备清单

wxg+ 关注
实名认证
内容提供者

该用户很懒,什么也没介绍

确认删除?
VIP
微信客服
  • 扫码咨询
会员Q群
  • 会员专属群点击这里加入QQ群
客服邮箱
回到顶部