电脑桌面
添加小米粒文库到电脑桌面
安装后可以在桌面快捷访问

粘土围堰施工方案

粘土围堰施工方案_第1页
1/2
粘土围堰施工方案_第2页
2/2
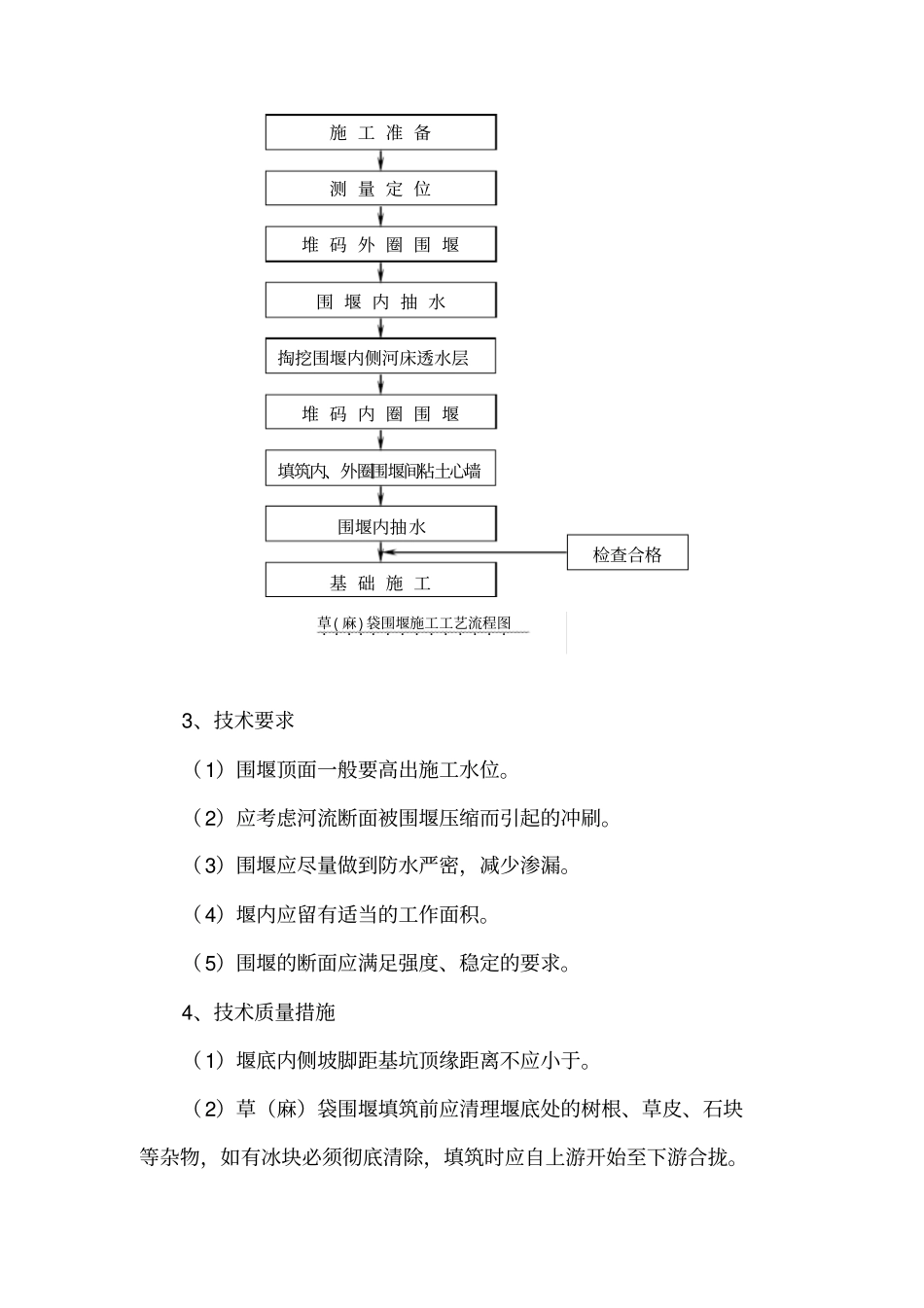
粘土围堰施工方案1、编织袋围堰编织袋围堰的主要填料为粘性土,堰顶宽取1~2 米,内侧边坡坡率取 1: ~1: ,外侧边坡取 1: ~1:1, 施工方法如下:用编织袋盛装松散粘性土,装填量为袋容量的1/2 ~2/3 ,袋口用细麻线或铁丝缝合, 施工时将土袋平放, 上下左右互相错缝堆码整齐,水中土袋用带钩的木杆钩送就位。截面取双层编织袋,中间设粘土心墙时,可用砂性土装袋。水流流速较大时,外围编织袋可用小卵石或粗砂装袋,或增加抛片石堰外防护。其结构示意图见下图:2、工艺流程草(麻)袋围堰施工工艺流程见下页图透水河床上草(麻)袋围堰结构示意图.................外侧内侧河床表面透水层不透水层1~2m填粘性土3、技术要求(1)围堰顶面一般要高出施工水位。(2)应考虑河流断面被围堰压缩而引起的冲刷。(3)围堰应尽量做到防水严密,减少渗漏。(4)堰内应留有适当的工作面积。(5)围堰的断面应满足强度、稳定的要求。4、技术质量措施(1)堰底内侧坡脚距基坑顶缘距离不应小于。(2)草(麻)袋围堰填筑前应清理堰底处的树根、草皮、石块等杂物,如有冰块必须彻底清除,填筑时应自上游开始至下游合拢。施 工 准 备测 量 定 位堆 码 外 圈 围 堰围 堰 内 抽 水掏挖围堰内侧河床透水层堆 码 内 圈 围 堰填筑内、外圈围堰间粘土心墙围堰内抽水基 础 施 工检查合格草.(.麻.).袋围堰施工工艺流程图..........

1、当您付费下载文档后,您只拥有了使用权限,并不意味着购买了版权,文档只能用于自身使用,不得用于其他商业用途(如 [转卖]进行直接盈利或[编辑后售卖]进行间接盈利)。
2、本站所有内容均由合作方或网友上传,本站不对文档的完整性、权威性及其观点立场正确性做任何保证或承诺!文档内容仅供研究参考,付费前请自行鉴别。
3、如文档内容存在违规,或者侵犯商业秘密、侵犯著作权等,请点击“违规举报”。

碎片内容

粘土围堰施工方案

您可能关注的文档

确认删除?
VIP
微信客服
  • 扫码咨询
会员Q群
  • 会员专属群点击这里加入QQ群
客服邮箱
回到顶部