电脑桌面
添加小米粒文库到电脑桌面
安装后可以在桌面快捷访问

精编【安全生产】企业安全生产主体责任考核表

精编【安全生产】企业安全生产主体责任考核表_第1页
1/15
精编【安全生产】企业安全生产主体责任考核表_第2页
2/15
精编【安全生产】企业安全生产主体责任考核表_第3页
3/15
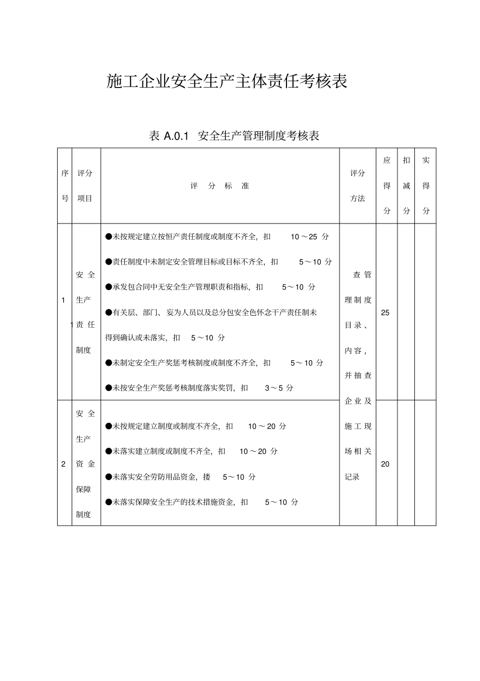
【安全生产】企业安全生产主体责任考核表xxxx 年 xx 月 xx 日xxxxxxxx 集团企业有限公司Please enter your company's name and contentv施工企业安全生产主体责任考核表表 A.0.1 安全生产管理制度考核表序号评分项目评分标准评分方法应得分扣减分实得分1 1 安 全生产责 任制度●未按规定建立按恒产责任制度或制度不齐全,扣10 ~25 分●责任制度中未制定安全管理目标或目标不齐全,扣5~10 分●承发包合同中无安全生产管理职责和指标,扣5~10 分●有关层、部门、妄为人员以及总分包安全色怀念干产责任制未得到确认或未落实,扣5 ~10 分●未制定安全生产奖惩考核制度或制度不齐全,扣5~ 10 分●未按安全生产奖惩考核制度落实奖罚,扣3~5 分查 管理 制 度目 录 、内 容 ,并 抽 查企 业 及施 工 现场 相 关记录25 2 安 全生产资 金保障制度●未按规定建立制度或制度不齐全,扣10 ~ 20 分●未落实建立制度或制度不齐全,扣10 ~20 分●未落实安全劳防用品资金,搂5~10 分●未落实保障安全生产的技术措施资金,扣5~10 分20 3 安全教育培训制度●未按规定建立制度,扣20 分●制度未明确项目经理、 安全专职人员、 特殊工种、 待岗、转岗、换岗职工、进进单位从业人员安全教育培训要求,扣5~15 分●企业无安全教育培训计划,扣10 分●为按计划实施教育培训活动或实施记录记录不齐全,扣 5~ 10分20 安 全检查制度●未按规定指定包括企业和各层次安全检查制度,扣20 分●制度未明确企业、 项目定期及日常、专项、 季节性安全检查的时间和实施要求,扣3~5 分●无检查和隐患处置、复查的记录或隐患整改未如期完成,扣5~ 10 分查 管 理制 度 目录 、 内容 , 并抽 查 企业 及 施工 现 场相 关 记录20 5 生 产安全事 故报告处 理制度●未按规定指定事故报告处理制度或制度不齐全,扣5~10 分●未按规定实施事故的报告和处理,未落实“四不放过”,扣 10 ~15 分●未建立事故档案,扣5 分●未按规定办理意外伤害保险,扣10 分●未制定事故应急预案, 未建立应急久远小组或指定专门应急人员,扣 5~10 分15 分项评分100 评分员:年月日注:“四不放过”指事故查清不放过;职工和事故责任人受不到教育不放过;事故隐患不整改不放过;事故责任人不处理不放过。表 A.0.2 资质、机构与人员管理分项考核表序号评分项目评分标准评分方法应得分扣...

1、当您付费下载文档后,您只拥有了使用权限,并不意味着购买了版权,文档只能用于自身使用,不得用于其他商业用途(如 [转卖]进行直接盈利或[编辑后售卖]进行间接盈利)。
2、本站所有内容均由合作方或网友上传,本站不对文档的完整性、权威性及其观点立场正确性做任何保证或承诺!文档内容仅供研究参考,付费前请自行鉴别。
3、如文档内容存在违规,或者侵犯商业秘密、侵犯著作权等,请点击“违规举报”。

碎片内容

精编【安全生产】企业安全生产主体责任考核表

文库响当当+ 关注
实名认证
内容提供者

该用户很懒,什么也没介绍

确认删除?
VIP
微信客服
  • 扫码咨询
会员Q群
  • 会员专属群点击这里加入QQ群
客服邮箱
回到顶部