电脑桌面
添加小米粒文库到电脑桌面
安装后可以在桌面快捷访问

分享无损检测合同样本

分享无损检测合同样本_第1页
1/6
分享无损检测合同样本_第2页
2/6
分享无损检测合同样本_第3页
3/6
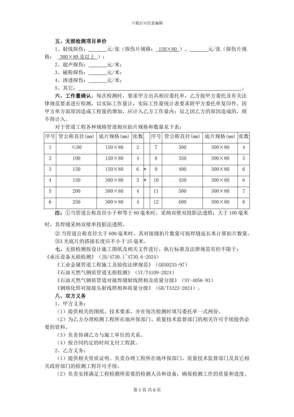
细分招聘专家,精准求职首选:检测就业网 http://jc.9yjobtm.com 合同编号:XX 中燃检合字(20XX)XXX 号无损检测工程委托合同工程名称: 工程地点: 委 托 方: 检 测 方: 委托方: (以下简称“甲方”)检测方: (以下简称“乙方”)甲方委托乙方承担无损检测工程的实施,双方为明确在检测过程中的权利和义务及经济责任,依据《中华人民共和国合同法》及其它相关法律、行政法规,遵循平等、自由、公平和诚信的原则,结合本工程的实际情况,共同订立本合同。一、工程名称: 。二、检测地点: 。三、检测内容: 。四、合同工期: 。检测招聘网|检测人才网|检测英才网|无损检测|土木工程检测网|建筑检测招聘第 0 页 共 6 页下载后可任意编辑五、无损检测项目单价1、射线探伤: 元/张(探伤片规格: 150×80 )、 元/张(探伤片规格: 300×80 及以上 );2、超声探伤: 元/米;3、磁粉探伤: 元/米;4、渗透探伤: 元/米;5、其它: 。六、工作量确认:每次检测时,要求甲方出具相应委托单,乙方按甲方委托及有关法律规范要求进行检测,以实际工作量计,实际工作量统计表要求附甲方委托单复印件。因甲方单方面原因造成工程量的增加,应计入乙方工作量内;反之因乙方的原因造成的,则不得计入。对于管道工程各种规格管道相应拍片规格和数量见下表:序号 管公称直径(mm) 底片规格(mm) 张数 序号 管公称直径(mm) 底片规格(mm) 张数1≤80150×802 7300300×8042100150×804 8350300×8053150150×806* 9400300×8064150300×803* 10450300×8065200300×804 11500300×8076250300×804 12600300×808注:①当管道公称直径小于和等于 80 毫米时,采纳双壁双投影法透照;大于 100 毫米时,其焊缝采纳双壁单投影法透照。② 当管道公称直径大于 600 毫米时,其对接缝拍片数量可按焊缝延长米计算拍片数量。③X 光底片的搭接长度应不小于 25 毫米。七、无损检测按设计施工图纸及相关文件进行,执行标准及法律规范有但不限于:《承压设备无损检测》(JB/4730.1~4730.6-2024)《工业金属管道工程施工及验收法律规范》(GB50235-97)《石油天然气钢质管道无损检测》(SY/T4109-2024)《石油天然气钢质管道对接焊缝射线照相及质量分级》(SY-4056-93)《钢熔化焊对接接头射线照相和质量分级》(GB/T3323-2024)。八、双方义务1、甲方义务:(1)提供相关的图纸、技术要求,并在每次检测时填写委托单一...

1、当您付费下载文档后,您只拥有了使用权限,并不意味着购买了版权,文档只能用于自身使用,不得用于其他商业用途(如 [转卖]进行直接盈利或[编辑后售卖]进行间接盈利)。
2、本站所有内容均由合作方或网友上传,本站不对文档的完整性、权威性及其观点立场正确性做任何保证或承诺!文档内容仅供研究参考,付费前请自行鉴别。
3、如文档内容存在违规,或者侵犯商业秘密、侵犯著作权等,请点击“违规举报”。

碎片内容

分享无损检测合同样本

您可能关注的文档

确认删除?
VIP
微信客服
  • 扫码咨询
会员Q群
  • 会员专属群点击这里加入QQ群
客服邮箱
回到顶部