电脑桌面
添加小米粒文库到电脑桌面
安装后可以在桌面快捷访问

细工程造价与骨料级配细骨料级配

细工程造价与骨料级配细骨料级配_第1页
1/9
细工程造价与骨料级配细骨料级配_第2页
2/9
细工程造价与骨料级配细骨料级配_第3页
3/9
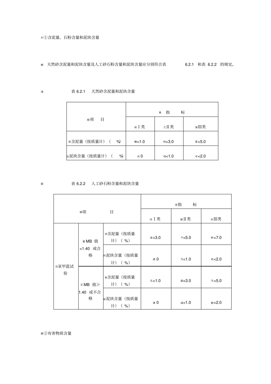
芇 6.2.2 细骨料莅羁细骨料(Fine aggregate):粒径为0.15 ~ 4.75mm 虿通常细、粗骨料的总体积占砼总体积的70%~80%。羆一、种类及特性莄河砂:洁净、质地坚硬,为配制混凝土的理想材料;莂海砂:质地坚硬,但夹有贝壳碎片及可溶性盐类蒁山砂:含有粘土及有机杂质,坚固性差;聿人工砂:富有棱角,比较洁净,但细粉、片状颗较多,成本高。蒄二、砼用砂质量要求螃一般要求:质地坚实、清洁、有害杂质含量少。衿①含泥量、石粉含量和泥块含量螈天然砂含泥量和泥块含量及人工砂石粉含量和泥块含量应分别符合表6.2.1和表 6.2.2的规定。薄表 6.2.1天然砂含泥量和泥块含量膄项目薁指标蚄Ⅰ类芁Ⅱ类肈Ⅲ类莆含泥量(按质量计)(%)螄<1.0 蚂<3.0 螀<5.0 莈泥块含量(按质量计)(%)袄 0 肂<1.0 芈<2.0 膇表 6.2.2人工砂石粉含量和泥块含量羄项目蒃指标袆Ⅰ类羄Ⅱ类袄Ⅲ类莈亚甲蓝试验罿 MB 值<1.40 或合格肃含泥量(按质量计)( %)肁<3.0 肀<5.0 蚈<7.0 袂泥块含量(按质量计)( %)蒇 0 芃<1.0 袃<2.0 芆 MB 值≥1.40 或不合格莃含泥量(按质量计)( %)芄<1.0 羂<3.0 艿<5.0 葿泥块含量(按质量计)( %)肇 0 薃<1.0 螁<2.0 膁②有害物质含量袆砂中不应混有草根、树叶、树枝塑料等杂物,如含有云母、 有机物及硫酸盐等,其含量应符合表6.2.3的规定。袇表 6.2.3砂中有害物质含量膂项目虿 指标膃Ⅰ类蝿Ⅱ类薇Ⅲ类袄云母(按质量计)(%),<芃 1.0 膀 2.0 肅 2.0 蚃轻物质(按质量计)(%),<莂 1.0 莇 1.0 螇 1.0 莂有机物(比色法)蒂合格螈合格合格硫化物及硫酸盐 (按 SO3质量计)( %),<0.50.50.5氯化物(以氯离子质量计)( %),<0.010.020.06有害物质产生危害的原因:①泥块阻碍水泥浆与砂粒结合,使强度降低;含泥量过大,会增加混凝土用水量,从而增大混凝土收缩;②云母表面光滑,为层状、片状物质,与水泥浆粘结力差,易风化,影响混凝土强度及耐久性;③泥块阻碍水泥浆与砂粒结合,使强度降低;④硫化物及硫酸盐:对水泥起腐蚀作用,降低混凝土的耐久性;⑤有机质可腐蚀水泥,影响水泥的水化和硬化。氯盐会腐蚀钢筋。三、砂的粗细程度( Mx)及颗粒级配砂的粗细程度是指不同粒径的砂粒,混合在一起后的总体砂的粗细程度。通常分为粗砂、中砂、细砂等几种。 在相同砂用量条件峡,粗砂的总表面积比细砂小,则所需要包裹砂粒表面的水泥浆少。因此,用粗砂配制混...

1、当您付费下载文档后,您只拥有了使用权限,并不意味着购买了版权,文档只能用于自身使用,不得用于其他商业用途(如 [转卖]进行直接盈利或[编辑后售卖]进行间接盈利)。
2、本站所有内容均由合作方或网友上传,本站不对文档的完整性、权威性及其观点立场正确性做任何保证或承诺!文档内容仅供研究参考,付费前请自行鉴别。
3、如文档内容存在违规,或者侵犯商业秘密、侵犯著作权等,请点击“违规举报”。

碎片内容

细工程造价与骨料级配细骨料级配

文库响当当+ 关注
实名认证
内容提供者

该用户很懒,什么也没介绍

确认删除?
VIP
微信客服
  • 扫码咨询
会员Q群
  • 会员专属群点击这里加入QQ群
客服邮箱
回到顶部