电脑桌面
添加小米粒文库到电脑桌面
安装后可以在桌面快捷访问

细石混凝土地面工程施工方案

细石混凝土地面工程施工方案_第1页
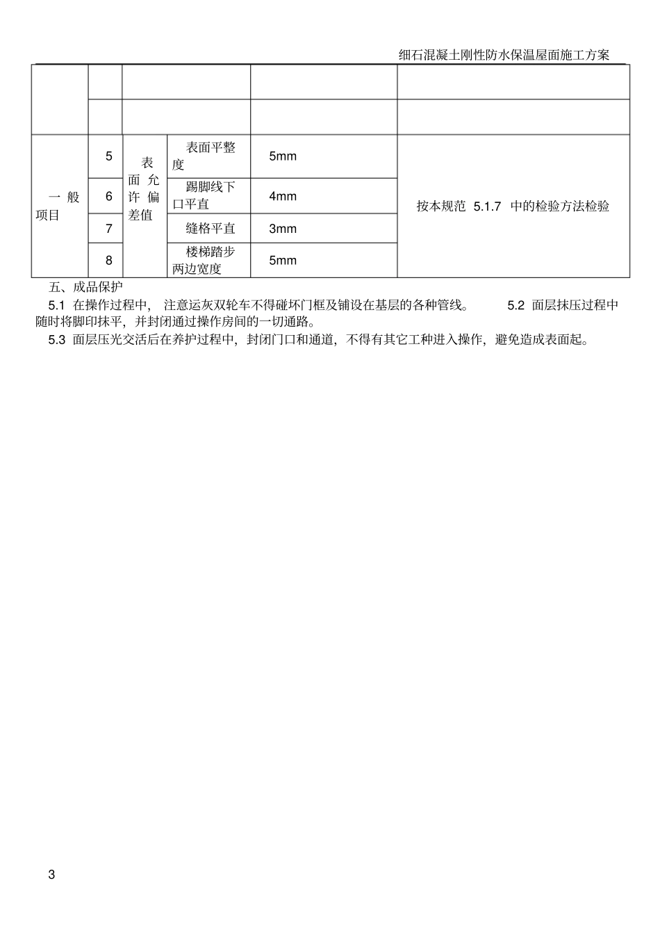
1/3
细石混凝土地面工程施工方案_第2页
2/3
细石混凝土地面工程施工方案_第3页
3/3
细石混凝土刚性防水保温屋面施工方案1细石混凝土地面工程施工方案一、工程概况二、施工准备2.1 材料及主要机具:2.1.1 水泥:应采用 32.5 号以上硅酸盐水泥、普通硅酸盐水泥和矿渣硅酸盐水泥。2.1.2 预拌 C20细石混凝土2.1.3 建筑胶2.1.4主要机具:平板振捣器、运输小车、小水桶、半截桶、扫帚、2m靠尺、铁滚子、木抹子、平锹、钢丝刷、凿子、锤子、铁抹子。2.2 作业条件:2.2.1 室内墙面已弹好 +50cm水平线。2.2.2 穿过楼板的立管已做完,管洞堵塞密实。埋在地面的电管已做完隐检手续。2.2.3 门框已安装完,并已做好保护,在门框内侧钉木板或铁皮。2.2.4 基层为预制混凝土板时,板缝混凝土应填嵌密实,板端头缝隙应采取防裂措施。三、操作工艺3.1 细石混凝土工艺流程:1 找标高、弹面层水平线→基层处理(表面拉毛)清扫干净→洒水湿润→抹灰饼→抹标筋→刷素水泥浆(内掺 15%的建筑胶)→陶粒混凝土垫层→刷素水泥浆(内掺15%的建筑胶浇筑) 30 厚 C20细石混凝土→养护。适用于地下变电所、发电机房、水泵房、制冷机房、换热机房、雨水回收机房、隔油间。2 找标高、弹面层水平线→基层处理(表面拉毛)清扫干净→洒水湿润→抹灰饼→刷素水泥浆(内掺 15%的建筑胶)→ 20mm厚 1:2.5 水泥砂浆→养护。适用于工具间、机房设备间。3、找标高、弹面层水平线→基层处理(表面拉毛)清扫干净→洒水湿润→抹灰饼→刷素水泥浆(内掺 15%的建筑胶)→浇筑C25细石混凝土 100mm厚(上配ф 4 双向 @200钢筋网)→养护。适用于地下负一层车库楼面4、找标高、弹面层水平线→基层处理(表面拉毛)清扫干净→洒水湿润→1.5mm厚聚合物水泥防水涂料→抹灰饼→陶粒混凝土垫层→30mm厚 C25细石混凝土向地漏找坡,最薄处30 厚,随打随抹找坡抹平→养护。适用于地下车库负二层楼面。3.1.1 找标高、弹面层水平线:根据墙面上已有的+50cm水平标高线,量测出地面面层的水平线,弹在四周墙面上,并要与房间以外的楼道、楼梯平台、踏步的标高相呼应,贯通一致。3.1.2基层处理:先将灰尘清扫干净,然后将粘在基层上的浆皮铲掉,用碱水将油污刷掉,最后用清水将基层冲洗干净。3.1.3 洒水湿润:在抹面层之前一天对基层表面进行洒水湿润。3.1.4抹灰饼:根据已弹出的面层水平标高线,横竖拉线,用与豆石混凝土相同配合比的拌合料抹灰饼,横竖间距1.5m,灰饼上标高就是面层标高。3.1.5 抹标筋:面积较大的房间为保证房间地面平整度,还要做标筋...

1、当您付费下载文档后,您只拥有了使用权限,并不意味着购买了版权,文档只能用于自身使用,不得用于其他商业用途(如 [转卖]进行直接盈利或[编辑后售卖]进行间接盈利)。
2、本站所有内容均由合作方或网友上传,本站不对文档的完整性、权威性及其观点立场正确性做任何保证或承诺!文档内容仅供研究参考,付费前请自行鉴别。
3、如文档内容存在违规,或者侵犯商业秘密、侵犯著作权等,请点击“违规举报”。

碎片内容

细石混凝土地面工程施工方案

确认删除?
VIP
微信客服
  • 扫码咨询
会员Q群
  • 会员专属群点击这里加入QQ群
客服邮箱
回到顶部