电脑桌面
添加小米粒文库到电脑桌面
安装后可以在桌面快捷访问

室外工程施工协议

室外工程施工协议_第1页
1/5
室外工程施工协议_第2页
2/5
室外工程施工协议_第3页
3/5
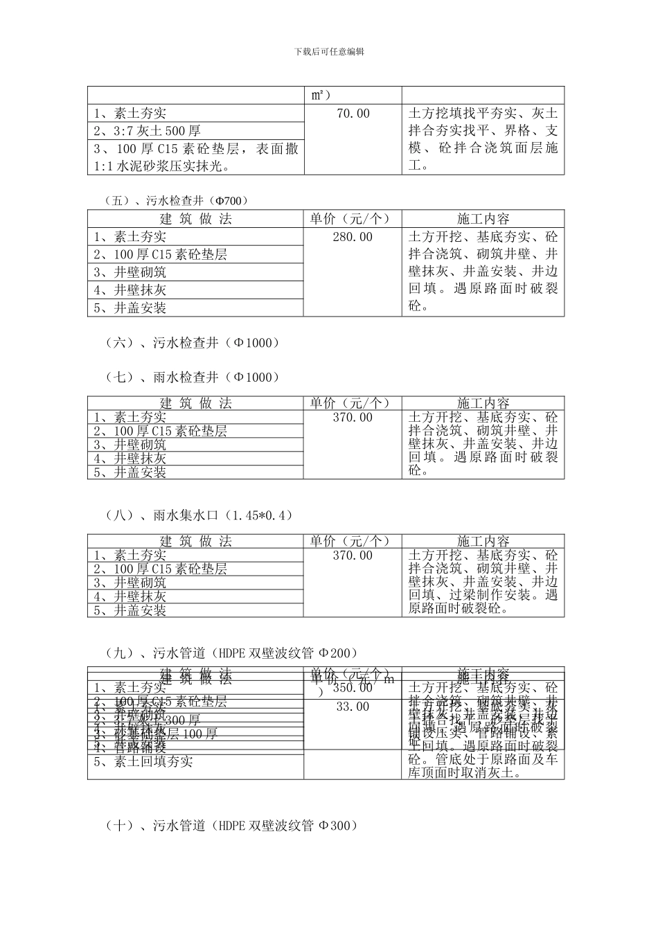
下载后可任意编辑室外工程施工协议甲方: 乙方: 经甲乙双方共同协商,甲方将 项目室外路面基层、台阶、坡道、散水、雨污水管网等工程以清包工形式包于乙方施工,为明确双方权利和义务,达成一致协议,如下:一、工程内容: 1、 4#、5#、6#、7#、8#台阶、散水、雨污水管网。2、 3#、4#、5# 以南道路、西道路、南道路相应部位雨水管网及路沿石。3、 中水站土建工程。乙方自带一切施工设备及机具。负责质量、技术、安全等全面施工管理。二、建筑做法及承包价格:采纳固定单价形式(下表) (一)、路面:建 筑 做 法单 价 ( 元 /㎡)施工内容1、素土夯实20.00土方开挖、基底夯实、灰土拌合夯实找平、水稳拌合找平压实。2、300 厚 3:7 灰土3、200 厚 7%成品水泥稳压碎石4、路沿石安装18.00 元/m(二)、台阶建 筑 做 法单价(元/㎡)施工内容1、素土夯实128.00土方开挖、基底夯实、灰土拌合夯实找平、砼拌合浇筑、砌筑台阶、拌合砂浆、镶贴花岗石、侧面抹灰。2、3:7 灰土 300 厚3、100 厚 C15 素砼垫层4、砖砌台阶 5、30 厚 1:3 干硬性水泥砂浆结合层6、20 厚花岗石面层(三)、坡道建 筑 做 法单价(元/㎡)施工内容1、素土夯实120.00土方开挖、基底夯实、灰土拌合夯实找平、砼拌合浇筑、砌筑台阶、拌合砂浆、镶贴花岗石、侧面抹灰。2、3:7 灰土 300 厚3、100 厚 C20 素砼垫层4、侧面砖砌 5、30 厚 1:3 干硬性水泥砂浆结合层6、20 厚花岗石面层(四)、散水建 筑 做 法单 价 ( 元 /施工内容下载后可任意编辑㎡)1、素土夯实70.00土方挖填找平夯实、灰土拌合夯实找平、界格、支模、砼拌合浇筑面层施工。2、3:7 灰土 500 厚3、100 厚 C15 素砼垫层,表面撒1:1 水泥砂浆压实抹光。(五)、污水检查井(Φ700) 建 筑 做 法单价(元/个)施工内容1、素土夯实280.00土方开挖、基底夯实、砼拌合浇筑、砌筑井壁、井壁抹灰、井盖安装、井边回填。遇原路面时破裂砼。2、100 厚 C15 素砼垫层3、井壁砌筑4、井壁抹灰 5、井盖安装(六)、污水检查井(Φ1000) (七)、雨水检查井(Φ1000) (八)、雨水集水口(1.45*0.4) (九)、污水管道(HDPE 双壁波纹管 Φ200) (十)、污水管道(HDPE 双壁波纹管 Φ300) 建 筑 做 法单价(元/个)施工内容1、素土夯实350.00土方开挖、基底夯实、砼拌合浇筑、砌筑井壁、井壁抹灰、井盖安装、井边回填。遇原路面时破裂砼。2、1...

1、当您付费下载文档后,您只拥有了使用权限,并不意味着购买了版权,文档只能用于自身使用,不得用于其他商业用途(如 [转卖]进行直接盈利或[编辑后售卖]进行间接盈利)。
2、本站所有内容均由合作方或网友上传,本站不对文档的完整性、权威性及其观点立场正确性做任何保证或承诺!文档内容仅供研究参考,付费前请自行鉴别。
3、如文档内容存在违规,或者侵犯商业秘密、侵犯著作权等,请点击“违规举报”。

碎片内容

室外工程施工协议

确认删除?
VIP
微信客服
  • 扫码咨询
会员Q群
  • 会员专属群点击这里加入QQ群
客服邮箱
回到顶部