电脑桌面
添加小米粒文库到电脑桌面
安装后可以在桌面快捷访问

工业品买卖合同(样本)

工业品买卖合同(样本)_第1页
1/2
工业品买卖合同(样本)_第2页
2/2
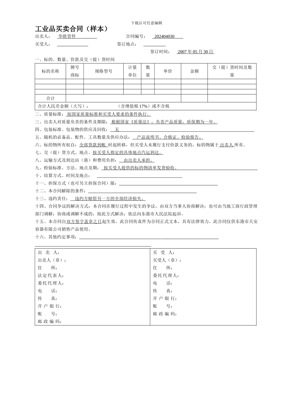
下载后可任意编辑工业品买卖合同(样本)出卖人: 华胜管件 合同编号: 2024 0 4 030 买受人: 签订地点: 签订时间: 200 7 年 05 月 30 日 一、标的、数量、价款及交(提)货时间标的名称牌号商标规格型号计量单位数量单价金额交(提)货时间及数量合计合计人民币金额(大写): (含增值税 17%)或不含税二、质量标准: 按国家质量标准和买受人要求的条件执行。 三、出卖人对质量负责的条件及期限: 根据国家《质量法》,负责产品质量,质保期为一年。 四、包装标准、包装物的供应及回收: 无 五、随机的必备品、配件、工具数量及供应办法: 产品说明书、合格证、检验报告。 六、标的物所有权自:全部货款到帐 时起转移,但买受人未履行支付价款义务的,标的物属于 出卖人 所有。七、交(提)货方式、地点、按买受人指定的 具体 地点汽运到达。 八、运输方式及到达站(港)和费用负担: 由出卖人承担。 九、检验标准、方法、地点及期: 按买受人提供的标的物清单发货验收。 十、结算方式、时间及地点: 十一、担保方式(也可另立担保合同)限: 十二、本合同解除的条件: 十三、违约责任: 违约方赔偿另一方的全部经济损失。 十四、合同争议的解决方式:本合同在履行过程中发生的争议,由双方当事人协商解决;也可由当地工商行政管理部门调解;协商或调解不成的,按此方式解决:依法向东港市人民法院起诉。十五、本合同自双方签字盖章之日起生效,此合同传真件为合同正式文本,具有法律效力。此合同仅供东港市天安容器有限公司销售产品使用。十六、其他约定事项: 出 卖 人:出卖人(章):住所: 法定代表人: 委托代理人:电话:传真:开 户 银 行: 账号:邮 政 编 码:买 受 人:买受人(章):住所:委托代理人:电话:传真:开 户 银 行:账号:邮 政 编 码:下载后可任意编辑

1、当您付费下载文档后,您只拥有了使用权限,并不意味着购买了版权,文档只能用于自身使用,不得用于其他商业用途(如 [转卖]进行直接盈利或[编辑后售卖]进行间接盈利)。
2、本站所有内容均由合作方或网友上传,本站不对文档的完整性、权威性及其观点立场正确性做任何保证或承诺!文档内容仅供研究参考,付费前请自行鉴别。
3、如文档内容存在违规,或者侵犯商业秘密、侵犯著作权等,请点击“违规举报”。

碎片内容

工业品买卖合同(样本)

确认删除?
VIP
微信客服
  • 扫码咨询
会员Q群
  • 会员专属群点击这里加入QQ群
客服邮箱
回到顶部