电脑桌面
添加小米粒文库到电脑桌面
安装后可以在桌面快捷访问

止水钢板安装技术交底

止水钢板安装技术交底_第1页
1/6
止水钢板安装技术交底_第2页
2/6
止水钢板安装技术交底_第3页
3/6
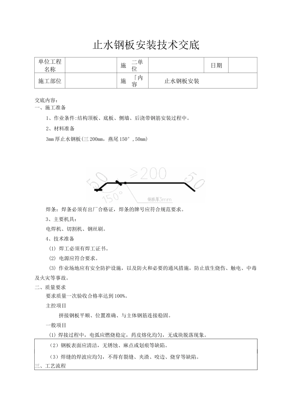
止水钢板安装技术交底单位工程名称施二单位日期施工部位施「内容止水钢板安装交底内容:一、施工准备1、作业条件:结构顶板、底板、侧墙、后浇带钢筋安装过程中。2、材料准备3mm 厚止水钢板(三 200mm,燕尾 150°,50mm)焊条:焊条必须有出厂合格证,焊条的牌号应符合规范要求。3、主要机具:电焊机、切割机、钢丝刷。4、技术准备(1) 焊工必须有焊工证书。(2) 电源应符合要求。(3) 作业场地应有安全防护设施,以及防火和必要的通风措施,防止放生烧伤、触电、中毒及火灾等事故。二、质量要求要求质量一次验收合格率达到 100%。主控项目拼接钢板平顺、位置准确、与主体钢筋连接稳固。一般项目(1) 焊接过程中,电弧应燃烧稳定,药皮熔化均匀,无成块脱落现象。(2)钢板表面应清洁,无锈蚀、麻点或划痕等缺陷。(3)焊缝的焊波应均匀,不得有裂缝、夹渣、咬边、烧穿等缺陷。三、工艺流程止水钢板定位 f 固定 f 接头焊接 f 检查验收1、止水钢板安装采用钢筋固定。在结构钢筋上焊接钢板支撑架,支撑架采用©12 的钢筋切割后焊接,(如有剩余短钢筋,则优先考虑短钢筋)一般焊成三角形,支撑架底板和顶板按 500 的间距进行布置,边墙竖向施工缝跟边墙分布筋等间距布置,支撑架和主筋焊接,钢板跟支撑架焊接,边墙水平施工缝钢板先在钢板的底部焊一根支撑钢筋,然后再用支撑架进行定位。固定牢固可靠,避免浇筑和振捣混凝土混凝土时止水带倒伏影响止水效果。焊接所用焊条的规格及材料性能应符合设计要求。2、止水钢板设置在结构中线位置,结构两侧厚度差均不得大于 5cm。钢板止水带垂直于施工缝表面。3、钢板止水带搭接与交叉连接均应满焊(双面焊),燕尾朝向应有利于混凝土的浇筑且利于防水(迎水面)。4、钢板搭接为 10cm,贴合边焊接,钢板交叉部位采用贴合四边满焊,钢板焊缝严密,如发现焊缝不合格或有渗漏现象,应予修整或补焊。5、止水钢板焊好后,采用密目铁丝网封堵侧边混凝土,密目铁丝网绑扎在墙体、板钢筋上,未与施工缝表面接触一侧采用钢筋棍支撑。浇筑和振捣施工缝部位(尤其是侧墙水平施工缝)的混凝土时,应注意边浇筑和振捣边用手将止水钢板扶正,避免止水钢板出现过大的蛇形和倒伏。水平施工缝由于止水带的阻挡,止水钢板与维护结构之间的杂物清理比较困难,需要对施工缝表面进行认真的凿毛并清理干净。止水钢板部位的混凝土必须充分振捣,保证止水钢板与混凝土咬合密实,这是止水钢板发挥止水作用的关键,振捣时严...

1、当您付费下载文档后,您只拥有了使用权限,并不意味着购买了版权,文档只能用于自身使用,不得用于其他商业用途(如 [转卖]进行直接盈利或[编辑后售卖]进行间接盈利)。
2、本站所有内容均由合作方或网友上传,本站不对文档的完整性、权威性及其观点立场正确性做任何保证或承诺!文档内容仅供研究参考,付费前请自行鉴别。
3、如文档内容存在违规,或者侵犯商业秘密、侵犯著作权等,请点击“违规举报”。

碎片内容

止水钢板安装技术交底

您可能关注的文档

确认删除?
VIP
微信客服
  • 扫码咨询
会员Q群
  • 会员专属群点击这里加入QQ群
客服邮箱
回到顶部