电脑桌面
添加小米粒文库到电脑桌面
安装后可以在桌面快捷访问

结构工程验收记录表VIP专享

结构工程验收记录表_第1页
1/37
结构工程验收记录表_第2页
2/37
结构工程验收记录表_第3页
3/37
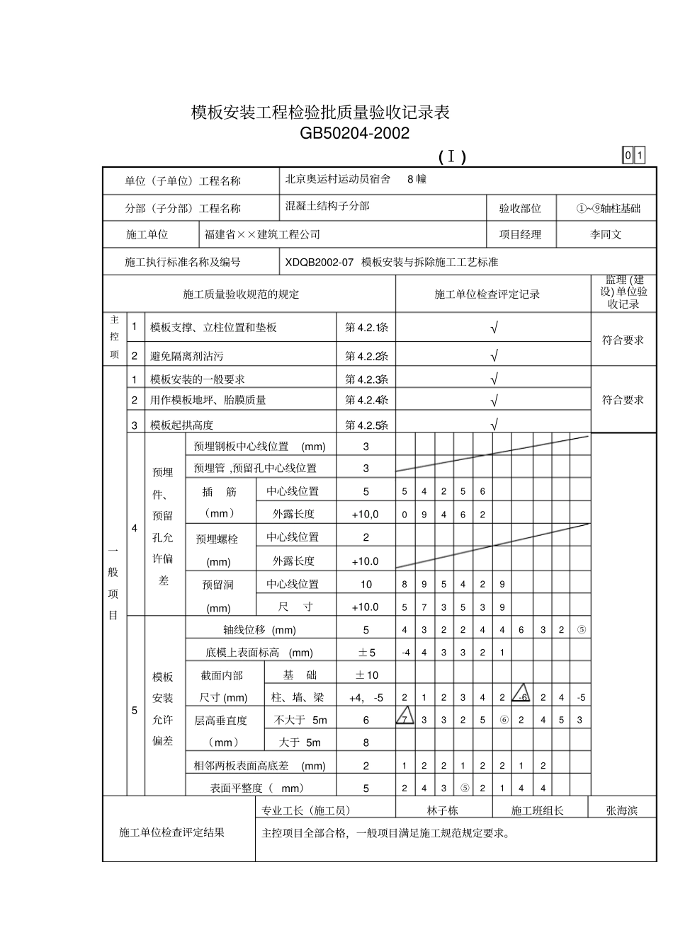
结构工程验收记录表工程名称:××县陈东中学教学楼工程编号:2003-001 建 筑 面 积5120m2层数7 层结 构 类 型框架结构开工日期2003 年 01 月 10 日验 收 日 期2004 年 02 月 20 日完工日期2004 年 02 月 10 日验收内容验收部位主体分部质保资料①钢筋出厂合格证16 份、钢筋原材化验报告12 份,规格 Ф 6~Ф 25;②325#的水泥出厂合格证4 份、水泥物理性能试验报告4 份;③C25 和 C30 的混凝土配合比设计各2 份,抗渗砼配合比设计1 份④砂和石子质量检验报告单2 份,防水剂的合格证1 份和检验报告单1 份;⑤C25 砼试块 28 组、 C30 砼试块 22 组强度评定合格,⑥钢筋对焊接头试验报告单4 份、电渣压力焊接头试验报告单7 份,规格齐全;以上质量保证资料合格和完整,其它质量保证资料也符合要求。外观情况主体分部工程的柱、梁、板几何尺寸正确,且没有出现明显的蜂窝、麻面、孔洞和露筋等现象。观感质量验收等级为:好其它底层主体砼实测40 点,合格40 点,合格率达100%;五层砼实测40 点,合格 38 点,合格率达 95%;二层砖墙和六层砖墙实测合格率分别达80%和 90%。施工单位自评:合 格项目经理:李小强项目技术负责人:王小全企业技术负责人:林晖喧施工单位(公章) :2004 年 2 月 20 日监理单位评定:合 格总监理工程师:翁小明监理单位(公章) :2004 年 2 月 20 日注:表格内容要求用碳素墨水填写。质 量 技 术 交 底 记 录施工单位:福建省××建筑工程有限公司建设工程名称××市翠园小区交 底 日 期2003 年 8 月 18 日单位工程名称A 号 楼记录人张 春 平交底人林 志 明接受交底班组林 木 森参 加 单 位单 位 代 表交底内容:干挂式花岗岩施工交底1 根据墙面花岗岩的分格尺寸要求绘制立面分格图,如图 a 所示, 施工时根据分格图在墙面上弹出分格线,并对饰面石料规格下料加工。2 当饰面基层为框架而无填充墙时,每隔一段距离设一根竖向主龙骨,如图 a 中 3 所示, 主龙骨由膨胀螺丝和连接铁件使其与基层墙面或框架梁相连接,主龙骨可以采用槽钢、方钢或角钢等, 主龙骨的材料规格, 花岗岩石材与基层之间的间隙综合考虑次龙骨的允许跨度通过力学计算而定,当基层为墙面时可以不设主龙骨而将次龙骨直接固定在墙面上。3 在每一块花岗岩的横缝上口设一次龙骨(如图 b 中 5 所示 ),次龙骨与主龙骨之间采用电焊焊...

1、当您付费下载文档后,您只拥有了使用权限,并不意味着购买了版权,文档只能用于自身使用,不得用于其他商业用途(如 [转卖]进行直接盈利或[编辑后售卖]进行间接盈利)。
2、本站所有内容均由合作方或网友上传,本站不对文档的完整性、权威性及其观点立场正确性做任何保证或承诺!文档内容仅供研究参考,付费前请自行鉴别。
3、如文档内容存在违规,或者侵犯商业秘密、侵犯著作权等,请点击“违规举报”。

碎片内容

结构工程验收记录表

确认删除?
VIP
微信客服
  • 扫码咨询
会员Q群
  • 会员专属群点击这里加入QQ群
客服邮箱
回到顶部