电脑桌面
添加小米粒文库到电脑桌面
安装后可以在桌面快捷访问

综合布线系统性能测试记录

综合布线系统性能测试记录_第1页
1/3
综合布线系统性能测试记录_第2页
2/3
综合布线系统性能测试记录_第3页
3/3
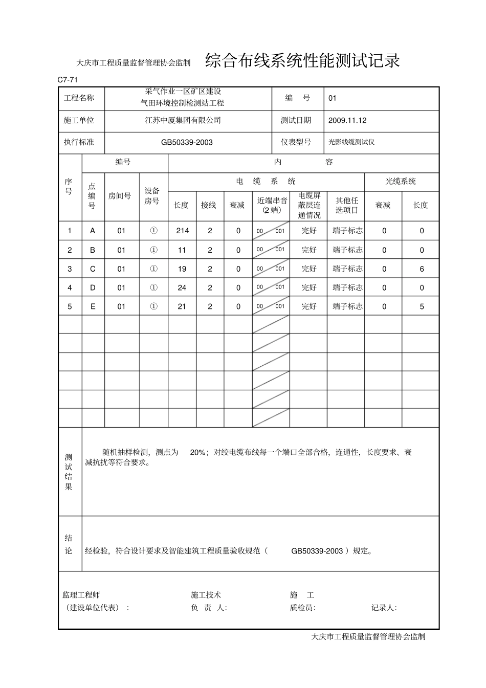
综合布线系统性能测试记录C7-71 工程名称采气作业一区矿区建设倒班宿舍等系统配套工程编号01 施工单位江苏中厦集团有限公司测试日期2009.11.12 执行标准GB50339-2003 仪表型号光影线缆测试仪序号编号内容点编号房间号设备房号电缆系统光缆系统长度接线衰减近端串音(2 端)电缆屏蔽层连通情况其他任选项目衰减长度1 A 01 ①214 2 0 00 001 完好端子标志0 0 2 B 01 ①11 2 0 00 001 完好端子标志0 0 3 C 01 ①19 2 0 00 001 完好端子标志0 6 4 D 01 ①24 2 0 00 001 完好端子标志0 0 5 E 01 ①21 2 0 00 001 完好端子标志0 5 6 F 01 ①21 2 0 00 001 完好端子标志0 0 测试结果随机抽样检测,测点为20%;对绞电缆布线每一个端口全部合格,连通性,长度要求、衰减抗扰等符合要求。结论经检验,符合设计要求及智能建筑工程质量验收规范(GB50339-2003 )规定。监理工程师施工技术施工(建设单位代表) :负 责 人:质检员:记录人:大庆市工程质量监督管理协会监制综合布线系统性能测试记录C7-71 工程名称采气作业一区矿区建设气田环境控制检测站工程编号01 施工单位江苏中厦集团有限公司测试日期2009.11.12 执行标准GB50339-2003 仪表型号光影线缆测试仪序号编号内容点编号房间号设备房号电缆系统光缆系统长度接线衰减近端串音(2 端)电缆屏蔽层连通情况其他任选项目衰减长度1 A 01 ①214 2 0 00 001 完好端子标志0 0 2 B 01 ①11 2 0 00 001 完好端子标志0 0 3 C 01 ①19 2 0 00 001 完好端子标志0 6 4 D 01 ①24 2 0 00 001 完好端子标志0 0 5 E 01 ①21 2 0 00 001 完好端子标志0 5 测试结果随机抽样检测,测点为20%;对绞电缆布线每一个端口全部合格,连通性,长度要求、衰减抗扰等符合要求。结论经检验,符合设计要求及智能建筑工程质量验收规范(GB50339-2003 )规定。监理工程师施工技术施工(建设单位代表) :负 责 人:质检员:记录人:大庆市工程质量监督管理协会监制综合布线系统性能测试记录C7-71 工程名称采气作业一区矿区建设设备维修车间工程编号02 施工单位江苏中厦集团有限公司测试日期2009.11.12 执行标准GB50339-2003 仪表型号光影线缆测试仪序号编号内容点编号房间号设备房号电缆系统光缆系统长度接线衰减近端串音(2 端)电缆屏蔽层连通情况其他任选项目衰减长度1 A 01 ①214 2 ...

1、当您付费下载文档后,您只拥有了使用权限,并不意味着购买了版权,文档只能用于自身使用,不得用于其他商业用途(如 [转卖]进行直接盈利或[编辑后售卖]进行间接盈利)。
2、本站所有内容均由合作方或网友上传,本站不对文档的完整性、权威性及其观点立场正确性做任何保证或承诺!文档内容仅供研究参考,付费前请自行鉴别。
3、如文档内容存在违规,或者侵犯商业秘密、侵犯著作权等,请点击“违规举报”。

碎片内容

综合布线系统性能测试记录

您可能关注的文档

确认删除?
VIP
微信客服
  • 扫码咨询
会员Q群
  • 会员专属群点击这里加入QQ群
客服邮箱
回到顶部