电脑桌面
添加小米粒文库到电脑桌面
安装后可以在桌面快捷访问

内蒙古自治区特种设备资格审查检验检测收费标准VIP免费

内蒙古自治区特种设备资格审查检验检测收费标准_第1页
1/6
内蒙古自治区特种设备资格审查检验检测收费标准_第2页
2/6
内蒙古自治区特种设备资格审查检验检测收费标准_第3页
3/6
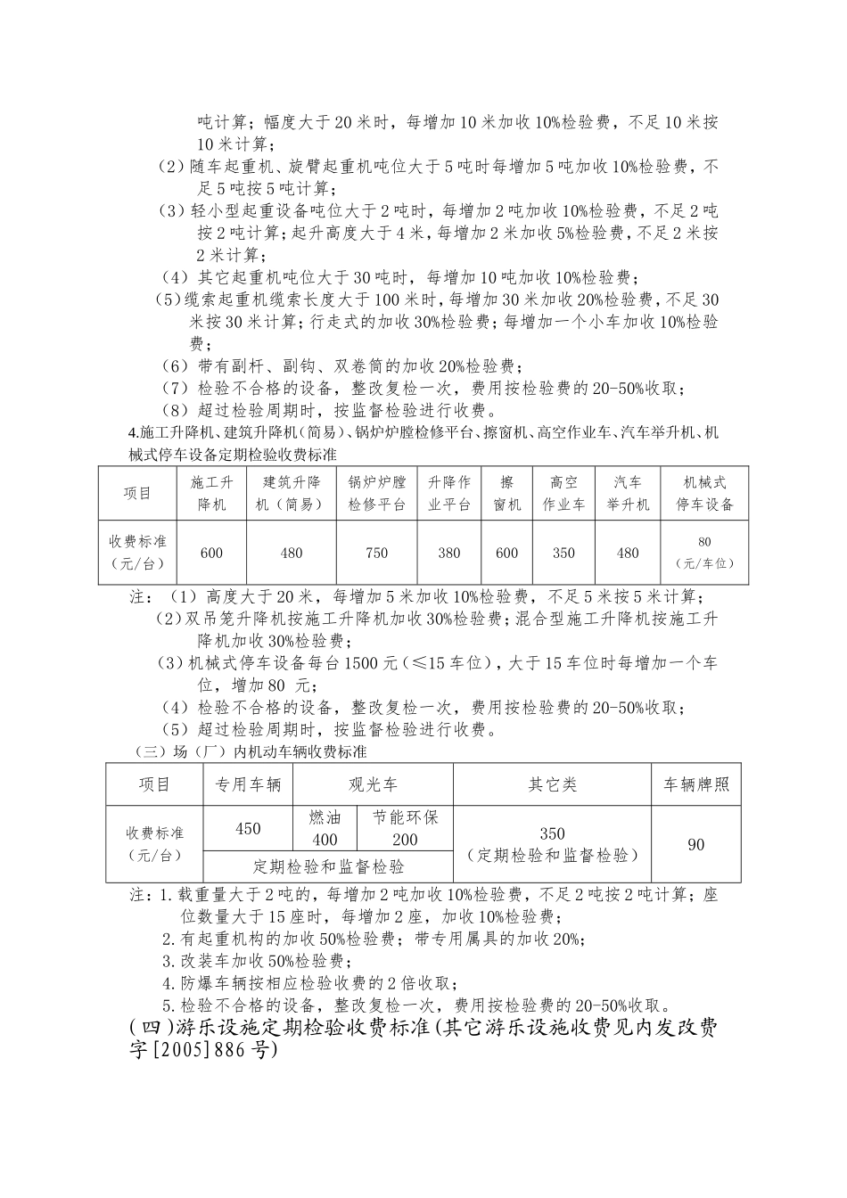
附件1:内蒙古自治区特种设备资格审查检验检测收费标准一、设计、制造、安装、维修保养、修理(改造)资格审查费项目特种设备设计、制造、修理(改造)方案审查费特种设备制造企业安全资格认可特种设备安装、修理(改造)企业安全资格认可特种设备安全附件制造企业资格审查收费标准1500元/套1000元/证800元/证600元/项注:以上费用不含专家、评审机构评审费、交通费、旅差费、补助费等其它费用。二、特种设备检测检验收费(一)电梯定期检验收费标准项目客梯、客货梯、医梯、货梯自动扶梯(提升高度≤4米)自动人行道(运行长度≤8米)杂物梯收费标准(元/台)550550550500注:1.电梯5层以上每增加1层加收10%,超出15层时每增加1层加收15%;杂物电梯5层以上每增加1层加收10%;每增加一个贯通门加收10%。(楼层间距大于4米时,每增加4米(不足4米按4米计算)按增加1层计算);2.自动扶梯提升高度>4米时,每增加1米(不足1米按1米计算)加收10%;自动人行道运行长度>8米时,每增加2米(不足2米按2米计算)加收10%;公共交通型加收30%;3.货梯超过2吨时,每增加1吨(不足1吨按1吨计算)加收10%;4.微机控制的电梯加收10%;集选、并联控制的电梯加收30%;梯群控制的电梯加收40%;进口电梯加收50%;5.特种电梯(船舶、防爆、液压、汽车用电梯等)按相应检验收费的3倍收取;6.环境污染、噪声、高温、粉尘、化工等环境用电梯,加收30%检验费;7.登机电梯检验按客梯收费标准收取检验费;8.检验不合格的设备,整改复检一次,费用按检验费的20-50%收取;9.不包括单项检验收费;10.超过检验周期时,按监督检验进行收费。(二)起重机械定期检验收费标准1.桥、门、门座式起重机定期检验收费标准项目桥、门式起重机梁式起重机门座起重机架桥机收费标准550(≤5吨)550(≤5吨)桥门定期的五倍桥门定期的五倍(元/台)注:(1)起重机吨位每增加5吨(不足5吨按5吨计算)加收10%检验费;幅度、跨度大于10.5米时,每增加3米(不足3米按3米计算)加收10%检验费;起升高度大于4米,每增加2米加收10%检验费,不足2米按2米计算;(2)架桥机跨度大于20米时,每增加10米加收10%检验费,不足10米按10米计算;(3)凡有副钩、抓斗、电磁吸盘、夹钳、双小车、双司机室起重机加收30%检验费;(4)带有电梯升降结构的加收20%检验费;(5)防爆型、冶金型(包括吊运融熔金属、炽热金属、炽热非金属的起重机)、绝缘型、非标起重机按相应检验收费的2倍收取;(6)露天作业、高温有毒有害作业场所起重机加收30%检验费;(7)场桥、岸桥、集装箱起重机、绳索起重机按桥、门式起重机收费标准收取检验费;(8)检验不合格的设备,整改复检一次,费用按检验费的20-50%收取;(9)超过检验周期时,按监督检验进行收费。2.塔式起重机定期检验收费标准项目起重力矩<40吨·米起重力矩≥40吨·米收费标准(元/台)8001000注:(1)臂架绞点大于20米时,每增加10米加收10%检验费(不足10米按10米计算);(2)当检验高度超过10米时,每增加2.5米(不足2.5米按2.5米计算)或一个标准节加收10%;(3)自升式塔机加收50%;行走式塔机加收30%;桥臂式、带有电梯升降机的加收20%检验费;(4)起重力矩大于40吨·米的,每增加20吨·米,加收10%;(5)检验不合格的设备,整改复检一次,费用按检验费的20-50%收取;(6)超过检验周期时,按监督检验进行收费。3.其它类型起重机定期检验收费标准项目汽车式起重机(含轮胎起重机)履带式起重机(含铁路起重机)桅杆式起重机随车起重机旋臂起重机缆索起重机(缆索长度≤100m)启闭机轻小型起重设备收费标准(元/台)4504504504504502000500400注:(1)履带式起重机吨位大于20吨时每增加5吨加收10%检验费,不足5吨按5吨计算;幅度大于20米时,每增加10米加收10%检验费,不足10米按10米计算;(2)随车起重机、旋臂起重机吨位大于5吨时每增加5吨加收10%检验费,不足5吨按5吨计算;(3)轻小型起重设备吨位大于2吨时,每增加2吨加收10%检验费,不足2吨按2吨计算;起升高度大于4米,每增加2米加收5%检验费,不足2米按2米计算;(4)其它起重机吨位大于30吨时,每增加10吨加收10%检验费;(5)缆...

1、当您付费下载文档后,您只拥有了使用权限,并不意味着购买了版权,文档只能用于自身使用,不得用于其他商业用途(如 [转卖]进行直接盈利或[编辑后售卖]进行间接盈利)。
2、本站所有内容均由合作方或网友上传,本站不对文档的完整性、权威性及其观点立场正确性做任何保证或承诺!文档内容仅供研究参考,付费前请自行鉴别。
3、如文档内容存在违规,或者侵犯商业秘密、侵犯著作权等,请点击“违规举报”。

碎片内容

内蒙古自治区特种设备资格审查检验检测收费标准

确认删除?
VIP
微信客服
  • 扫码咨询
会员Q群
  • 会员专属群点击这里加入QQ群
客服邮箱
回到顶部