电脑桌面
添加小米粒文库到电脑桌面
安装后可以在桌面快捷访问

汽车检测委托合同

汽车检测委托合同_第1页
1/6
汽车检测委托合同_第2页
2/6
汽车检测委托合同_第3页
3/6
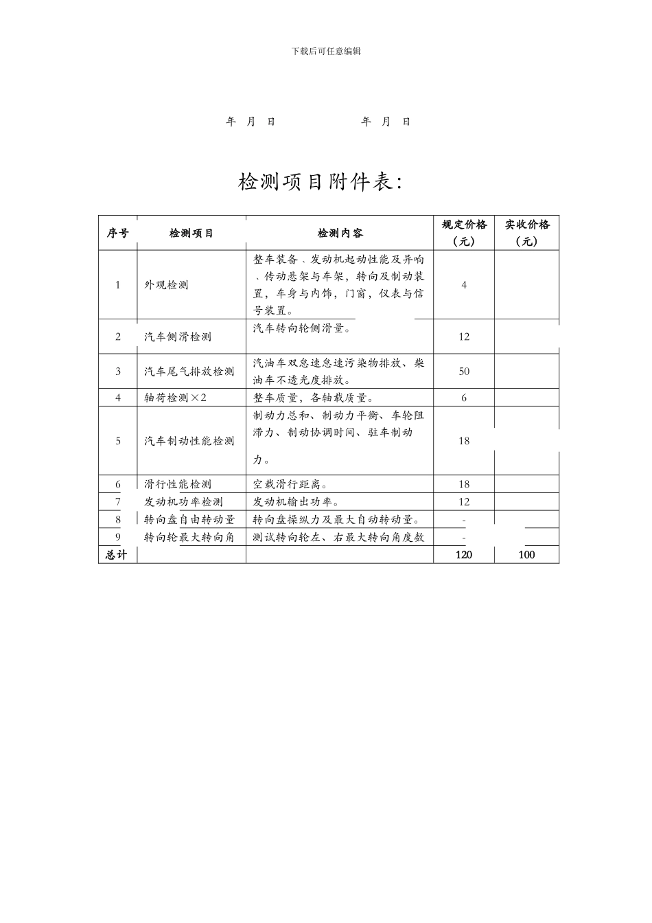
下载后可任意编辑汽车检测委托合同 (合同编号: ) 甲方: 乙方:黄山市汽车综合性能检测有限公司 为检查甲方的修竣车辆的质量是否达到有关规定要求,特委托乙方对甲方修竣进行车辆不解体检测。本着自愿检测的原则,经双方协商后达成协议如下: 一、检测项目。 见附件表。 二、收费。 1、乙方为甲方提供附件所定的单项检测服务项目,或者甲方委托乙方进行的单独的检测项目,均根据安徽省物价局、交通厅联合下发的皖价经费字(2000)028 号文件所核定的收费价格进行收费。 2、根据附件所定项目的收费,总额为附件所列项目单价的累加。考虑到甲方的送检车辆数量较多,经双方协商实际的检测价格以本协议附件确定为准。 3、费用结算周期为一季度 ,凭送检单予以结算。甲方应在双方协商的时间内向乙方支付检测费用。 三、乙方服务的承诺。 1、乙方严格依照国家有关标准对双方约定的项目进行检测,出具检测数据并对甲方的车辆检测数据保密。乙方若检测无甲方送检人员确认或无甲方开具的送检单的车辆,甲方不予认可。 2、乙方根据车辆检测数据,向甲方提出车辆维修、调修等方面的技术指导。若甲方要求,乙方还可根据 GB 18565、GB/T18334 等标准对甲方所维修的车辆进行维修质量评价,并出具全省统一的汽车综合性能检测报告。 3、除检测需要外,乙方不得擅自动用甲方检测车辆。并在车辆上线检测完成后,立即将车辆完整交还给甲方。 4、检测过程中,如因乙方原因造成车辆损坏,乙方必须按价赔偿。或由乙方修复后,经甲方验收合格后交还甲方。 四、双方在履行合同中发生纠纷时,应及时协商解决;协商不成的,任何一方均可向当地经济合同仲裁部门申请仲裁或直接向当地人民法院起诉。 五、未尽事宜,由双方协商解决。另行协议可另附纸。 六、本合同一式两份,由甲乙双方各执一份,具有同等的法律效力。本合同经双方签字后生效。有效期为 年 月 日至 年 月 日。 甲方: (签名或盖章) 乙方: (盖章) 下载后可任意编辑年 月 日 年 月 日 检测项目附件表: 序号 检测项目 检测内容 规定价格(元) 实收价格(元) 1 外观检测 整车装备﹑发动机起动性能及异响﹑传动悬架与车架,转向及制动装置,车身与内饰,门窗,仪表与信号装置。 4 2 汽车侧滑检测 汽车转向轮侧滑量。 12 3 汽车尾气排放检测 汽油车双怠速怠速污染物排放、柴油车不透光度排放。 50 4 轴荷检测×2 整车质量,各轴载质量。 6 ...

1、当您付费下载文档后,您只拥有了使用权限,并不意味着购买了版权,文档只能用于自身使用,不得用于其他商业用途(如 [转卖]进行直接盈利或[编辑后售卖]进行间接盈利)。
2、本站所有内容均由合作方或网友上传,本站不对文档的完整性、权威性及其观点立场正确性做任何保证或承诺!文档内容仅供研究参考,付费前请自行鉴别。
3、如文档内容存在违规,或者侵犯商业秘密、侵犯著作权等,请点击“违规举报”。

碎片内容

汽车检测委托合同

您可能关注的文档

确认删除?
VIP
微信客服
  • 扫码咨询
会员Q群
  • 会员专属群点击这里加入QQ群
客服邮箱
回到顶部