电脑桌面
添加小米粒文库到电脑桌面
安装后可以在桌面快捷访问

冶金部耐热混凝土标准VIP免费

冶金部耐热混凝土标准_第1页
1/13
冶金部耐热混凝土标准_第2页
2/13
冶金部耐热混凝土标准_第3页
3/13
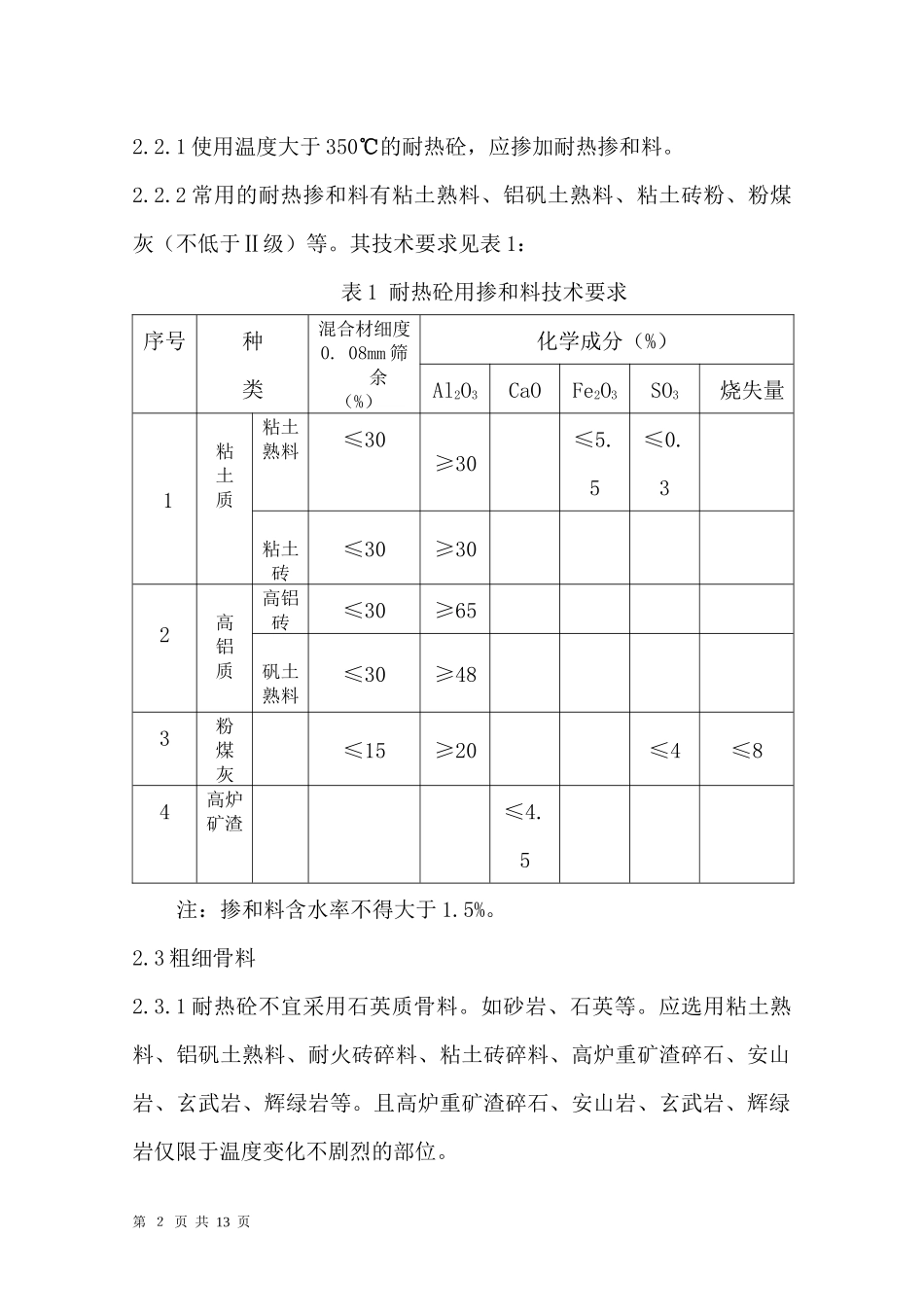
耐热混凝土配合比设计及性能检验规程1总则针对冶金建筑工程的需要,编制该规程。本规程中的耐热混凝土指用普通硅酸盐水泥(或硅酸盐水泥、矿渣硅酸盐水泥、铝酸盐水泥)、耐热粗细骨料、耐热掺和料、水以及根据需要选用合适混凝土外加剂搅拌均匀后采用振动成型的混凝土,它能够长时间承受200~1300℃温度作用,并在高温下保持需要的物理力学性能。该混凝土不能使用于酸、碱侵蚀的部位。2原材料要求根据耐热温度高低,温度变化的剧烈程度选用原材料的品种。2.1水泥2.1.1硅酸盐水泥、普通硅酸盐水泥、矿渣硅酸盐水泥、铝酸盐水泥应相应符合国标GB175-1999、GB1344-1999、GB201-2000的要求。对于高炉基础耐热混凝土使用的水泥,应压蒸安定性合格。2.1.2对耐热温度高于700℃的混凝土,水泥中不能掺石灰岩类混合材。低于700℃时,掺量亦不能超过5%。2.1.3硅酸盐水泥,普通硅酸盐水泥的最高使用温度为1200℃,矿渣水泥的最高使用温度为700℃,且磨细水淬矿渣含量不大于50%,铝酸盐水泥最高使用温度为1400℃。2.1.4每立方米耐热砼中的水泥用量不应超过450kg。2.2掺和料第1页共13页2.2.1使用温度大于350℃的耐热砼,应掺加耐热掺和料。2.2.2常用的耐热掺和料有粘土熟料、铝矾土熟料、粘土砖粉、粉煤灰(不低于Ⅱ级)等。其技术要求见表1:表1耐热砼用掺和料技术要求序号种类混合材细度0.08mm筛余(%)化学成分(%)Al2O3CaOFe2O3SO3烧失量1粘土质粘土熟料≤30≥30≤5.5≤0.3粘土砖≤30≥302高铝质高铝砖≤30≥65矾土熟料≤30≥483粉煤灰≤15≥20≤4≤84高炉矿渣≤4.5注:掺和料含水率不得大于1.5%。2.3粗细骨料2.3.1耐热砼不宜采用石英质骨料。如砂岩、石英等。应选用粘土熟料、铝矾土熟料、耐火砖碎料、粘土砖碎料、高炉重矿渣碎石、安山岩、玄武岩、辉绿岩等。且高炉重矿渣碎石、安山岩、玄武岩、辉绿岩仅限于温度变化不剧烈的部位。第2页共13页2.3.2骨料的燃烧温度不低于1350~1450℃。2.3.3对于已用过的粘土砖,应除去表面熔渣和杂质,且强度应大于10MPa。高炉重矿渣应具有良好的安定性,不允许有大于25mm的玻璃质颗粒。2.3.4一般粗骨料粒径不得大于20mm,在钢筋不密的厚大结构中不应大于40mm。2.3.5骨料中严禁混有有害杂质,特别是石灰岩类碎块等。2.3.6对于温度低于350℃,可使用河砂。低于700℃,温度变化不剧烈时,优先选用高炉重矿渣骨料。2.3.7高炉重矿渣碎石、安山岩、玄武岩、辉绿岩粗细骨料的级配应符合GB/T14684-2001《建筑用砂》、GB/T14685-2001《建筑用卵石、碎石要求》。高炉重矿渣碎石还应符合YBJ205-84《混凝土用高炉矿渣碎石技术标准》的要求。粗骨料最大粒径不宜超过31.5mm,最佳不超过25mm。粘土质及高铝质骨料的颗粒粒级,级配及化学成分要求见下表:表2耐热砼骨料的技术性质序号骨料种类骨料颗粒级配(按累计筛余计%)化学成分粗骨料颗粒(mm)细骨料颗粒(mm)Al2O3CaOFe2O3SO326.59.504.754.751.180.601粘土质粘土熟料0~530~6090~1005~1020~5590~100≥30≤5.5≤0.3粘土砖≥302高铝质高铝砖≥65矾土熟料≥48第3页共13页2.4拌合水符合JGJ63-89《普通砼拌合用水标准》。2.5外加剂2.5.1符合GB8076-1997《普通砼用外加剂》2.5.2应通过试配符合耐热砼的各种指标要求。3耐热砼配合比设计和试配耐热砼的配合比不但要满足耐热性能的要求,同时必须满足强度和施工和易性的要求。在设计耐热砼配合比时,应根据极限使用温度和使用条件,选定合适的原材料,然后在参考经验配合比的前提下通过调整胶结材的用量、水灰比、骨料级配、掺和料及外加剂,并经过试验,从而优选出保证砼耐久性的经济、可靠配合比。3.1胶结材的用量一般情况下,骨料的耐热性能比胶结料好,当胶结料的用量超过一定范围时,随着胶结料用量的增加耐热性能将降低,因此在满足施工和易性和常温强度的要求下,尽可能减少胶结料的用量。水泥用量一般可控制在砼总重量10~20%范围内。对荷重软化点和耐热度要求较高,而常温强度要求不高的水泥耐热砼,水泥用量可控制在10~15%以内。3.2水灰比水灰比的增减对强度和残余变形的影响较显著。在施工条件允许的前提下,应尽量减少用水量,降低水灰比,一般坍...

1、当您付费下载文档后,您只拥有了使用权限,并不意味着购买了版权,文档只能用于自身使用,不得用于其他商业用途(如 [转卖]进行直接盈利或[编辑后售卖]进行间接盈利)。
2、本站所有内容均由合作方或网友上传,本站不对文档的完整性、权威性及其观点立场正确性做任何保证或承诺!文档内容仅供研究参考,付费前请自行鉴别。
3、如文档内容存在违规,或者侵犯商业秘密、侵犯著作权等,请点击“违规举报”。

碎片内容

冶金部耐热混凝土标准

您可能关注的文档

确认删除?
VIP
微信客服
  • 扫码咨询
会员Q群
  • 会员专属群点击这里加入QQ群
客服邮箱
回到顶部