电脑桌面
添加小米粒文库到电脑桌面
安装后可以在桌面快捷访问

美的空调故障代码大全

美的空调故障代码大全_第1页
1/27
美的空调故障代码大全_第2页
2/27
美的空调故障代码大全_第3页
3/27
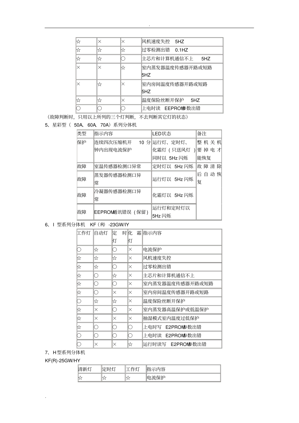
. . 美的空调故障代码大全室内机显示灯故障原因电源 定时 运转闪 灭 灭 室内环温传感器闪 亮 亮 室内热交传感器亮 亮 闪 室外除霜传感器闪 亮 灭 压机排气温度传感器闪 灭 亮 室外传感器异常闪 灭 亮 压机运转异常闪 闪 亮 1.DC 电流检知 2. 过电流保护动作 3. 功率模块温度过高保护4. 功率模块低电压检知室内机显示灯故障原因电源 定时 运转闪 闪 灭 过电流保护动作 AC电流检知闪 闪 闪 制热时,蒸发器温度上升(68 度以上),或室内风机风量小闪 灭 闪 CT 断线保护亮 闪 亮 功率模块异常灭 灭 闪 通讯异常灭 闪 灭 排气管温度超过 120 度灭 闪 亮 电压不足解释原因,让用户断电10-15 分钟后重新上电开机灭 亮 闪 控制基板异常灭 亮 闪 室内机 EEPROM异常闪 亮 闪 室外机 EEPROM异常故障代码故障原因 E1 功率模块过热、过流、短路 E2 电流传感器感应电流太小 E4 制热时压机温度传感器温度超过120℃ E5 过电流保护 E6 室外温度传感器故障 E7 室外盘管传感器故障 Ea 电源超欠压 Ec 制冷时室外热交传感器温度超过70℃保护 Ee 单片机读入 EEPROM数据有错误 F1 室温传感器故障 F2 室内盘管传感器故障 F4 制热时室内盘管传感器超过72℃保护 F5 制冷时室内盘管温度传感器低于0℃以下保护F7 室内主板与控制面板通讯故障. . (一)分体壁挂式空调器1、25、35F、F1 系列分体机〇(亮)☆(闪)×(灭)工作灯定时灯化霜灯指示内容〇〇×电流保护( PRI-5MIN PRI-3SEC)☆☆×风机速度失控☆〇×过零检测出错☆☆×主芯片和计算机通信不上☆〇×室内蒸发器温度传感器开路或短路☆××室内房间温度传感器开路或短路〇☆×温度保险丝断开保护(FUSED)☆〇×室内蒸发器高温保护或低温保护☆××抽湿模式室内温度过低保护×〇〇上电时写 EEPROM参数出错〇〇〇上电时读 EEPROM参数出错〇×☆运行时写 EEPROM参数出错2、清爽星 26、33C系列分体运行灯定时灯自 动 换气灯连 续 换气灯除霜灯指示内容1HZ 刚上电但没开机5HZ 5HZ 5HZ 电机失控, 无反馈信号5HZ 室内传感器检测口异常5HZ 蒸发器传感器检测口异常5HZ 5HZ 5HZ 5HZ 温度保险丝熔断0.1HZ 0.1HZ 0.1HZ 0.1HZ. 0.1HZ 无过零信号3、清静星 26、33C1系列分体机代码指示内容 P0 连续 4 次电流保护P1 室内风机速度失控 P2 室内板与开关板2 分钟通信不上 P3 室内蒸...

1、当您付费下载文档后,您只拥有了使用权限,并不意味着购买了版权,文档只能用于自身使用,不得用于其他商业用途(如 [转卖]进行直接盈利或[编辑后售卖]进行间接盈利)。
2、本站所有内容均由合作方或网友上传,本站不对文档的完整性、权威性及其观点立场正确性做任何保证或承诺!文档内容仅供研究参考,付费前请自行鉴别。
3、如文档内容存在违规,或者侵犯商业秘密、侵犯著作权等,请点击“违规举报”。

碎片内容

美的空调故障代码大全

您可能关注的文档

确认删除?
VIP
微信客服
  • 扫码咨询
会员Q群
  • 会员专属群点击这里加入QQ群
客服邮箱
回到顶部