电脑桌面
添加小米粒文库到电脑桌面
安装后可以在桌面快捷访问

职业健康安全管理体系合规性评价表2018年最新版

职业健康安全管理体系合规性评价表2018年最新版_第1页
1/10
职业健康安全管理体系合规性评价表2018年最新版_第2页
2/10
职业健康安全管理体系合规性评价表2018年最新版_第3页
3/10
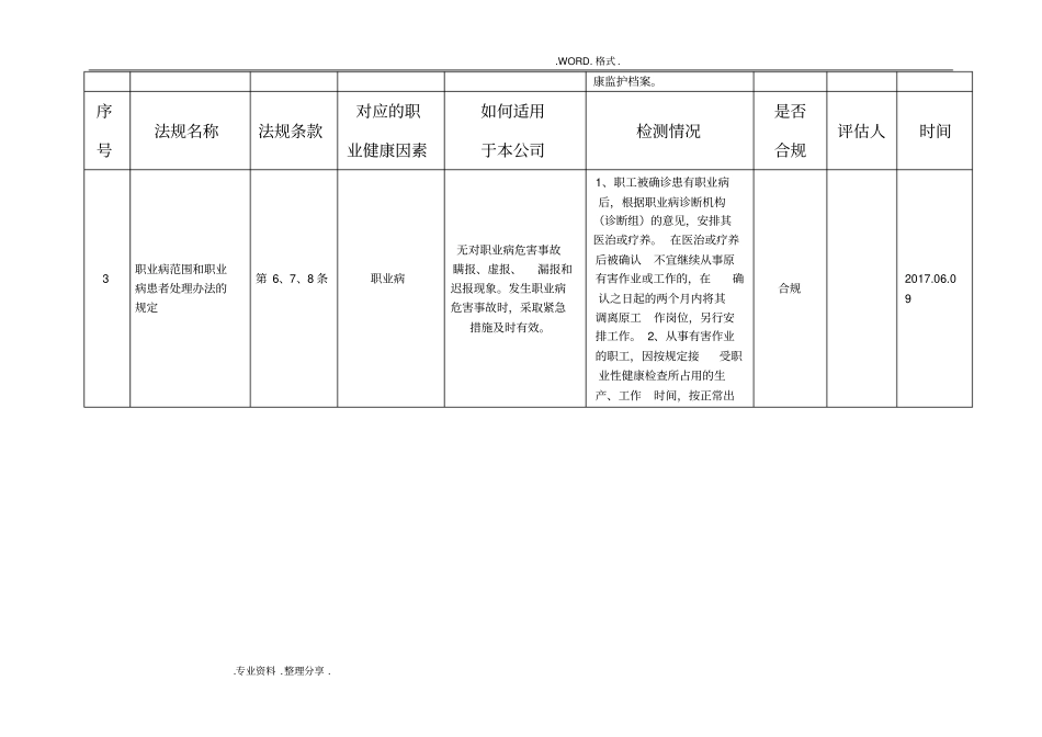
.WORD. 格式 . .专业资料 .整理分享 . xxxxxx 公司职业健康安全管理合规性评价序号法规名称法规条款对应的职业健康因素如何适用于本公司检测情况是否合规评估人时间1 中华人民共和国宪法第 41、42、43、44、 45、46、47、48条劳动保护劳动者权利严格按照宪法中有关条例执行,职工在单位享受宪法中赋予公民的所有权利合规2017.06.09 2 职业健康监护管理办法第 3、4、7、8、9、18 条劳动者职业健康建立健全职业健康监护制度,保证职业健康监护工作的落实。1、已经建立健全职业健康监护制度,保证职业健康监护工作的落实。 2 、定期组织从事接触职业病危害作业的劳动者进行职业健康检查。 3 、无安排未成年工从事接触职业病危害的作业现象;无安排孕期、哺乳期的女职工从事对本人和胎儿、婴儿有危害的作业现象。 4 、已经组织接触职业病危害因素的劳动者进行定期职业健康检 5 、依法组织接触职业病危害因素的劳动者进行离岗时的职业健康检查。 6 、已经按规定妥善保存职业健合规2017.06.09 劳动部关于加强职业安全卫生工作的通知第 6、7 条.WORD. 格式 . .专业资料 .整理分享 . 康监护档案。序号法规名称法规条款对应的职业健康因素如何适用于本公司检测情况是否合规评估人时间3 职业病范围和职业病患者处理办法的规定第 6、7、8 条职业病无对职业病危害事故瞒报、虚报、漏报和迟报现象。发生职业病危害事故时,采取紧急措施及时有效。1、职工被确诊患有职业病后,根据职业病诊断机构(诊断组)的意见,安排其医治或疗养。 在医治或疗养后被确认不宜继续从事原有害作业或工作的,在确认之日起的两个月内将其调离原工作岗位,另行安排工作。 2、从事有害作业的职工,因按规定接受职业性健康检查所占用的生产、工作时间,按正常出合规2017.06.09 .WORD. 格式 . .专业资料 .整理分享 . 职业病危害事故调查处理办法第 6、11、12条勤处理,如职业病防治机构(诊断组)认为需要住院作进一步检查时,不论其最后是否诊断为职业病,在此期间享受职业病待遇。3、已经为从事有害作业的职工建立健康档案。变动工作单位时, 事先经当地职业病防治机构进行健康检查,其检查材料装入健康档案。序号法规名称法规条款对应的职业健康因素如何适用于本公司检测情况是否合规评估人时间4 建设项目职业病危害 分类管理办法第 12、 13、15、16 条职业病分类、检查及预防已经建立健全职业性健康检查管理制度。安排人员从...

1、当您付费下载文档后,您只拥有了使用权限,并不意味着购买了版权,文档只能用于自身使用,不得用于其他商业用途(如 [转卖]进行直接盈利或[编辑后售卖]进行间接盈利)。
2、本站所有内容均由合作方或网友上传,本站不对文档的完整性、权威性及其观点立场正确性做任何保证或承诺!文档内容仅供研究参考,付费前请自行鉴别。
3、如文档内容存在违规,或者侵犯商业秘密、侵犯著作权等,请点击“违规举报”。

碎片内容

职业健康安全管理体系合规性评价表2018年最新版

文库响当当+ 关注
实名认证
内容提供者

该用户很懒,什么也没介绍

确认删除?
VIP
微信客服
  • 扫码咨询
会员Q群
  • 会员专属群点击这里加入QQ群
客服邮箱
回到顶部