电脑桌面
添加小米粒文库到电脑桌面
安装后可以在桌面快捷访问

膨胀水箱的选型

膨胀水箱的选型_第1页
1/3
膨胀水箱的选型_第2页
2/3
膨胀水箱的选型_第3页
3/3
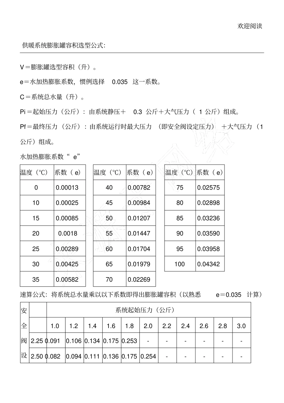
欢迎阅读供暖系统膨胀罐容积选型公式:V=膨胀罐选型容积(升)。e=水加热膨胀系数,惯例选择0.035 这一系数。C=系统总水量(升)。Pi =起始压力(公斤):由系统静压+0.3 公斤+大气压力( 1 公斤)组成。Pf=最终压力(公斤):由系统运行时最大压力 (即安全阀设定压力) +大气压力(1公斤)组成。水加热膨胀系数“ e”温度(℃) 系数( e)温度(℃) 系数( e)温度(℃)系数( e)00.00013400.00782750.02575100.00025450.00984800.02898150.00085500.01207850.03236200.0018550.01447900.03590250.00289600.01704950.03958300.00425650.019791000.04342350.00582700.02269速算公式:将系统总水量乘以以下系数即得出膨胀罐容积(以熟悉e=0.035计算)安全阀设系统起始压力(公斤)1.0 1.2 1.4 1.6 1.8 2.0 2.2 2.4 2.6 2.8 3.0 2.25 0.091 0.106 0.134 0.175 0.253 - - - - - - 2.50 0.082 0.094 0.111 0.136 0.175 0.254 - - - - - 欢迎阅读定压力(公斤)2.70 0.076 0.086 0.100 0.118 0.144 0.185 0.259 - - - - 3.00 0.070 0.078 0.088 0.100 0.117 0.140 0.175 0.233 - - - 3.50 0.063 0.068 0.075 0.083 0.093 0.105 0.121 0.143 0.175 0.225 - 4.00 0.058 0.063 0.067 0.073 0.080 0.088 0.097 0.109 0.125 0.146 0.175 4.50 0.055 0.058 0.062 0.066 0.071 0.077 0.084 0.092 0.101 0.113 0.128 5.00 0.052 0.055 0.058 0.062 0.066 0.070 0.075 0.081 0.088 0.095 0.105 5.40 0.051 0.053 0.056 0.059 0.062 0.066 0.070 0.075 0.080 0.086 0.093 6.00 0.049 0.051 0.053 0.056 0.058 0.061 0.064 0.068 0.072 0.077 0.082 储水式热水系统膨胀罐容积选型公式:V=膨胀罐选型容积(升)。e=水加热膨胀系数,惯例选择0.035 这一系数。Ca =加热的水量(升)。Pin =起始压力(公斤):由注水时冷水最大压力+大气压力(1 公斤)组成。Pfin =最终压力(公斤):由系统运行时最大压力(即安全阀设定压力)+大气压力(1 公斤)组成。速算公式: V=f×Ca “f”是温度 40 ℃到 50 ℃的范围内的速算系数,图表如下:安全阀设定压系统运行压力(公斤)2.02.53.03.54.04.55.05.56.040.0350.0470.0700.140-----50.0280.0340.0420.0560.0840.168---欢迎阅读力(公斤)60.0250.0280.0330.0390.0490.0650.0980.196-70.0220.0250.0280.0320.0370.0450.0560.0750.11280.0210.0230.0250.0280.0320.0360.0420.0500.06390.0200.0220.0230.0250.0280.0310.0350.0400.047100.0190.0210.0220.0240.0260.0280.0310.0340.039

1、当您付费下载文档后,您只拥有了使用权限,并不意味着购买了版权,文档只能用于自身使用,不得用于其他商业用途(如 [转卖]进行直接盈利或[编辑后售卖]进行间接盈利)。
2、本站所有内容均由合作方或网友上传,本站不对文档的完整性、权威性及其观点立场正确性做任何保证或承诺!文档内容仅供研究参考,付费前请自行鉴别。
3、如文档内容存在违规,或者侵犯商业秘密、侵犯著作权等,请点击“违规举报”。

碎片内容

膨胀水箱的选型

确认删除?
VIP
微信客服
  • 扫码咨询
会员Q群
  • 会员专属群点击这里加入QQ群
客服邮箱
回到顶部