电脑桌面
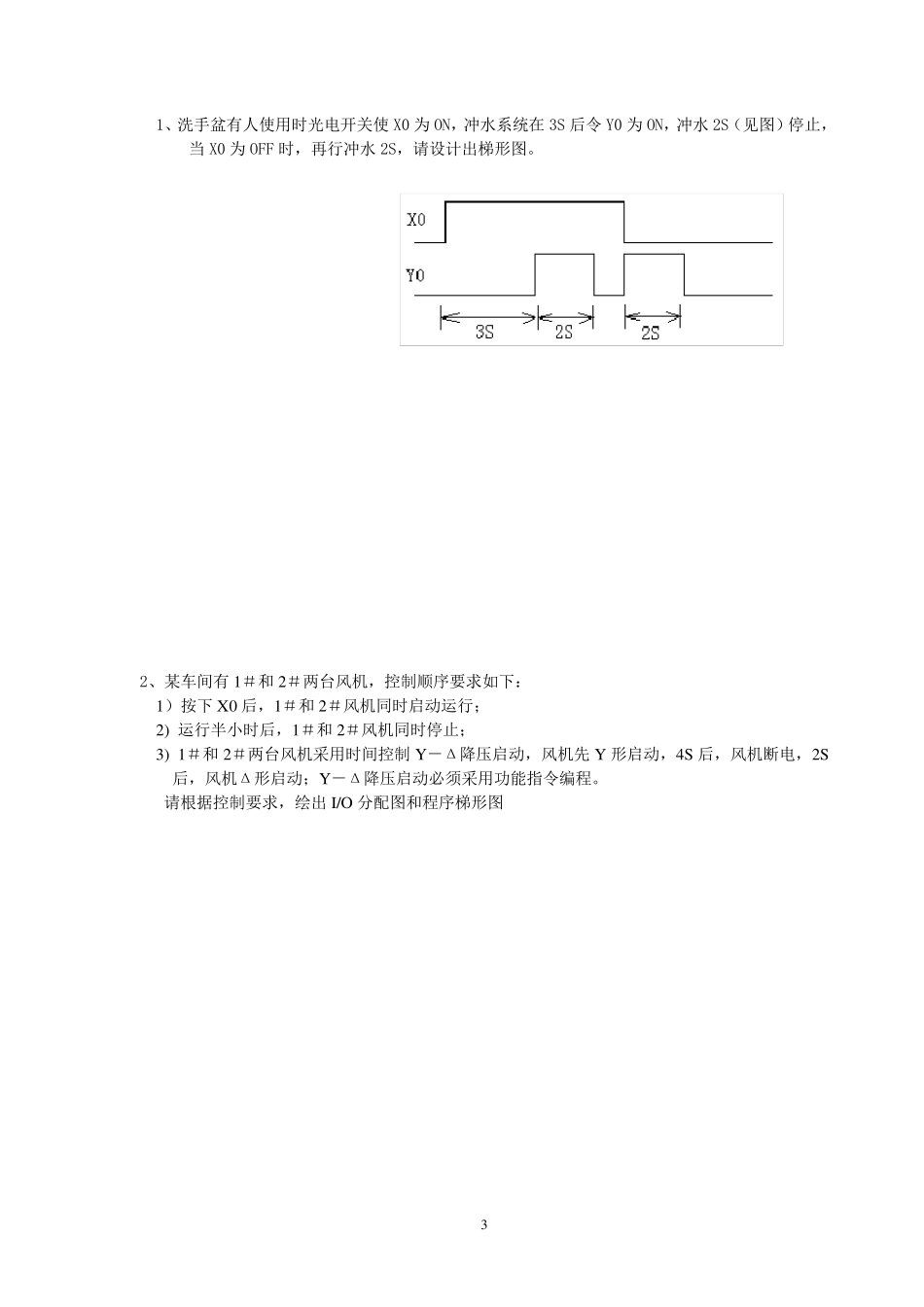
添加小米粒文库到电脑桌面
安装后可以在桌面快捷访问

广东省维修电工高级技师《电工新技术知识》试题

广东省维修电工高级技师《电工新技术知识》试题_第1页
1/7
广东省维修电工高级技师《电工新技术知识》试题_第2页
2/7
广东省维修电工高级技师《电工新技术知识》试题_第3页
3/7
1 广 东 省 维 修 电 工 高 级 技 师 《 电 工 新 技 术 知 识 》 试 题 0 6 0 9 0 9 注 意 事 项 1. 请 首 先 按 要 求 在 试 卷 的 标 封 处 填 写 您 的 姓 名 、 考 号 和 所 在 单 位 的 名 称 。 2. 请 仔 细 阅 读 各 种 题 目 的 回 答 要 求 , 在 规 定 的 位 置 填 写 您 的 答 案 。 3. 不 要 在 试 卷 上 乱 写 乱 画 , 不 要 在 标 封 区 填 写 无 关 内 容 。 第 一 题 第 二 题 第 三 题 第 四 题 第 五 题 第 六 题 总 分 总 分 人 得 分 得 分 评 分 人 一 、 选 择 题 ( 选 择 正 确 的 答 案 填 入 题 后 的 括 号 内 , 每 题 2 分 , 共 20 分 ) 1、 在 自 动 控 制 系 统 中 , 当 反 馈 信 号 U f 比 给 定 信 号 U gd 小 时 , 系 统 的 偏 差 信 号 △ U ( )。 A ) 大 于 零 B ) 小 于 零 C ) 等 于 零 D ) 不 定 2、 PI、 PD、 PID 运 算 都 是 对 ( ) 进 行 运 算 的 。 A ) 反 馈 信 号 B ) 给 定 值 C ) 偏 差 信 号 D ) 被 控 量 3、 热电 偶传感器是 利用( ) 而制 成的 。 A ) 光电 效应 B ) 应变效应 C ) 热电 效应 D ) 电 磁效应 4、 电 力场效应管指的 是 ( ) A ) MOSFET B ) GTO C ) IGBT D ) GTR 5、 在 恒压供水系 统 中 , 多采用的 控 制 系 统 为( ) A ) 压力开环控 制 系 统 B ) 压力闭环控 制 系 统 C ) 压力开环和 闭环控 制 系 统 D ) 速度环和 电 流环的 双闭环控 制 系 统 6、 三 菱F940GOT 触摸屏通信 口有( ) A ) RS-232 B ) RS-485 C ) RS-232,RS-422 D ) CC-Link 7、 CC-Link 通信 网络用于 主站, 从站的 数据传输时 经常使用的 指令是 ( ) A ) FROM,TO B )SET C ) FOR,NEXT D ) SFTL 8、 RS-232 串口通信 传输模式是 ( ) 通信 方式。 A ) 单 工 B ) 半单 工 C ) 全双工 D ) 半双工 9. PI 控 制 器的 输出( )。 A ) 与输入 信 号 的 大 小 成正 比 B ) 与输入 信 号 对 时 间的 积分...

1、当您付费下载文档后,您只拥有了使用权限,并不意味着购买了版权,文档只能用于自身使用,不得用于其他商业用途(如 [转卖]进行直接盈利或[编辑后售卖]进行间接盈利)。
2、本站所有内容均由合作方或网友上传,本站不对文档的完整性、权威性及其观点立场正确性做任何保证或承诺!文档内容仅供研究参考,付费前请自行鉴别。
3、如文档内容存在违规,或者侵犯商业秘密、侵犯著作权等,请点击“违规举报”。

碎片内容

广东省维修电工高级技师《电工新技术知识》试题

确认删除?
VIP
微信客服
  • 扫码咨询
会员Q群
  • 会员专属群点击这里加入QQ群
客服邮箱
回到顶部