电脑桌面
添加小米粒文库到电脑桌面
安装后可以在桌面快捷访问

建材企业安全生产标准化评定标准

建材企业安全生产标准化评定标准_第1页
1/37
建材企业安全生产标准化评定标准_第2页
2/37
建材企业安全生产标准化评定标准_第3页
3/37
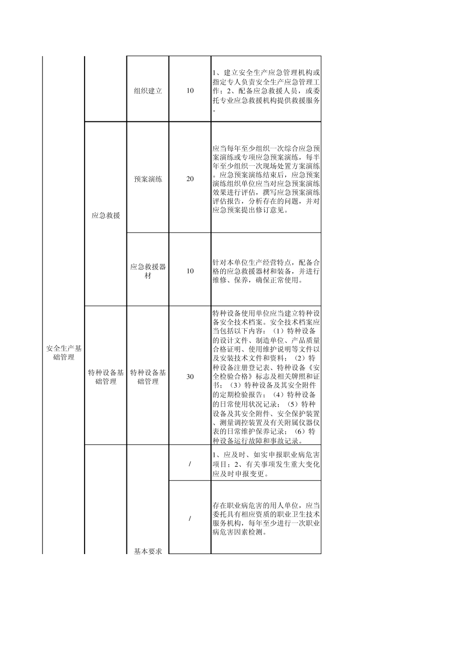
评定指标标准分值评定内容营业执照 /取得营业执照。消防验收意见书21 、取得消防验收合格意见书或报公安机关消防机构备案;2 、应通过开业前消防安全检查。安全管理机构或人员安全管理机构或人员 1 5从业人员超过3 0 0 人的,应当设置安全生产管理机构或配备专职安全生产管理人员;从业人员在3 0 0 人以下的,应当配备专职或者兼职安全生产管理人员,或者委托具有国家规定的相关专业技术资格的工程技术人员提供安全生产管理服务。安全生产目标8企业应签订安全目标责任书,确定量化的年度安全工作目标,并予以考核。责任制制定及内容要求1 01 、建立、健全安全生产责任制,并传达至责任人员(包括主要负责人、各级管理人员和从业人员);2 、责任制应当明确各岗位的责任人员、责任内容和考核要求,做到“一岗一责”。规章制度 1 0企业根据实际情况,制定下列安全生产规章制度:1 、安全生产教育和培训制度;2 、安全生产检查制度;3 、安全生产事故隐患排查治理制度;4 、劳动防护用品配备和管理制度;5 、安全生产奖励和惩罚制度;6 、生产安全事故报告和调查处理制度;7 、具有较大危险因素的生产经营场所、设备和设施的安全管理制度;8 、危险化学品出入库核查、登记制度;9 、危险作业管理制度;1 0 、特种作业人员管理制度;1 1 、重大危险源监控制度;1 2 、其他保障安全生产的规章制度。顺义区建材企业安全生产评定项目资质证照安全生产责任制安全生产规章制度和操作规程操作规程 10制定相关岗位和设备设施的安全生产操作规程。培训学时要求101、生产经营单位主要负责人、安全生产管理人员和从业人员每年接受的在岗安全生产教育和培训时间不得少于8学时;2、新招用的从业人员上岗前接受安全生产教育和培训的时间不得少于24学时;3、换岗的,离岗6个月以上的,以及生产经营单位采用新工艺、新技术、新材料或者使用新设备的,均不得少于4学时。培训内容10培训内容应包括:安全生产法律、法规和规章;安全生产规章制度和操作规程;岗位安全操作技能;安全设备、设施、工具、劳动防护用品的使用、维护和保管知识;生产安全事故的防范意识和应急措施、自救互救知识;生产安全事故案例。特种作业人员培训15特种作业人员必须经专门的安全技术培训并考核合格,取得《特种作业操作证》,且证件在有效期内的,方可持证上岗。特种设备作业人员培训15从事特种设备作业的人员,经考核合格取得《特种设备作业人员证》,方...

1、当您付费下载文档后,您只拥有了使用权限,并不意味着购买了版权,文档只能用于自身使用,不得用于其他商业用途(如 [转卖]进行直接盈利或[编辑后售卖]进行间接盈利)。
2、本站所有内容均由合作方或网友上传,本站不对文档的完整性、权威性及其观点立场正确性做任何保证或承诺!文档内容仅供研究参考,付费前请自行鉴别。
3、如文档内容存在违规,或者侵犯商业秘密、侵犯著作权等,请点击“违规举报”。

碎片内容

建材企业安全生产标准化评定标准

您可能关注的文档

小辰9+ 关注
实名认证
内容提供者

出售各种资料和文档

确认删除?
VIP
微信客服
  • 扫码咨询
会员Q群
  • 会员专属群点击这里加入QQ群
客服邮箱
回到顶部