电脑桌面
添加小米粒文库到电脑桌面
安装后可以在桌面快捷访问

建筑幕墙施工方法及工艺要求

建筑幕墙施工方法及工艺要求_第1页
1/18
建筑幕墙施工方法及工艺要求_第2页
2/18
建筑幕墙施工方法及工艺要求_第3页
3/18
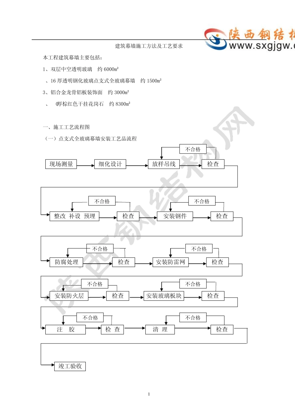
1 建筑幕墙施工方法及工艺要求 本工程建筑幕墙主要包括: 1、双层中空透明玻璃 约6000m² 2、16 厚 透明钢 化 玻璃点 支 式 全 玻璃幕墙 约1500m² 3、铝 合 金 龙 骨 铝 板 装 饰 面 约3000m² 4、40厚 棕 红 色 干 挂 花 岗 石 约8300m² 一 、施工工艺流 程图 ( 一 ) 点 支 式 全 玻璃幕墙安 装 工艺品 流 程 现 场 测 量 细 化 设 计 放 样 吊 线 检 查 整 改 (补 设 )预 埋检 查 安 装 钢 件 检 查 不 合 格 不 合 格 防 腐 处 理 检 查 安 装 防 雷 网 检 查 不 合 格 不 合 格 安 装 防 火 层 检 查 安 装 玻璃板 块 检 查 不 合 格 不 合 格 注 胶 检 查 清 理 检 查 竣 工验 收 不 合 格 不 合 格 不 合 格 2 (二)干挂石幕墙安装工艺流程 现场测量 细化设计 放样吊线 检查 整改(补设)预埋板 检查 安装钢件 检查 不合格 不合格 防腐处理 检查 安装防雷网 检查 不合格 不合格 安装防火层 检查 安装石材 检查 不合格 不合格 注 胶 检 查 清 理 检查 竣工验收 不合格 不合格 不合格 3 (三)铝合金龙骨铝板安装工艺流程 二、施工工艺及技术措施 (一)点支式全玻璃幕墙的施工工艺及技术措施 1、预埋件的复检 该环节为所有幕墙施工工作的基础,我司将按照甲方提供的建筑设计图纸,结合预埋件设计图由施工技术员首先按照图纸对已埋设好的预埋件位置进行复核如果没有预埋件,将书面提交甲方及设计院、土建施工,协商进行补设工作。 2、测量放线、定位 根据土建施工提供的测量基准点构成的线控制网示意图,以测量基准点坐标为基准,采用天顶现场测量 细化设计 放样吊线 检查 整改(补设)预埋检查 安装钢件 检查 不合格 不合格 防腐处理 检查 安装防雷网 检查 不合格 不合格 安装防火层 检查 安装铝板 检查 不合格 不合格 注 胶 检 查 清 理 检查 竣工验收 不合格 不合格 不合格 4 法利用激光经纬仪、铅垂仪垂直测量,并传递至各楼层,在于各层楼面重新测设井字形线控制网,然后将各层井字形线控制网平移至外梁上,作竖向测点联结,即可建立垂直基准线并由此可构成立面控制网。将立面控制网平移至立面外墙,确定各楼层的墙面位置并做好标记,各层立面以此标记为准,采用钢丝线确定立面位置,各楼层的立柱以此立...

1、当您付费下载文档后,您只拥有了使用权限,并不意味着购买了版权,文档只能用于自身使用,不得用于其他商业用途(如 [转卖]进行直接盈利或[编辑后售卖]进行间接盈利)。
2、本站所有内容均由合作方或网友上传,本站不对文档的完整性、权威性及其观点立场正确性做任何保证或承诺!文档内容仅供研究参考,付费前请自行鉴别。
3、如文档内容存在违规,或者侵犯商业秘密、侵犯著作权等,请点击“违规举报”。

碎片内容

建筑幕墙施工方法及工艺要求

小辰8+ 关注
实名认证
内容提供者

出售各种资料和文档

相关文档

确认删除?
VIP
微信客服
  • 扫码咨询
会员Q群
  • 会员专属群点击这里加入QQ群
客服邮箱
回到顶部