电脑桌面
添加小米粒文库到电脑桌面
安装后可以在桌面快捷访问

建筑门窗施工图样设计要点

建筑门窗施工图样设计要点_第1页
1/6
建筑门窗施工图样设计要点_第2页
2/6
建筑门窗施工图样设计要点_第3页
3/6
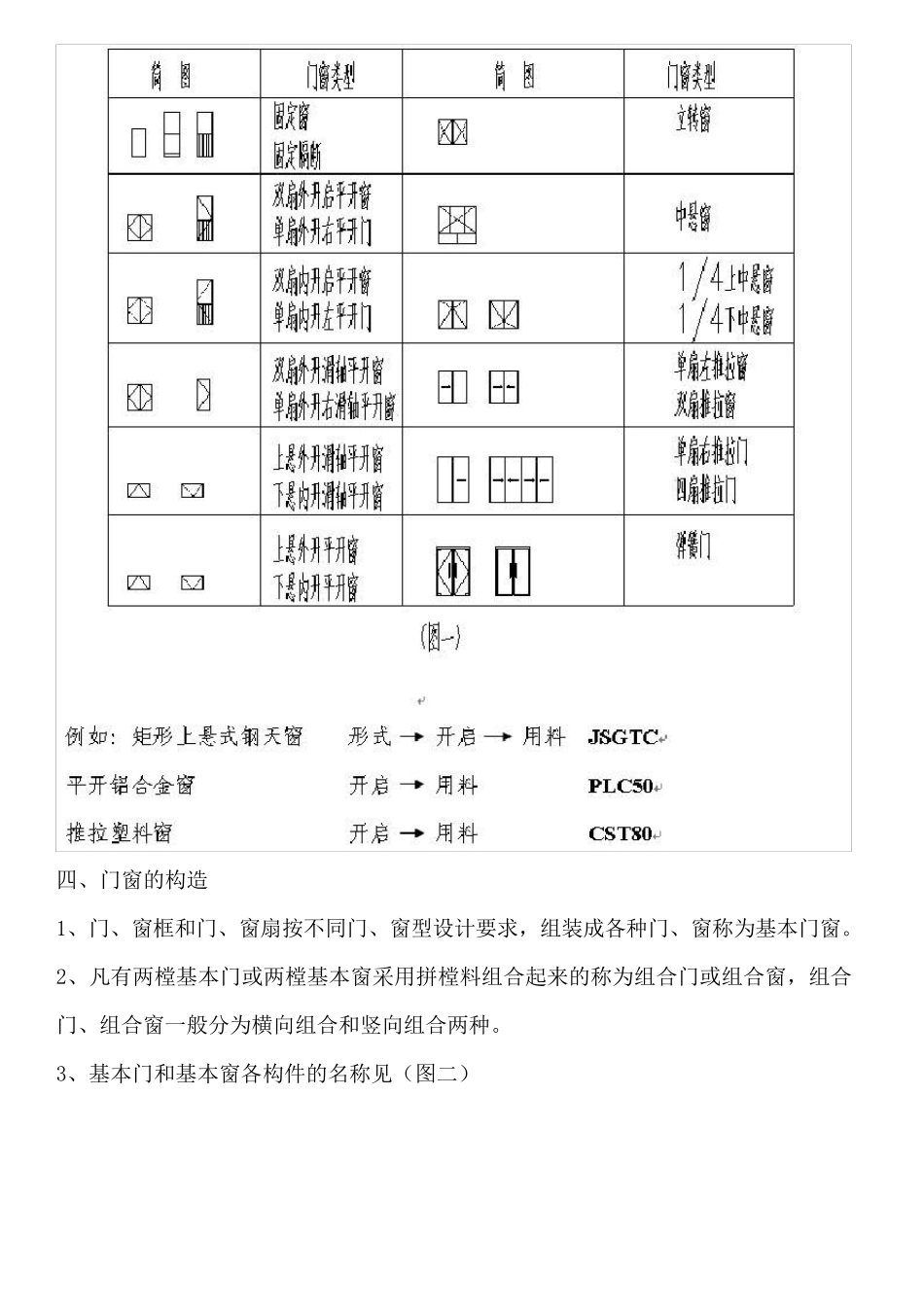
建筑门窗施工图样设计要点 一、设计工作内容 1、设计前应熟悉建筑立面图和建筑结构剖面图,核对门窗规格、数量、颜色,对门窗构造、安装施工等技术问题应提出并联系解决。 2、绘制门窗施工图样。 3、编写工程材料清单,编制门窗工程的型材、五金配件、玻璃汇总表。 4、特殊工程负责技术交底工作。 二、 门窗的品种 1、按开启形式区分:固定窗、上悬窗、中悬窗、下悬窗、立转窗、平开窗、滑轮平开窗、滑轴窗、推拉窗、推拉平开窗、平开下悬窗、折叠门、平开门、推拉门、地弹簧门、平开下悬门等。 2、按用途分类:内门、外门、防火门、隔声门、保温门、防盗门、保温窗、隔声窗、防火窗、换气窗、亮窗等。 3、按构造分类:镶玻璃门、玻璃门、连窗门、百页门、格栅门、单层窗、双层窗、三层窗、带形窗、组合窗、落地窗、带纱扇窗、百页窗等。 三、门窗的开启示意图 立面图中斜线表示门窗的开启方向,实线为外开,虚线为内开,开启方向线夹角的一侧为安装合页的一侧。见图(一) 四、门窗术语代号组合规定 组合顺序:用途 形式 开启 构造 用料 附件 如只用其中二、三项 ,也 按其顺序组合,组合时 采 用代号前一个 字 母 ,门、窗、天 窗组合窗最 后 加 M、C、TC。 四、门窗的构造 1、门、窗框和门、窗扇按不同门、窗型设计要求,组装成各种门、窗称为基本门窗。 2、凡有两樘基本门或两樘基本窗采用拼樘料组合起来的称为组合门或组合窗,组合门、组合窗一般分为横向组合和竖向组合两种。 3、基本门和基本窗各构件的名称见(图二) 五、 门窗施工图设计要求 门窗设计是建筑设计的一部分,良好的门窗设计能保证建筑物的良好性能,门窗的设计方案对门窗的安全性能、使用性能、节能环保、寿命、装饰性能等各方面起着决定性的作用。包括门窗的结构计算,如选用型材的载面(几何形状、尺寸、壁厚),玻璃的种类等。 门窗设计主要包括以下内容: 1>、确定门窗所用的材料(型材、玻璃、配件等) 2> 、确定门窗洞口尺寸、加工尺寸和门窗数量。 3>、确定分格形式及开启形式。 4>、 确定安装方式。 作为一份完整的施工图,一般具有目录、立面图、设计说明、节点图、构件图、自制备件加工图、材料明细表、五金配件明细表、玻璃表等。 1、绘制基本门、窗和组合门、窗的立面图。见(图三) 设计说明一般包括如下内容: 确定视图(内)外立面、型材规格、型材颜色、主要五金配件名称、型号、玻璃种类厚度、拼樘料的代...

1、当您付费下载文档后,您只拥有了使用权限,并不意味着购买了版权,文档只能用于自身使用,不得用于其他商业用途(如 [转卖]进行直接盈利或[编辑后售卖]进行间接盈利)。
2、本站所有内容均由合作方或网友上传,本站不对文档的完整性、权威性及其观点立场正确性做任何保证或承诺!文档内容仅供研究参考,付费前请自行鉴别。
3、如文档内容存在违规,或者侵犯商业秘密、侵犯著作权等,请点击“违规举报”。

碎片内容

建筑门窗施工图样设计要点

确认删除?
VIP
微信客服
  • 扫码咨询
会员Q群
  • 会员专属群点击这里加入QQ群
客服邮箱
回到顶部