电脑桌面
添加小米粒文库到电脑桌面
安装后可以在桌面快捷访问

自动扶梯和自动人行道年自检报告2016汇总

自动扶梯和自动人行道年自检报告2016汇总_第1页
1/10
自动扶梯和自动人行道年自检报告2016汇总_第2页
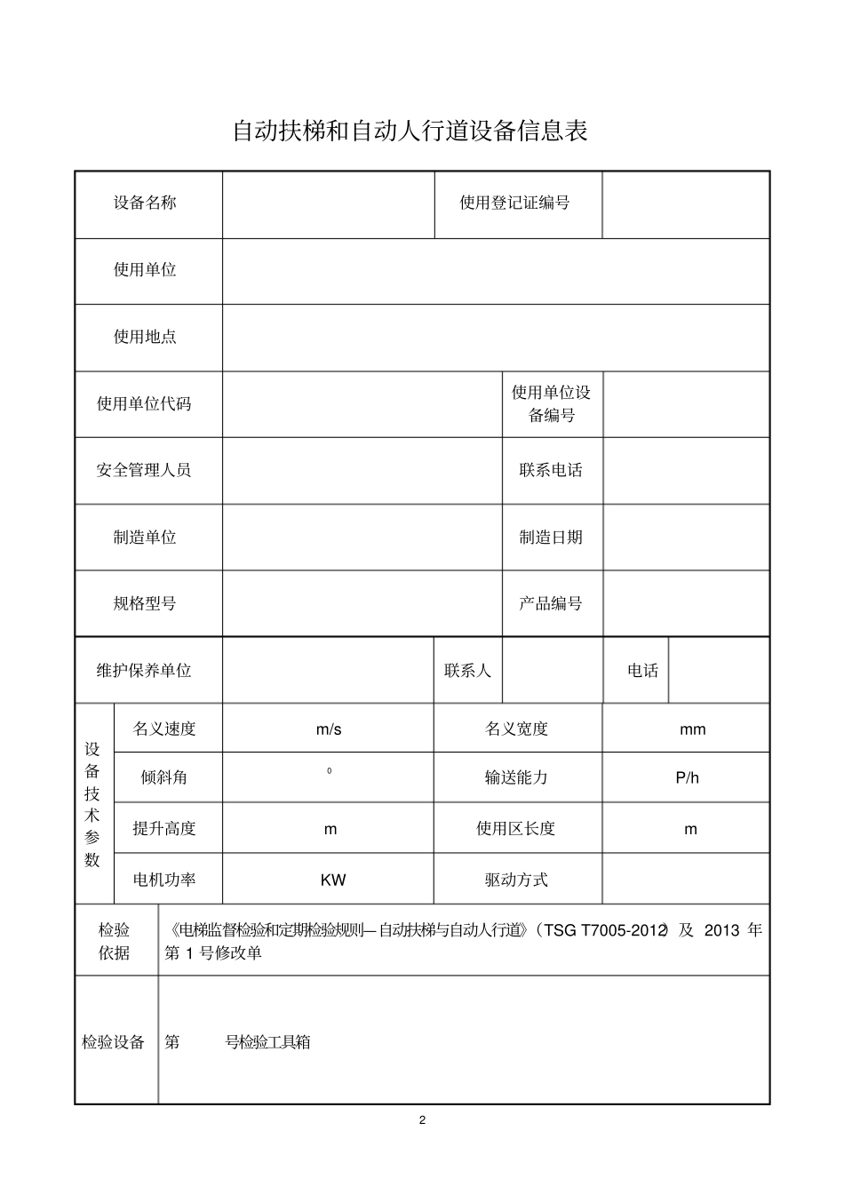
2/10
自动扶梯和自动人行道年自检报告2016汇总_第3页
3/10
自动扶梯和自动人行道年度自检报告使 用 单 位 :设 备 代 码 :设 备 名 称 :自 检 日 期 :自检员(签字) :审核(签字):批准(签字):自 检 结 论 □ 合格 □ 不合格( 电 梯 公 司 盖 章 )1 填写说明及注意事项1、本自检报告适用于自动扶梯、自动人行道年度自检现场记录。2、自检人员应遵照 《电梯监督检验和定期检验规则—自动扶梯与自动人行道》(TSG T7005-2012)及 2013 年第 1 号修改单要求认真填写。3、自检人员应具有检验资格并持证上岗, 检验时应佩带好必要的劳动防护用品。4、检验用仪器设备应完好并在计量检定期内。5、现场检验过程中,自检人员应详细记录检测情况及检测结果。6、自检报告中可使用统一规定的简单标记,表明“合格”、 “不合格”、 无此项”等。有有测试数据要求的项目,应在“自检结果”一栏中填写实测或经统计、计算处理后的数据;无测试数据要求但有需要说明情况的项目,可在“自检结果” 一栏中简要说明, 如“×楼层门锁失效”;遇特殊情况,可填写“因,,( 原因) 未检”、“无此项”、“待检”、“见附页”等。既无测试数据又无需要说明的情况时,可在“检验结果”一栏中填写“符合”(√)、“无此项”(/ )或“不符合”( X)。7、自检报告应用碳素笔、钢笔填写, 字迹端正清楚。所有的记录不得随意涂改,当记录出现错误时,应由原记录人在错误处中部划一横线,将正确值填写在其上方,并签名、标明修改日期。记录修改不得超过三处(含三处),超过三处视为无效记录。2 自动扶梯和自动人行道设备信息表设备名称使用登记证编号使用单位使用地点使用单位代码使用单位设备编号安全管理人员联系电话制造单位制造日期规格型号产品编号维护保养单位联系人电话设备技术参数名义速度 m/s 名义宽度 mm 倾斜角 0 输送能力 P/h 提升高度 m 使用区长度 m 电机功率 KW 驱动方式检验依据《电梯监督检验和定期检验规则—自动扶梯与自动人行道》(TSG T7005-2012)及 2013 年第 1 号修改单检验设备第号检验工具箱3 序号项类项目编号检验项目及其内容自检结果结论1 1技术资料1.4 使用资料(1) 使用登记资料(2) 安全技术档案(3) 管理规章制度(4) 日常维护保养合同(5) 管理人员特种设备作业人员证2 2. 驱动与转向站2.2 防护如果转动部件易接近或对人体有危险,应当设置有效的防护装置,特别是必须在内部进行维修工作的驱动站或转向站的梯级...

1、当您付费下载文档后,您只拥有了使用权限,并不意味着购买了版权,文档只能用于自身使用,不得用于其他商业用途(如 [转卖]进行直接盈利或[编辑后售卖]进行间接盈利)。
2、本站所有内容均由合作方或网友上传,本站不对文档的完整性、权威性及其观点立场正确性做任何保证或承诺!文档内容仅供研究参考,付费前请自行鉴别。
3、如文档内容存在违规,或者侵犯商业秘密、侵犯著作权等,请点击“违规举报”。

碎片内容

自动扶梯和自动人行道年自检报告2016汇总

确认删除?
VIP
微信客服
  • 扫码咨询
会员Q群
  • 会员专属群点击这里加入QQ群
客服邮箱
回到顶部