电脑桌面
添加小米粒文库到电脑桌面
安装后可以在桌面快捷访问

落地式钢管卸料平台施工方案

落地式钢管卸料平台施工方案_第1页
1/14
落地式钢管卸料平台施工方案_第2页
2/14
落地式钢管卸料平台施工方案_第3页
3/14
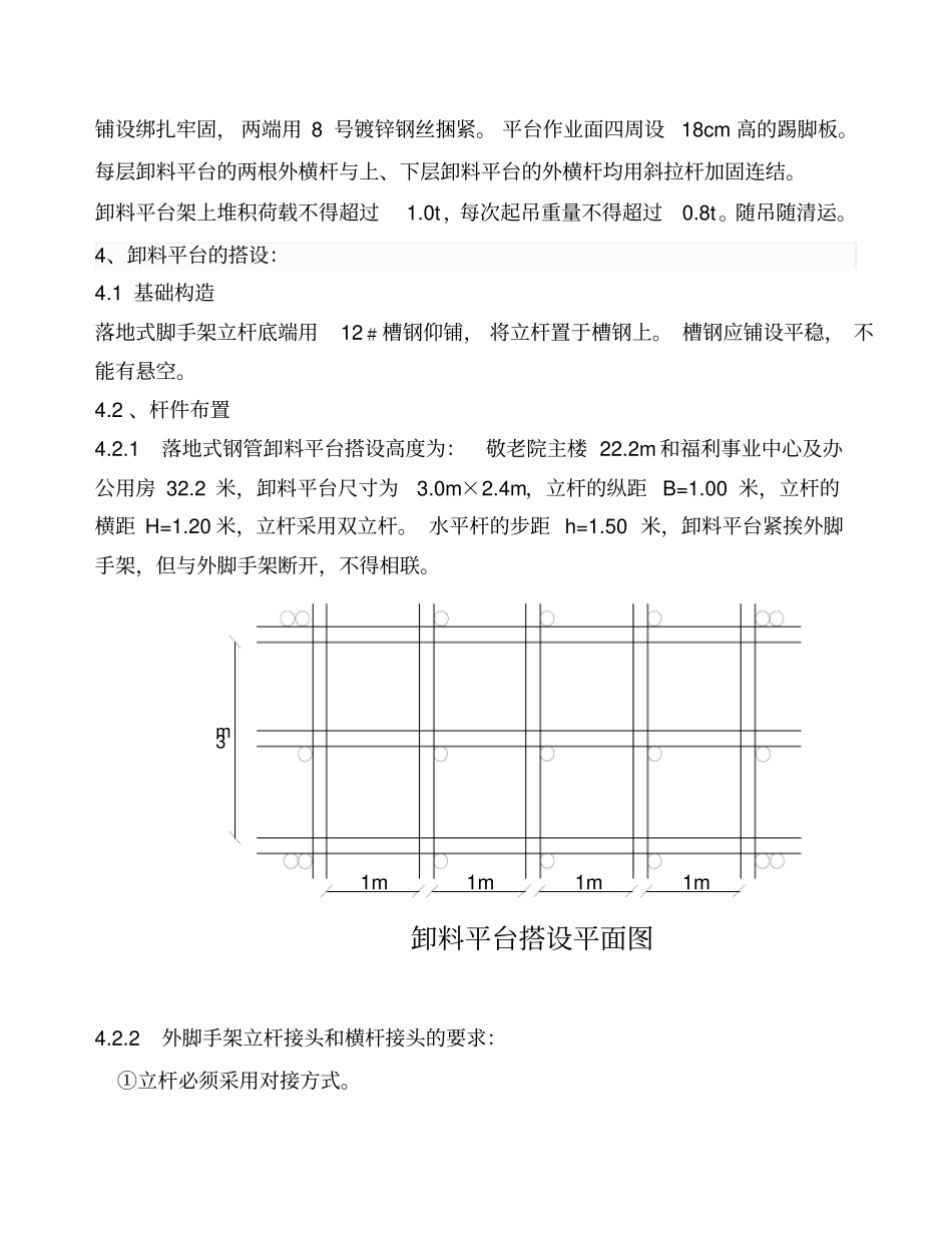
三林新村社会福利事业中心落地钢管卸料平台专项方案上海浦东新区大桥集团建筑安装有限公司三林新村社会福利事业中心(含敬老院)工程项目部2014 年 4 月 10 日1、编制依据:1、依据三林新村社会福利事业中心(含敬老院)施工设计图纸;2、依据《三林新村社会福利事业中心(含敬老院)施工组织设计》;3、各类参考规范、图书:《建筑施工计算手册》江正荣著中国建筑工业出版社;《建筑施工手册》第四版中国建筑工业出版社;《钢结构设计规范》 GB50017-2003 中国建筑工业出版社;《建筑施工脚手架实用手册(含垂直运输设施)》中国建筑工业出版社;《建筑结构荷载规范》 GB50009-2001 中国建筑工业出版社;《建筑施工扣件式钢管脚手架安全技术规范》JGJ130-2001 中国建筑工业出版社;《建筑地基基础设计规范》GB50007-2002 中国建筑工业出版社;《建筑施工安全检查标准》JGJ59-2011中国建筑工业出版社;2、工程概况:本工程位于上海市浦东新区三林镇,东至新桥港,南至16-16-02 防护绿地;西、北至16-10 防护绿地,总用地面积 9628.6 平方米,总建筑面积为 17642.63平方米。其中地上建筑面积 14562.61 平方米,地下建筑面积为 3080.02 平方米。其中敬老院主楼高度为 23.96 米,福利事业中心及办公用房高度为38.56 米。3、构造参数及搭设要求:卸料平台采用多立杆式钢管分层搭设。卸料平台紧挨外脚手架,但与外脚手架断开,单独搭设。所有杆件均用Ф 48×3.5mm,平台尺寸为 4m×3m,立杆的纵距B=1.00 米,立杆的横距 H=1.20 米,敬老院主楼立杆采用单立杆,福利事业中心及办公用房立杆采用双立杆。水平杆的步距 h=1.50 米,钢管横杆格栅间距为300mm。每层卸料平台和主体结构设两个拉接点。平台外侧面设1.2 米高防护栏,并涂刷黑黄相间的油漆标识,满挂密目安全网。平台底面满铺5cm 厚的脚手板,铺设绑扎牢固, 两端用 8 号镀锌钢丝捆紧。 平台作业面四周设18cm 高的踢脚板。每层卸料平台的两根外横杆与上、下层卸料平台的外横杆均用斜拉杆加固连结。卸料平台架上堆积荷载不得超过1.0t,每次起吊重量不得超过0.8t。随吊随清运。4、卸料平台的搭设:4.1 基础构造落地式脚手架立杆底端用12﹟槽钢仰铺, 将立杆置于槽钢上。 槽钢应铺设平稳, 不能有悬空。4.2 、杆件布置4.2.1落地式钢管卸料平台搭设高度为:敬老院主楼 22.2m 和福利事业中心及办公用房 32.2 米,卸料平台尺寸为3.0m×2.4m,立杆的纵距 B...

1、当您付费下载文档后,您只拥有了使用权限,并不意味着购买了版权,文档只能用于自身使用,不得用于其他商业用途(如 [转卖]进行直接盈利或[编辑后售卖]进行间接盈利)。
2、本站所有内容均由合作方或网友上传,本站不对文档的完整性、权威性及其观点立场正确性做任何保证或承诺!文档内容仅供研究参考,付费前请自行鉴别。
3、如文档内容存在违规,或者侵犯商业秘密、侵犯著作权等,请点击“违规举报”。

碎片内容

落地式钢管卸料平台施工方案

您可能关注的文档

确认删除?
VIP
微信客服
  • 扫码咨询
会员Q群
  • 会员专属群点击这里加入QQ群
客服邮箱
回到顶部