电脑桌面
添加小米粒文库到电脑桌面
安装后可以在桌面快捷访问

建造物沉降观测记录表

建造物沉降观测记录表_第1页
1/9
建造物沉降观测记录表_第2页
2/9
建造物沉降观测记录表_第3页
3/9
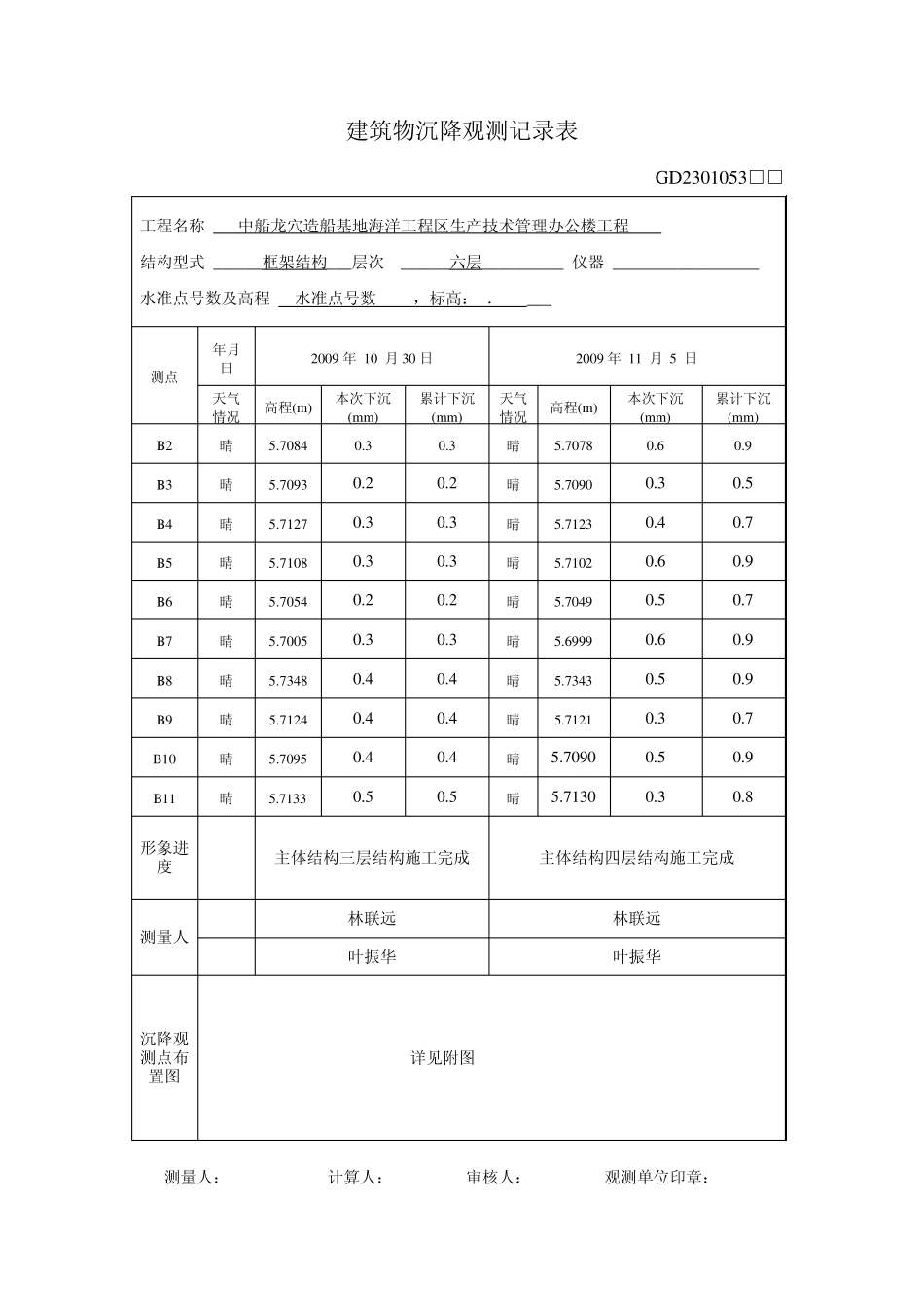
建筑物沉降观测记录表 GD2301053□□ 工程名称 中船龙穴造船基地海洋工程区生产技术管理办公楼工程 结构型式 ______框架结构___层次 ______六层__________ 仪器 __________________ 水准点号数及高程 水准点号数 G1-2,标高:5.114___ 测点 年月日 2009 年 10 月 15 日 2009 年 12 月 20 日 初次 高程(m ) 天气情况 高程(m ) 本次下沉(m m ) 天气情况 高程(m ) 本次下沉(m m ) 累计下沉(m m ) A1 5.7033 晴 5.7029 0.4 晴 5.7026 0.3 0.7 A2 5.7024 晴 5.7019 0.5 晴 5.7014 0.5 1.0 A3 5.7227 晴 5.7225 0.2 晴 5.7219 0.6 0.8 A4 5.6742 晴 5.6738 0.4 晴 5.6734 0.4 0.8 A5 5.7082 晴 5.7079 0.3 晴 5.7075 0.7 1.0 A6 5.7403 晴 5.7398 0.5 晴 5.7392 0.6 1.1 A7 5.6573 晴 5.6567 0.6 晴 5.6560 0.7 1.3 A8 5.6765 晴 5.6761 0.4 晴 5.6757 0.8 1.2 A9 5.7242 晴 5.7238 0.4 晴 5.7233 0.5 0.9 A10 5.7048 晴 5.7043 0.5 晴 5.7036 0.7 1.2 形象进度 主体结构二层结构施工完成 主体结构四层结构施工完成 测量人 林联远 林联远 叶振华 叶振华 沉降观测点布置图 详见附图 测量人: 计算人: 审核人: 观测单位印章: 建筑物沉降观测记录表 GD2301053□□ 工程名称 中船龙穴造船基地海洋工程区生产技术管理办公楼工程 结构型式 ______框架结构___层次 ______六层__________ 仪器 __________________ 水准点号数及高程 水准点号数 G1-2,标高:5.114___ 测点 年月日 2009 年 10 月 15 日 2009 年 10 月 25 日 初次 高程(m ) 天气情况 高程(m ) 本次下沉(m m ) 天气情况 高程(m ) 本次下沉(m m ) 累计下沉(m m ) A11 5.7145 晴 5.7143 0.2 晴 5.7138 0.5 0.7 A12 5.7154 晴 5.7148 0.6 晴 5.7141 0.7 1.3 A13 5.7402 晴 5.7401 0.1 晴 5.7396 0.5 0.6 A14 5.7235 晴 5.7235 0 晴 5.7230 0.5 0.5 A15 5.7074 晴 5.7070 0.4 晴 5.7064 0.6 1 A16 5.7296 晴 5.7290 0.6 晴 5.7282 0.8 1.4 A17 5.6964 晴 5.6964 0 晴 5.6959 0.5 0.5 A18 5.7167 晴 5.7166 0.1 晴 5.7163 0.3 0.4 A19 5.7118 晴 5.7116 0.2 晴 5.7108 0.8 1 B1 5.7005 晴 5.7001 0.4 ...

1、当您付费下载文档后,您只拥有了使用权限,并不意味着购买了版权,文档只能用于自身使用,不得用于其他商业用途(如 [转卖]进行直接盈利或[编辑后售卖]进行间接盈利)。
2、本站所有内容均由合作方或网友上传,本站不对文档的完整性、权威性及其观点立场正确性做任何保证或承诺!文档内容仅供研究参考,付费前请自行鉴别。
3、如文档内容存在违规,或者侵犯商业秘密、侵犯著作权等,请点击“违规举报”。

碎片内容

建造物沉降观测记录表

确认删除?
VIP
微信客服
  • 扫码咨询
会员Q群
  • 会员专属群点击这里加入QQ群
客服邮箱
回到顶部