电脑桌面
添加小米粒文库到电脑桌面
安装后可以在桌面快捷访问

数字万用表函数发生器交流毫伏表使用方法

数字万用表函数发生器交流毫伏表使用方法_第1页
1/20
数字万用表函数发生器交流毫伏表使用方法_第2页
2/20
数字万用表函数发生器交流毫伏表使用方法_第3页
3/20
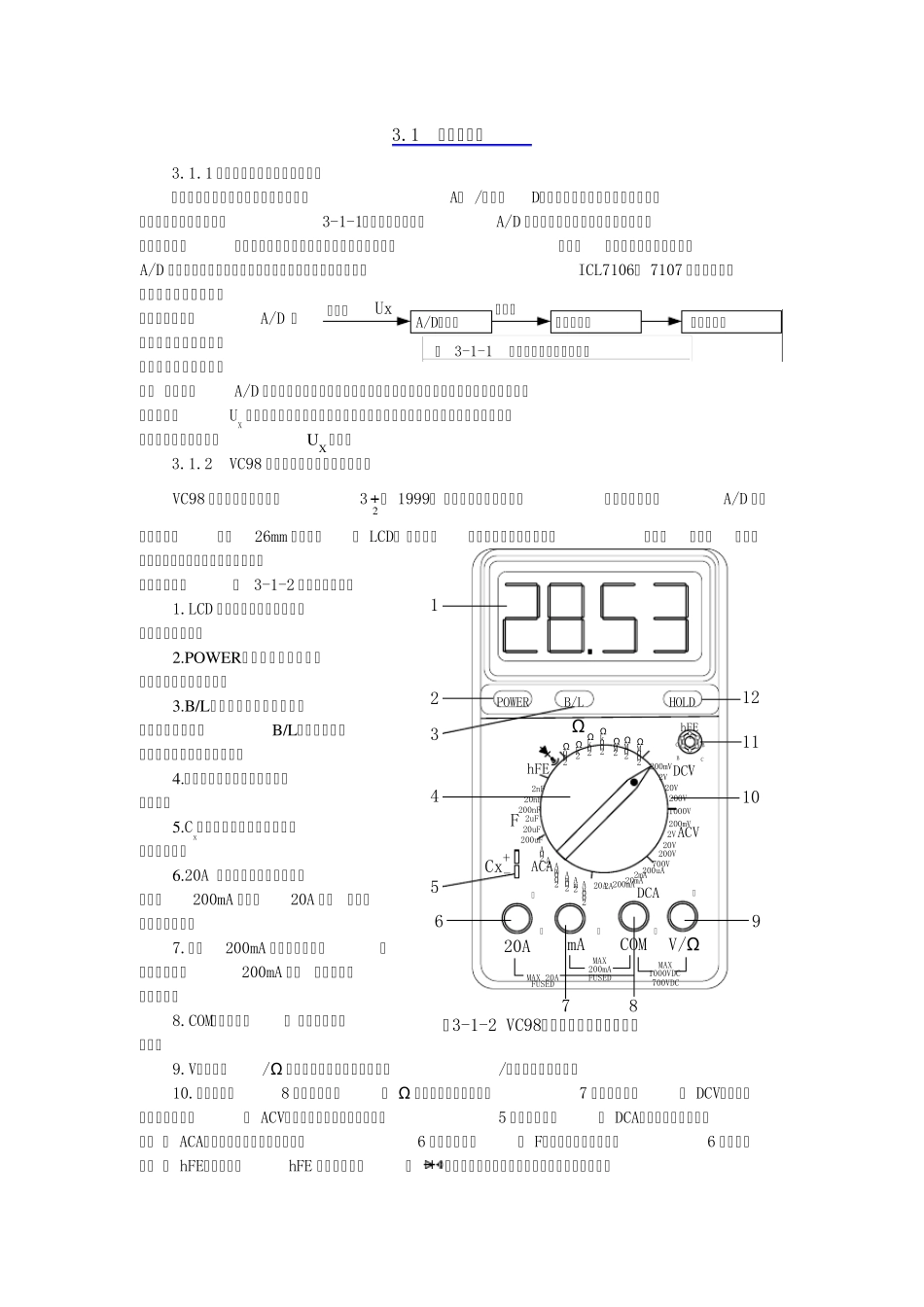
3.1 数字万用表 3.1.1 数字万用表的结构和工作原理 数字万用表主要由液晶显示屏、模拟(A) /数字(D)转换器、电子计数器、转换开关等组成。其测量过程如图3-1-1。被测模拟量先由A/D 转换器转换成数字量,然后通过电子计数器计数,最后把测量结果用数字直接显示在显示屏上。可见,数字万用表的核心部件是A/D 转换器。目前,教学、科研领域使用的数字万用表大都以ICL7106、 7107 大规模集成电路为主芯片。该芯片内部包含双斜积分A/D 转换器、显示锁存器、七段译码器、显示驱动器等。 双斜积分A/D 转换器的基本工作原理是在一个测量周期内用同一个积分器进行两次积分,将被测电压UX 转换成与其成正比的时间间隔,在此间隔内填充标准频率的时钟脉冲,用仪器记录的脉冲个数来反UX的值。 3.1.2 VC98 系列数字万用表操作面板简介 VC98 系列数字万用表具有321 ( 1999) 位自动极性显示功能。该表以双斜积分A/D 转换器为核心,采用26mm 字高液晶( LCD) 显示屏,可用来测量交直流电压、电流,电阻,电容,二极管,三极管,通断测试,温度及频率等参数。图 3-1-2 为其操作面板。 1.LCD 液晶显示屏:显示仪表测量的数值及单位。 2.POWER(电源)开关:用于开启、关闭万用表电源。 3.B/L(背光)开关:开启及关闭背光灯。按下“B/L”开关,背光灯亮,再次按下,背光取消。 4.旋钮开关:用于选择测量功能及量程。 5.Cx(电容)测量插孔:用于放置被测电容。 6.20A 电流测量插孔:当被测电流大于200mA 而小于20A 时, 应将红表笔插入此孔。 7.小于200mA 电流测量插孔:当被测电流小于200mA 时, 应将红表笔插入此孔。 8.COM(公共地): 测量时插入黑表笔。 9.V(电压)/Ω (电阻)测量插孔:测量电压/电阻时插入红表笔。 10.刻度盘:共8 个测量功能。“ Ω ”为电阻测量功能,有7 个量程档位;“ DCV”为直流电压测量功能,“ ACV”为交流电压测量功能,各有5 个量程档位;“ DCA”为直流电流测量功能, “ ACA”为交流电流测量功能,各有6 个量程档位;“ F”为电容测量功能,有6 个量程档位; “ hFE”为三极管hFE 值测量功能;“”为二极管及通断测试功能,测试二极管时,近POWERB/LHOLDDCVACV200mV2V20V200V1000V200mV2V20V200V700V20A2A200mA20mA2mA200uA2A200mA20mA2mA200uA20ADCAACA200Ω200MΩ20MΩ2MΩ200kΩ20kΩ2kΩ2nF20nF200nF2uF20uF200uFhFEFΩ+-CxV/ΩCOMmA20A▲▲▲▲▲1...

1、当您付费下载文档后,您只拥有了使用权限,并不意味着购买了版权,文档只能用于自身使用,不得用于其他商业用途(如 [转卖]进行直接盈利或[编辑后售卖]进行间接盈利)。
2、本站所有内容均由合作方或网友上传,本站不对文档的完整性、权威性及其观点立场正确性做任何保证或承诺!文档内容仅供研究参考,付费前请自行鉴别。
3、如文档内容存在违规,或者侵犯商业秘密、侵犯著作权等,请点击“违规举报”。

碎片内容

数字万用表函数发生器交流毫伏表使用方法

小辰3+ 关注
实名认证
内容提供者

出售各种资料和文档

相关文档

确认删除?
VIP
微信客服
  • 扫码咨询
会员Q群
  • 会员专属群点击这里加入QQ群
客服邮箱
回到顶部