电脑桌面
添加小米粒文库到电脑桌面
安装后可以在桌面快捷访问

施A03施工图会审(审核)记录表20111017

施A03施工图会审(审核)记录表20111017_第1页
1/11
施A03施工图会审(审核)记录表20111017_第2页
2/11
施A03施工图会审(审核)记录表20111017_第3页
3/11
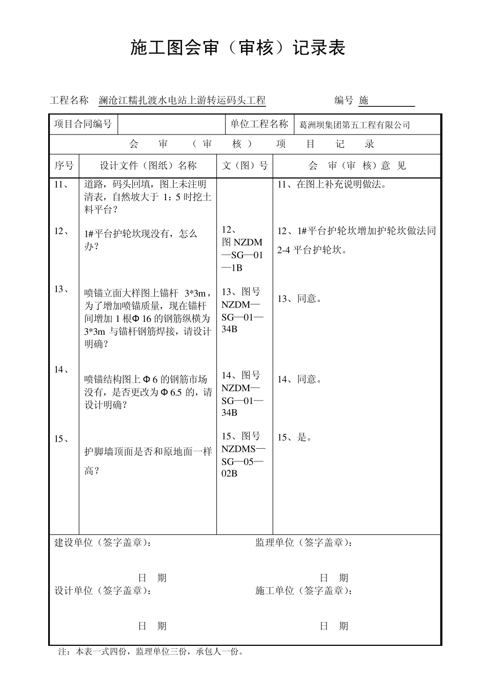
施工图会审(审核)记录表 工程名称: 澜沧江糯扎渡水电站上游转运码头工程 编号:施A- 03-001 项目合同编号 单位工程名称 葛洲坝集团第五工程有限公司 会 审 ( 审 核 ) 项 目 记 录 序号 设计文件(图纸)名称 文(图)号 会 审(审 核)意 见 1、 2、 3、 4、 5、 6、 各客运平台,两侧均无剖面,是否参照相邻剖面做法? 各平台挡墙平面图尺寸与个平台挡墙结构图(一)和开挖剖面尺寸不合,现采取哪个为准? 图号NZD-SG-01-18B16-16断面图中,813m 处为截面是多少? 图号NZD-SG-03-08B图中,4-4剖面无详细尺寸,是否码头前沿线前为2791m m 、后为4872m m ? 图号NZD-SG-04-04B 图中2-2断面的标高是否有误差,应为“760”。 图中4-4 断面图结合挡土墙结构图(一)与开挖平面尺寸不一致,开挖尺寸多了 20cm ,以什么为准? 3、图号NZD-SG-01-18B 4、图号NZD-SG-03-08B 5、图号NZD-SG-04-04B 6、图号NZD-SG-04-06B 1、是。 2、以挡墙结构图(一)为准。 3、参照二、四号平台为1700m m 。 4、是。 5、是。 6、所有平台有栏杆基础均多0.2m ,所有4-4 断面图参照挡墙节点、结构图(一)载面相应参加 20m 。 建设单位(签字盖章): 监理单位(签字盖章): 日 期 日 期 设计单位(签字盖章): 施工单位(签字盖章): 日 期 日 期 注:本表一式四份,监理单位三份,承包人一份。 施工图会审(审核)记录表 工程名称: 澜沧江糯扎渡水电站上游转运码头工程 编号:施A- 03-002 项目合同编号 单位工程名称 葛洲坝集团第五工程有限公司 会 审 ( 审 核 ) 项 目 记 录 序号 设计文件(图纸)名称 文(图)号 会 审(审 核)意 见 7、 8、 9、 10、 图中4-4 断面无详细尺寸? 开挖平面图中尺寸与各断面结构图(一)中尺寸不符合?开挖为“5428”,结构挡墙为“5643”,以哪个为准。 四号平台开挖平面图中平面尺寸与图号NZDM—SG—04-07B 四号平台挡墙平面尺寸不合? 根据挡土墙结构图(一)查阅,挡土墙平面尺寸对能与挡土墙结构图(一)相符。1-1,2-2,3-3 断面前沿线内是否为“3655”? 挡土墙结构图(一)(二)阴角(转角处)因无法转弯。现做需调整,是否做成圆弧形? 7、图号NZDM—SG—04—07B 8、图号NZDM—SG—04—08B 9、图号NZDM—SG—01—08B 10、图号NZDM—SG—01—32B、33B 7、在图上量一下。 8、以挡土墙结构图(一)...

1、当您付费下载文档后,您只拥有了使用权限,并不意味着购买了版权,文档只能用于自身使用,不得用于其他商业用途(如 [转卖]进行直接盈利或[编辑后售卖]进行间接盈利)。
2、本站所有内容均由合作方或网友上传,本站不对文档的完整性、权威性及其观点立场正确性做任何保证或承诺!文档内容仅供研究参考,付费前请自行鉴别。
3、如文档内容存在违规,或者侵犯商业秘密、侵犯著作权等,请点击“违规举报”。

碎片内容

施A03施工图会审(审核)记录表20111017

您可能关注的文档

确认删除?
VIP
微信客服
  • 扫码咨询
会员Q群
  • 会员专属群点击这里加入QQ群
客服邮箱
回到顶部