电脑桌面
添加小米粒文库到电脑桌面
安装后可以在桌面快捷访问

施工升降机使用安全管理台帐

施工升降机使用安全管理台帐_第1页
1/12
施工升降机使用安全管理台帐_第2页
2/12
施工升降机使用安全管理台帐_第3页
3/12
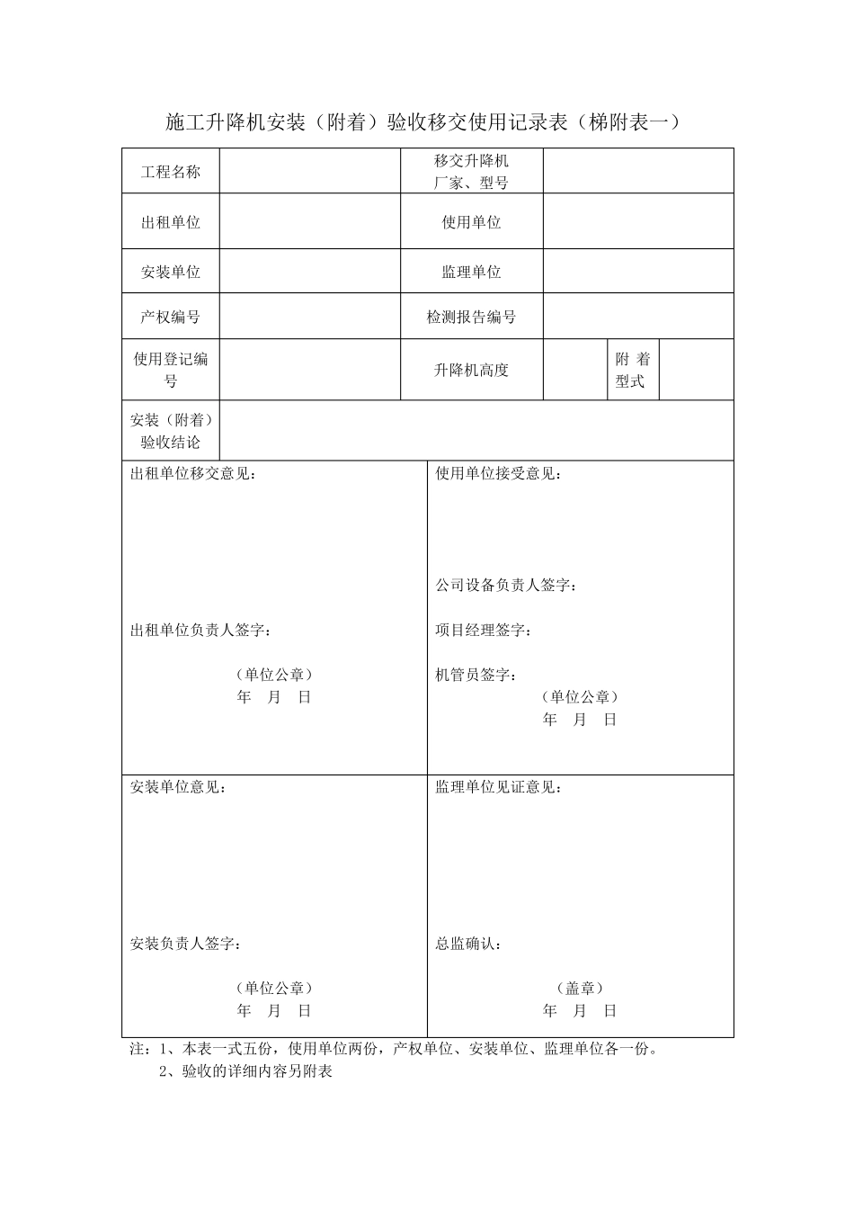
施工升降机安装(附着)验收移交使用记录表(梯附表一) 工程名称 移交升降机 厂家、型号 出租单位 使用单位 安装单位 监理单位 产权编号 检测报告编号 使用登记编号 升降机高度 附着型式 安装(附着)验收结论 出租单位移交意见: 出租单位负责人签字: (单位公章) 年 月 日 使用单位接受意见: 公司设备负责人签字: 项目经理签字: 机管员签字: (单位公章) 年 月 日 安装单位意见: 安装负责人签字: (单位公章) 年 月 日 监理单位见证意见: 总监确认: (盖章) 年 月 日 注:1、本表一式五份,使用单位两份,产权单位、安装单位、监理单位各一份。 2、验收的详细内容另附表 施工升降机使用安全技术交底记录表(梯附表二) 使用单位 交底时间 工程名称 升降机厂家、型号 工种 交底内容: 交底人签名 被交底人签名 注:根据升降机作业工种分别交底,由机管员负责交底。本表一式二联,一份留存,另一份交作业人员保存。 施工升降机操作人员安全教育记录表(梯附表三) 使用单位 教育部门 工程名称 教育时间 升降机厂家、型号 工种 教育内容: 教育人签名 接受教育人签名 注:根据安全法规、安全管理制度、不同施工阶段和作业环境等对施工升降机操作人员进行经常教育。 施工升降机项目部周检查记录表(梯附表四) 名称 序号 检查内容 检查要求 检查结果 基础和围护设施 1 围栏门联锁保护 应装机电联锁装置,吊笼位于底部规定位置围栏门才能打开,围栏门开启后吊笼不能启动; 2 防护围栏 完好、无损坏; 3 安全防护区 当升降机基础下有施工空间或通道时,应设防对重坠落伤人的安全防护区域; 金属结构件及连接固定 4 金属结构件外观 无明显变形、脱焊、开裂和严重锈蚀; 5 螺栓联接 紧固件安装准确、紧固; 6 销轴联接 销轴联接定位可靠; 8 齿条啮合及固定 啮合正常、无严重磨损;固定应可靠; 9 天滑轮固定 固定应可靠; 吊笼 10 紧急出口活动门 活动板门应设有安全开关,当门打开时,吊笼不能启动; 11 吊笼顶部护栏 应固定可靠、无缺损; 层门 12 停层层门 各停层点应设置,结构上能由司机开关,层门完好; 传动 及 导向轮 13 制动器、防护装置 制动性能良好,有手动松闸功能;转动零部件的外露部分应有防护罩等防护装置; 14 传动机构 无异常噪 声 、无漏 雨 ;传动板固定可靠;缓冲 橡 胶 垫 无老 化 现...

1、当您付费下载文档后,您只拥有了使用权限,并不意味着购买了版权,文档只能用于自身使用,不得用于其他商业用途(如 [转卖]进行直接盈利或[编辑后售卖]进行间接盈利)。
2、本站所有内容均由合作方或网友上传,本站不对文档的完整性、权威性及其观点立场正确性做任何保证或承诺!文档内容仅供研究参考,付费前请自行鉴别。
3、如文档内容存在违规,或者侵犯商业秘密、侵犯著作权等,请点击“违规举报”。

碎片内容

施工升降机使用安全管理台帐

确认删除?
VIP
微信客服
  • 扫码咨询
会员Q群
  • 会员专属群点击这里加入QQ群
客服邮箱
回到顶部