电脑桌面
添加小米粒文库到电脑桌面
安装后可以在桌面快捷访问

施工缝后浇带专项施工方案

施工缝后浇带专项施工方案_第1页
1/6
施工缝后浇带专项施工方案_第2页
2/6
施工缝后浇带专项施工方案_第3页
3/6
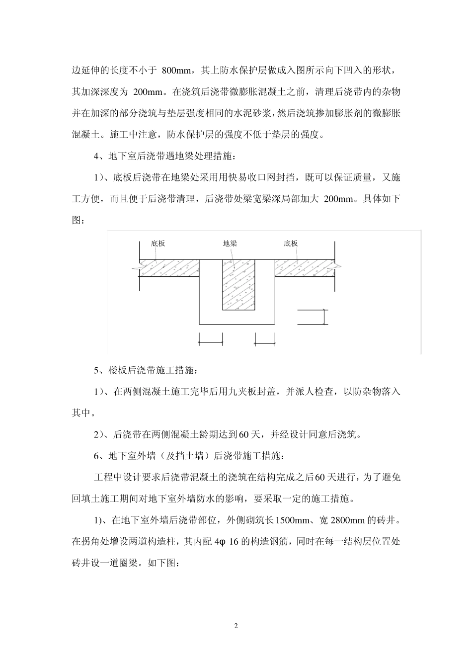
1 万科* * * * * * * 组团 地下室后浇带及施工缝施工专项方案 一、后浇带处理方法 1 、本工程地下室底板、地下室外墙和楼板设置有后浇带。 2 、在本工程施工中,结合我公司以往的施工经验,后浇带处采用快易收口网做新旧混凝土接茬处的隔离带,后浇带处的钢筋不断开。后浇带在两侧混凝土龄期达到 6 0 天,并经设计同意后浇筑。后浇带的养护时间不少于 2 8 天,后浇带外露的钢筋可采用水泥浆保护。后浇带浇筑前应进行钢筋除锈,清除浮浆、碎石等杂物,并冲洗干净。 3 、地下室底板后浇带施工措施: 1 )、底板、地梁后浇带在底板混凝土施工完毕后用九夹板封盖,并派人检查,以防杂物落入其中。 2 )、将底板、地梁处后浇带加深,在浇筑混凝土前清理干净,并请有关单位进行隐蔽验收,然后浇筑封堵混凝土,如下图: 1000(800)10020030045地下室底板400400Φ12@200快易收口网800800800 3 )、地下室底板后浇带处由防水施工单位做防水加强层,防水加强层向两 2 地梁底板底板200200200边延伸的长度不小于800m m ,其上防水保护层做成入图所示向下凹入的形状,其加深深度为200m m 。在浇筑后浇带微膨胀混凝土之前,清理后浇带内的杂物并在加深的部分浇筑与垫层强度相同的水泥砂浆,然后浇筑掺加膨胀剂的微膨胀混凝土。施工中注意,防水保护层的强度不低于垫层的强度。 4、地下室后浇带遇地梁处理措施: 1)、底板后浇带在地梁处采用用快易收口网封挡,既可以保证质量,又施工方便,而且便于后浇带清理,后浇带处梁宽梁深局部加大 200m m 。具体如下图: 5、楼板后浇带施工措施: 1)、在两侧混凝土施工完毕后用九夹板封盖,并派人检查,以防杂物落入其中。 2)、后浇带在两侧混凝土龄期达到 60 天,并经设计同意后浇筑。 6、地下室外墙(及挡土墙)后浇带施工措施: 工程中设计要求后浇带混凝土的浇筑在结构完成之后60 天进行,为了避免回填土施工期间对地下室外墙防水的影响,要采取一定的施工措施。 1)、在地下室外墙后浇带部位,外侧砌筑长1500m m 、宽 2800m m 的砖井。在拐角处增设两道构造柱,其内配 4φ 16 的构造钢筋,同时在每一结构层位置处砖井设一道圈梁。如下图: 3 2)、待土方回填之后,施工人员进入砖井支设后浇带处模板。每层预留混凝土浇筑孔,使混凝土的浇筑高度不超过3000m m 。 3)、地下室外墙后浇带施工完毕后在砖井内,接着原来的外墙防水层做后浇带部分的防水新旧防...

1、当您付费下载文档后,您只拥有了使用权限,并不意味着购买了版权,文档只能用于自身使用,不得用于其他商业用途(如 [转卖]进行直接盈利或[编辑后售卖]进行间接盈利)。
2、本站所有内容均由合作方或网友上传,本站不对文档的完整性、权威性及其观点立场正确性做任何保证或承诺!文档内容仅供研究参考,付费前请自行鉴别。
3、如文档内容存在违规,或者侵犯商业秘密、侵犯著作权等,请点击“违规举报”。

碎片内容

施工缝后浇带专项施工方案

确认删除?
VIP
微信客服
  • 扫码咨询
会员Q群
  • 会员专属群点击这里加入QQ群
客服邮箱
回到顶部