电脑桌面
添加小米粒文库到电脑桌面
安装后可以在桌面快捷访问

施工质量自检评定表VIP专享

施工质量自检评定表_第1页
1/13
施工质量自检评定表_第2页
2/13
施工质量自检评定表_第3页
3/13
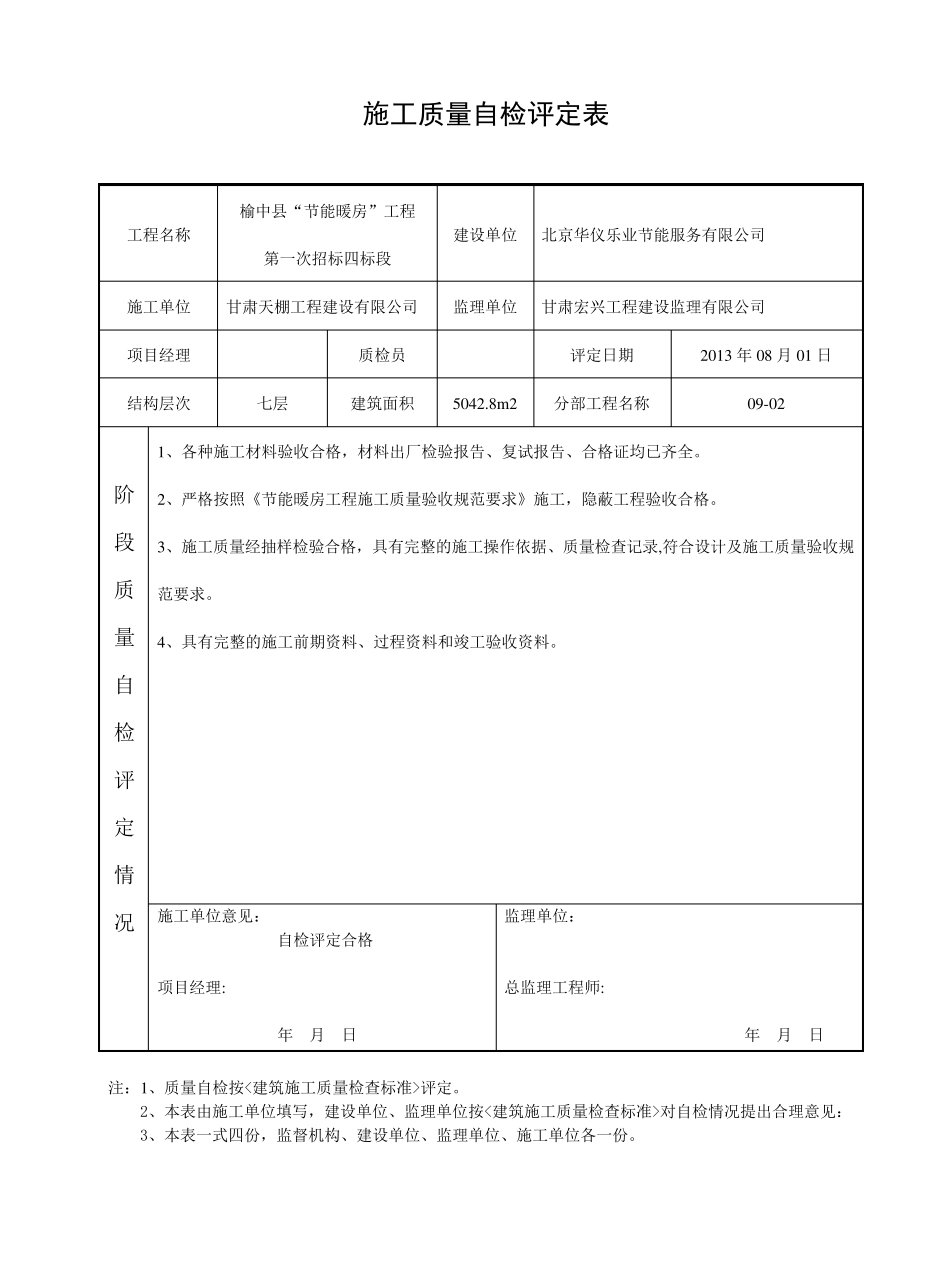
施工质量自检评定表 工程名称 榆中县“节能暖房”工程 第一次招标四标段 建设单位 北京华仪乐业节能服务有限公司 施工单位 甘肃天棚工程建设有限公司 监理单位 甘肃宏兴工程建设监理有限公司 项目经理 质检员 评定日期 2013 年 08 月 01 日 结构层次 七层 建筑面积 5042.8m 2 分部工程名称 09-02 阶段质量自检评定情况 1、各种施工材料验收合格,材料出厂检验报告、复试报告、合格证均已齐全。 2、严格按照《节能暖房工程施工质量验收规范要求》施工,隐蔽工程验收合格。 3、施工质量经抽样检验合格,具有完整的施工操作依据、质量检查记录,符合设计及施工质量验收规范要求。 4、具有完整的施工前期资料、过程资料和竣工验收资料。 施工单位意见: 自检评定合格 项目经理: 年 月 日 监理单位: 总监理工程师: 年 月 日 注:1、质量自检按<建筑施工质量检查标准>评定。 2、本表由施工单位填写,建设单位、监理单位按<建筑施工质量检查标准>对自检情况提出合理意见: 3、本表一式四份,监督机构、建设单位、监理单位、施工单位各一份。 施工质量自检评定表 工程名称 榆中县“节能暖房”工程 第一次招标四标段 建设单位 北京华仪乐业节能服务有限公司 施工单位 甘肃天棚工程建设有限公司 监理单位 甘肃宏兴工程建设监理有限公司 项目经理 质检员 评定日期 2013 年 08 月 01 日 结构层次 七层 建筑面积 7545.4m 2 分部工程名称 09-03 阶段质量自检评定情况 1、各种施工材料验收合格,材料出厂检验报告、复试报告、合格证均已齐全。 2、严格按照《节能暖房工程施工质量验收规范要求》施工,隐蔽工程验收合格。 3、施工质量经抽样检验合格,具有完整的施工操作依据、质量检查记录,符合设计及施工质量验收规范要求。 4、具有完整的施工前期资料、过程资料和竣工验收资料。 施工单位意见: 自检评定合格 项目经理: 年 月 日 监理单位: 总监理工程师: 年 月 日 注:1、质量自检按<建筑施工质量检查标准>评定。 2、本表由施工单位填写,建设单位、监理单位按<建筑施工质量检查标准>对自检情况提出合理意见: 3、本表一式四份,监督机构、建设单位、监理单位、施工单位各一份。 施工质量自检评定表 工程名称 榆中县“节能暖房”工程 第一次招标四标段 建设单位 北京华仪乐业节能服务有限公司 施工单位 甘肃天棚工程建设有限公司 监理单位 甘肃宏兴工程...

1、当您付费下载文档后,您只拥有了使用权限,并不意味着购买了版权,文档只能用于自身使用,不得用于其他商业用途(如 [转卖]进行直接盈利或[编辑后售卖]进行间接盈利)。
2、本站所有内容均由合作方或网友上传,本站不对文档的完整性、权威性及其观点立场正确性做任何保证或承诺!文档内容仅供研究参考,付费前请自行鉴别。
3、如文档内容存在违规,或者侵犯商业秘密、侵犯著作权等,请点击“违规举报”。

碎片内容

施工质量自检评定表

确认删除?
VIP
微信客服
  • 扫码咨询
会员Q群
  • 会员专属群点击这里加入QQ群
客服邮箱
回到顶部