电脑桌面
添加小米粒文库到电脑桌面
安装后可以在桌面快捷访问

旅游景区企业安全管理考核标准

旅游景区企业安全管理考核标准_第1页
1/26
旅游景区企业安全管理考核标准_第2页
2/26
旅游景区企业安全管理考核标准_第3页
3/26
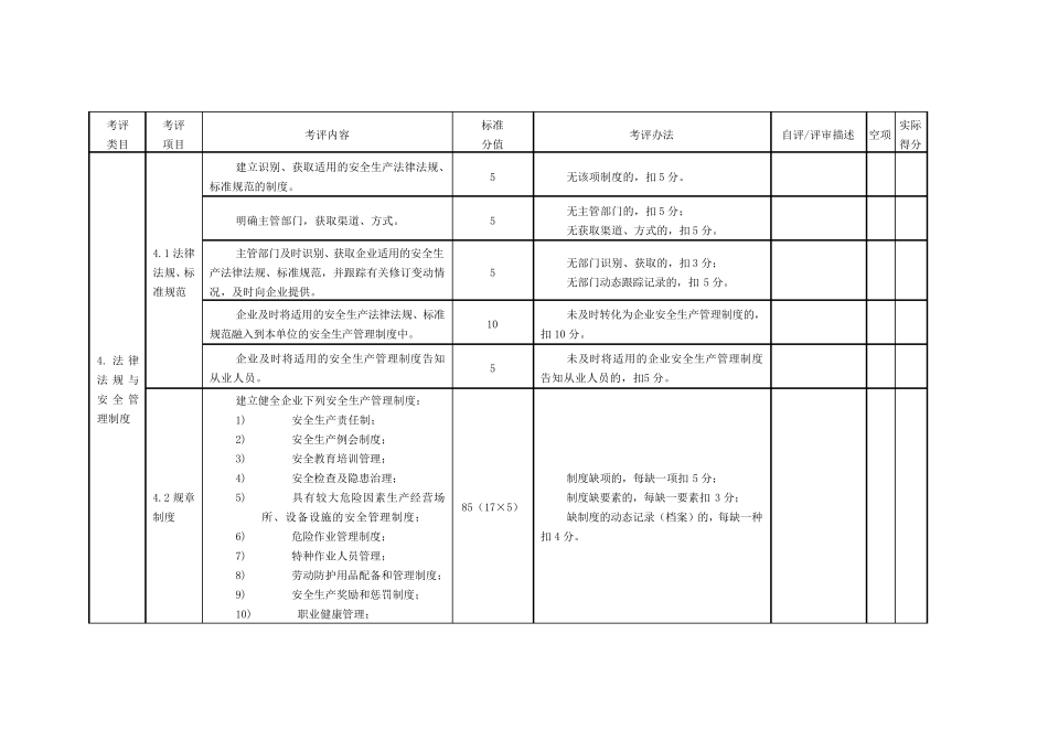
旅游景区企业安全管理考核评分表 考核单位: 被考核单位: 考评 类目 考评 项目 考评内容 标准 分值 考评办法 自评/评审描述 空项 实际 得分 1. 安全生产目标 1.1 目标 建立企业安全生产总体、年度目标。 4 无安全生产总体目标的,扣 2 分; 无安全生产年度目标的,扣 2 分。 1.2 考核 按企业所属部门,基层单位的安全生产职能分解企业安全生产指标,并制定考核办法。 4 无安全生产指标分解的,扣 2 分; 无考核办法的,扣 2 分。 定期对安全生产目标的完成效果进行评估与考核,并做好记录。 2 无评估与考核记录的,扣 2 分。 小计 10 得分小计 2. 组 织机 构 和职责 2.1 组织机构 1.按规定设置企业安全生产管理机构; 2.按规定配备企业安全生产管理人员。 从业人员超过 100 人的,应当设置安全生产管理机构或配备专职安全管理员;从业人员在 100人以下应当配备专职或兼职安全管理人员。 10 未按规定设置机构的,扣5 分; 未按规定配备人员的,扣 5 分。 考评 类目 考评 项目 考评内容 标准 分值 考评办法 自评/评审描述 空项 实际 得分 2.2 职责 1.明确企业主要负责人的安全生产职责; 2.应建立安全生产责任制,明确企业各层面、各部门、各岗位不同的安全生产职责。 25 未明确企业主要负责人职责的,扣5 分; 未明确企业各层面、各部门、各岗位不同的安全生产职责的,每一项扣 3 分,扣满后追扣 10 分。 小计 30 得分小计 3. 安全生产投入 3.1 安全生产费用 1.建立企业安全生产投入制度; 2.保证安全生产费用投入,确保专款专用,做好安全生产投入记录; 安全生产费用应专项用于下列安全生产事项: 1) 安全技术措施工程建设; 2) 安全设备、设施的购置、更新和维护; 3) 安全生产宣传、教育和培训; 4) 劳动防护用品配备; 5) 重大危险源监控; 6) 生产安全事故应急救援演练; 7) 其他保障安全生产的事项。 10 未依法建立投入制度的,扣 10 分; 制度缺项的,每缺一项扣 2 分; 未做好安全生产投入记录的,扣 10 分; 安全生产投入无动态记录的,扣 6 分。 3.2 相关保险 1.缴纳足额的保险费(工伤保险,安全生产责任险)。 10 未缴纳保险费用的,扣 10 分; 无保险费用缴纳凭证的,扣 10 分。 小计 20 得分小计 考 评 类 目 考 评 项 目 考 评 内 容 标 准 分 值 考 评 办 法 自...

1、当您付费下载文档后,您只拥有了使用权限,并不意味着购买了版权,文档只能用于自身使用,不得用于其他商业用途(如 [转卖]进行直接盈利或[编辑后售卖]进行间接盈利)。
2、本站所有内容均由合作方或网友上传,本站不对文档的完整性、权威性及其观点立场正确性做任何保证或承诺!文档内容仅供研究参考,付费前请自行鉴别。
3、如文档内容存在违规,或者侵犯商业秘密、侵犯著作权等,请点击“违规举报”。

碎片内容

旅游景区企业安全管理考核标准

您可能关注的文档

确认删除?
VIP
微信客服
  • 扫码咨询
会员Q群
  • 会员专属群点击这里加入QQ群
客服邮箱
回到顶部