电脑桌面
添加小米粒文库到电脑桌面
安装后可以在桌面快捷访问

旋挖钻孔桩施工技术交底

旋挖钻孔桩施工技术交底_第1页
1/8
旋挖钻孔桩施工技术交底_第2页
2/8
旋挖钻孔桩施工技术交底_第3页
3/8
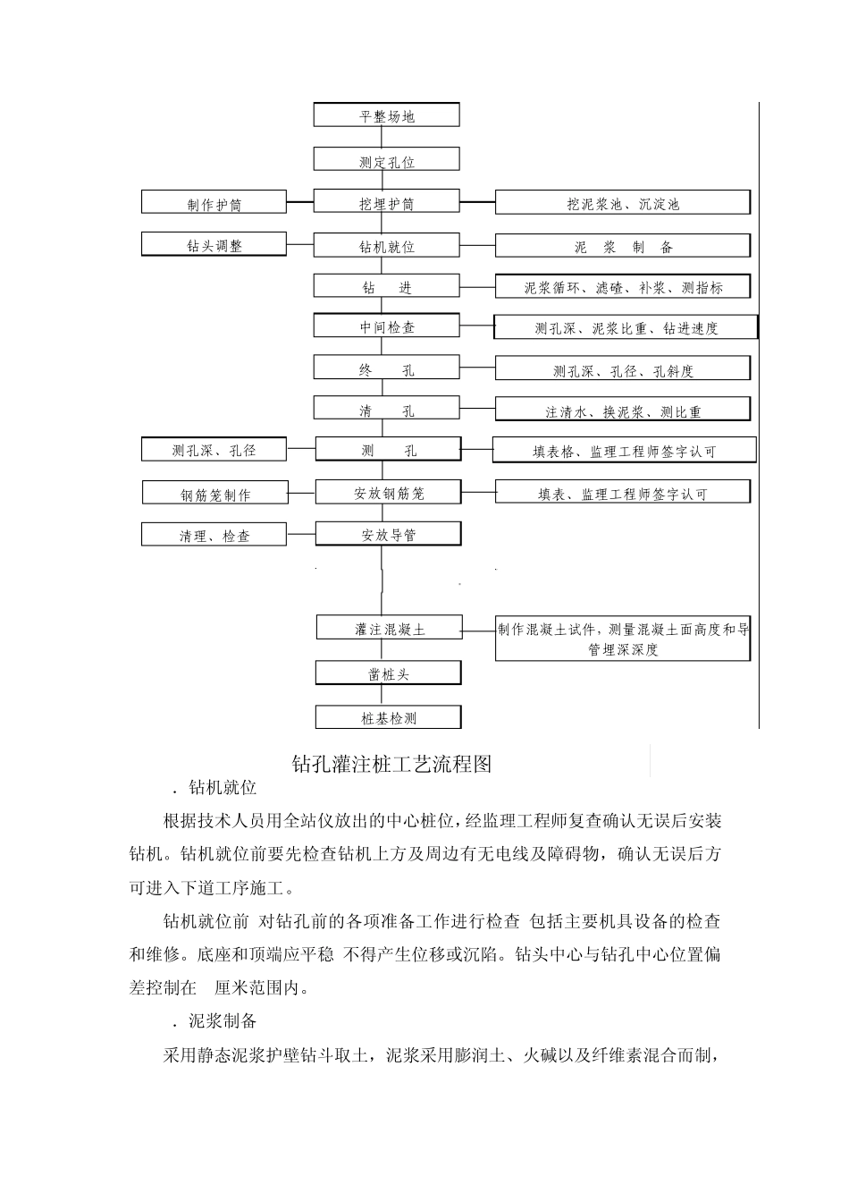
旋挖钻孔灌注桩施工技术交底 一、施工准备 1.施工前做好各种管线标识及防护,地上、地下的电缆、管线、旧建筑物、设备基础等障碍物均已排除处理完毕。各项临时设施,如照明、动力、通风、安全设施准备就绪。 2.平整场地 在桩基施工前,将施工场地用机械碾压平整,把桩基位置垫平,用装载机找平,夯填密实,使机械顺利进场,并保证在施工中钻机的稳定。钻孔场地在陡坡时,应挖成平坡。如有困难,可用排架或枕木搭设工作平台。 3.桩位放样 进行施工放样,作业队配合测量组按设计图纸定出孔位和护桩。经检查无误后,由施工队埋设十字护桩,十字护桩必须进行保护,以备开挖过程中对桩位进行检验。 4.选定合适位置挖好泥浆池,一般 2个墩位共用一个泥浆池。 5.导管须在监理单位见证下完成预压试验工作。 二、施工工艺 施工工艺见钻孔灌注桩工艺流程图。 1.埋设护筒 护筒采用 12㎜厚钢板制作,并在顶部焊加强筋和吊耳,内径比桩径大 20cm,长度至少为 2-6m,采用机械开挖埋设护筒,护筒底部与土层相接处用粘土夯实,护筒外面也用粘土填满、夯实,严防地表水顺该处渗入。顶部高出施工地面 50厘米,护筒竖向的倾斜度不得大于 1%。钻进过程中要经常检查护筒是否发生偏移和下沉,发现问题及时处理。 2.钻机就位 根据技术人员用全站仪放出的中心桩位,经监理工程师复查确认无误后安装钻机。钻机就位前要先检查钻机上方及周边有无电线及障碍物,确认无误后方可进入下道工序施工。 钻机就位前,对钻孔前的各项准备工作进行检查,包括主要机具设备的检查和维修。底座和顶端应平稳,不得产生位移或沉陷。钻头中心与钻孔中心位置偏差控制在2厘米范围内。 3.泥浆制备 采用静态泥浆护壁钻斗取土,泥浆采用膨润土、火碱以及纤维素混合而制,平整场地 凿桩头 测定孔位 挖埋护筒 钻机就位 钻 进 制作护筒 钻头调整 中间检查 终 孔 清 孔 测 孔 安放钢筋笼 安放导管 灌注混凝土 挖泥浆池、沉淀池 泥 浆 制 备 泥浆循环、滤碴、补浆、测指标 测孔深、泥浆比重、钻进速度 测孔深、孔径、孔斜度 注清水、换泥浆、测比重 填表格、监理工程师签字认可 填表、监理工程师签字认可 制作混凝土试件,测量混凝土面高度和导管埋深深度 清理、检查 测孔深、孔径 钢筋笼制作 钻孔灌注桩工艺流程图 桩基检测 在泥浆池中用搅浆机将泥浆搅拌好后,泵入孔内,旋挖钻均匀缓慢钻进,这样既钻进又起到泥浆护壁的作用。钻进时掌...

1、当您付费下载文档后,您只拥有了使用权限,并不意味着购买了版权,文档只能用于自身使用,不得用于其他商业用途(如 [转卖]进行直接盈利或[编辑后售卖]进行间接盈利)。
2、本站所有内容均由合作方或网友上传,本站不对文档的完整性、权威性及其观点立场正确性做任何保证或承诺!文档内容仅供研究参考,付费前请自行鉴别。
3、如文档内容存在违规,或者侵犯商业秘密、侵犯著作权等,请点击“违规举报”。

碎片内容

旋挖钻孔桩施工技术交底

您可能关注的文档

确认删除?
VIP
微信客服
  • 扫码咨询
会员Q群
  • 会员专属群点击这里加入QQ群
客服邮箱
回到顶部