电脑桌面
添加小米粒文库到电脑桌面
安装后可以在桌面快捷访问

无机保温砂浆施工方案

无机保温砂浆施工方案_第1页
1/12
无机保温砂浆施工方案_第2页
2/12
无机保温砂浆施工方案_第3页
3/12
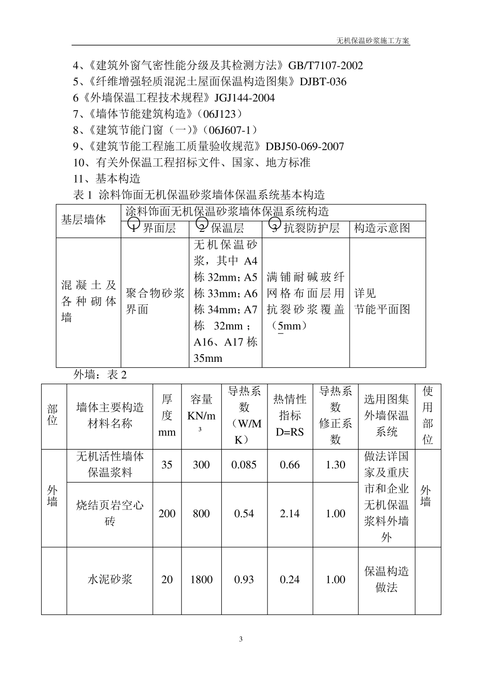
无机保温砂浆施工方案 1 目录 一、本工程简介及编制依据 二、材料要求及材料配制 三、作业条件 四、构造要求 五、工艺流程 六、施工要点 七、成品保护 八、质量保证措施 九、安全文明保证措施 十、技术资料及工程验收 十一、质量保证措施 十二、工程应急机制及措施 无机保温砂浆施工方案 2 一、本工程简介及标志依据 (一)本项目方案编制说明 随着科技的进步和经济的发展,整个社会生活水平的提高,能源消耗这个课题再次被提出。能源消耗是不可避免的,怎样才能减少能源消耗,针对消耗能源的主要对象进行有效抑制是节能的一大措施,而未来采取节能措施的建筑成为能源消耗的主要方面,所以节能建筑的推广及普及显得尤为重要。 重庆是一个年轻的直辖市,经济发展迅速,随之而来的是巨大的能源消耗。2006 年重庆市建委相继提出了 1、2、3 号文件限制落后节能技术使用于现代建筑,大力推广节能建筑并且使用新技术。 节能建筑,它是科技,理念、环保的完美结合。它不仅已经成为我国经济实力和科学技术水平的综合标志之一,而且也是人类社会住宅发展的必然趋势。因此,一个节能建筑小区首先应该是一个优美的住宅小区,应该具有如下特征: 宁静、舒适、安全、方便的生活环境 节能、环保的科技理念 回归自然的居住环境 优秀文明的人文环境 节能建筑是利用外墙隔热系统、电路节能系统、建筑节能设计、自愿效率整合,并有效突出上述特征的一个综合体。通过上述个系统来营造一个良好小区环境,达到小区的舒适、绿色、节能环保的效果。 本项目正是按照这一高起点的要求,使节能建筑走进大众。 (二)、工程概况及特点 1、工程概况 该项目位于 双福新区双溪片区 ,本次工程为外墙外保温工程。 2、工程施工目标 本工程采用节能理念设计,保温系统采用 无机保温砂浆 外墙保温系统。楼盘节能设计合理,采用此保温系统可完全达到国家所规定的建筑节能标准。 (三)编制依据 1、《夏热冬冷地区居住建筑节能设计标准》(JGJ134-2001J116-2001) 2、《重庆市居住建筑节能设计标准》DB50/5024-2002 3、《民用建筑热工设计规范》DB50176-93 无机保温砂浆施工方案 3 4、《建筑外窗气密性能分级及其检测方法》GB/T7107-2002 5、《纤维增强轻质混泥土屋面保温构造图集》DJBT-036 6《外墙保温工程技术规程》JGJ144-2004 7、《墙体节能建筑构造》(06J123) 8、《建筑节能门窗(一)》(06J607-1) 9、《建筑节能工程施工...

1、当您付费下载文档后,您只拥有了使用权限,并不意味着购买了版权,文档只能用于自身使用,不得用于其他商业用途(如 [转卖]进行直接盈利或[编辑后售卖]进行间接盈利)。
2、本站所有内容均由合作方或网友上传,本站不对文档的完整性、权威性及其观点立场正确性做任何保证或承诺!文档内容仅供研究参考,付费前请自行鉴别。
3、如文档内容存在违规,或者侵犯商业秘密、侵犯著作权等,请点击“违规举报”。

碎片内容

无机保温砂浆施工方案

确认删除?
VIP
微信客服
  • 扫码咨询
会员Q群
  • 会员专属群点击这里加入QQ群
客服邮箱
回到顶部